
Draw a circuit diagram of the n-p-n transistor with its emitter- base junction forward biased and base-collector junction reverse biased. Briefly describe it’s working. Explain how a transistor in the active states exhibits low resistance at its emitter based junction and high resistance at its base-collector junction.
Answer
572.4k+ views
Hint: To describe its working first of all we know about transistor and its types or it has three terminals i.e. base, emitter, and collector.
Complete Step-by-step Solution
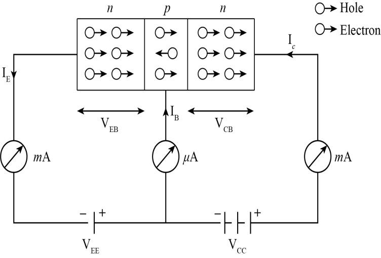
Diagram of the n-p-n transistor.
Working of n-p-n transistor:
In above figure voltage across emitter- base junction is ( ${V_{EB}}$) and the voltage across collector-base junction is (${V_{CB}}$).
The emitter-base junction of the n-p-n transistor is forward biased with the power supply$({V_{EE}})$, whereas the collector base junction is reversed biased with the power supply $({V_{CC}})$. When an emitter-base junction is forward biased, electrons majority carriers in the emitter are repelled by the negative terminal of the power supply towards the base. The barrier potential of the emitter-base junction decreases and the electrons enter the base. About 5% of these electrons combine with the holes i.e. ${I_B}$ small base current. The remaining electrons enter the collector region because they are attracted to the positive terminal battery $({V_{CC}})$ as shown in the above figure and the electron from the negative terminal of the battery $({V_{EE}})$ enters the emitter region. Thus continuous current flows emitter to the collector through the base regions.
Therefore equation becomes (${I_E} = {I_B} + {I_C}$ )
Transistors are nonlinear devices. They have four distinct modes of operation. They are:
Saturation: The transistor acts like a short circuit. Current flows from collector to emitter.
Cut-off: The transistor acts like an open circuit. No current flows from collector to emitter.
Active: Current flows from collector to emitter and current are proportional to the current flowing into the base.
Reverse active: Current is proportional to the base current but it flows in the reverse direction. The flow of current is from emitter to collector.
A transistor is said to be in its active mode if it is operating between saturated and cut-off mode. In the active mode of the transistor, the emitter-base junction is forward biased, and collector base junction is reversed biased. When a transistor operates during this mode, the collector current increases linearly with the rise in base current. That’s why in the active state it exhibits low resistance at the emitter-base and high resistance at its base-collector.
Note:
The p-n-p transistor working is opposite to the n-p-n working. The flow of current in the n-p-n transistor is from collector to emitter since positive supply is given to the base but in a p-n-p transistor, the flow of current is from emitter to collector. A transistor is operating in an active mode when it is operating between cutoff mode and saturation mode.
Complete Step-by-step Solution
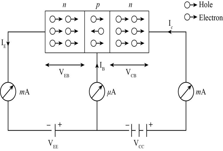
Diagram of the n-p-n transistor.
Working of n-p-n transistor:
In above figure voltage across emitter- base junction is ( ${V_{EB}}$) and the voltage across collector-base junction is (${V_{CB}}$).
The emitter-base junction of the n-p-n transistor is forward biased with the power supply$({V_{EE}})$, whereas the collector base junction is reversed biased with the power supply $({V_{CC}})$. When an emitter-base junction is forward biased, electrons majority carriers in the emitter are repelled by the negative terminal of the power supply towards the base. The barrier potential of the emitter-base junction decreases and the electrons enter the base. About 5% of these electrons combine with the holes i.e. ${I_B}$ small base current. The remaining electrons enter the collector region because they are attracted to the positive terminal battery $({V_{CC}})$ as shown in the above figure and the electron from the negative terminal of the battery $({V_{EE}})$ enters the emitter region. Thus continuous current flows emitter to the collector through the base regions.
Therefore equation becomes (${I_E} = {I_B} + {I_C}$ )
Transistors are nonlinear devices. They have four distinct modes of operation. They are:
Saturation: The transistor acts like a short circuit. Current flows from collector to emitter.
Cut-off: The transistor acts like an open circuit. No current flows from collector to emitter.
Active: Current flows from collector to emitter and current are proportional to the current flowing into the base.
Reverse active: Current is proportional to the base current but it flows in the reverse direction. The flow of current is from emitter to collector.
A transistor is said to be in its active mode if it is operating between saturated and cut-off mode. In the active mode of the transistor, the emitter-base junction is forward biased, and collector base junction is reversed biased. When a transistor operates during this mode, the collector current increases linearly with the rise in base current. That’s why in the active state it exhibits low resistance at the emitter-base and high resistance at its base-collector.
Note:
The p-n-p transistor working is opposite to the n-p-n working. The flow of current in the n-p-n transistor is from collector to emitter since positive supply is given to the base but in a p-n-p transistor, the flow of current is from emitter to collector. A transistor is operating in an active mode when it is operating between cutoff mode and saturation mode.
Recently Updated Pages
A man running at a speed 5 ms is viewed in the side class 12 physics CBSE

The number of solutions in x in 02pi for which sqrt class 12 maths CBSE

State and explain Hardy Weinbergs Principle class 12 biology CBSE

Write any two methods of preparation of phenol Give class 12 chemistry CBSE

Which of the following statements is wrong a Amnion class 12 biology CBSE

Differentiate between action potential and resting class 12 biology CBSE

Trending doubts
What are the major means of transport Explain each class 12 social science CBSE

Which are the Top 10 Largest Countries of the World?

Draw a labelled sketch of the human eye class 12 physics CBSE

Explain sex determination in humans with line diag class 12 biology CBSE

Explain sex determination in humans with the help of class 12 biology CBSE

Differentiate between homogeneous and heterogeneous class 12 chemistry CBSE

