
Describe the experiment to find the internal resistance of a cell by potentiometer under the following points.
(i)Labelled circuit diagram
(ii)Derivation of formula
(iii)Observation table
(iv)Two precautions
Answer
581.4k+ views
Hint: Detailed knowledge about the internal resistance of a potentiometer is needed for solving this question. The formula of internal resistance r is given by
$r=\left( \dfrac{v{{l}_{1}}}{v{{l}_{2}}}-1 \right)R=\left( \dfrac{{{l}_{1}}}{{{l}_{2}}}-1 \right)R$
This equation is derived from the formula of electric field and electric potential.
Internal resistance depends upon the nature of the material of the wire.
Complete step by step answer:
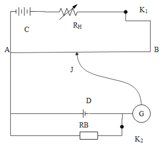
(i)Labelled circuit diagram:
In the circuit, there is a Potentiometer wire, variable resistance ,an accumulator , an experimental cell, a galvanometer G, resistance box RB, $K_1$ and $K_2$ are the keys and a jockey
(ii)Derivation of formula: Let the E be the emf of the experimental cell and its internal resistance is r. If a resistance box is connected by a resistance R with this cell then the potential difference at the ends of the cell becomes V.
Then, Electric field and the potential can be written as,
$E=I\left( R+r \right)$
$r=\left( \dfrac{{{l}_{1}}}{{{l}_{2}}}-1 \right)R$
Then
$r=\left( \dfrac{E}{V}-1 \right)R$…………. (1)
Assume the potential gradient of the potentiometer be v.
Let the balance point is at distance from A when R is not connected,
Then
$E=v{{l}_{1}}$ ………………. (2)
Let the balance point is obtained at a distance from A after connecting R. Then the potential difference at the ends of the cell
$V=v{{l}_{2}}$ ….............. (3)
Substitute eqns. (2) and (3) in (1),
$r=\left( \dfrac{v{{l}_{1}}}{v{{l}_{2}}}-1 \right)R=\left( \dfrac{{{l}_{1}}}{{{l}_{2}}}-1 \right)R$
(iii) Observation table:
(iv)Precaution: Two precautions are there. Firstly the diameter of potentiometer wire should be uniform everywhere, otherwise potential gradients will not be similar everywhere.Secondly, before null position, shunt should be connected with the galvanometer. Even though the shunt should be removed near the null point.
Note:
Internal resistance is the opposition offered by the cells and batteries to the flow of current forming in the generation of heat. Potentiometer is an instrument for measuring emf by balancing it against the potential difference generated by passing a certain current through a certain variable resistance.
$r=\left( \dfrac{v{{l}_{1}}}{v{{l}_{2}}}-1 \right)R=\left( \dfrac{{{l}_{1}}}{{{l}_{2}}}-1 \right)R$
This equation is derived from the formula of electric field and electric potential.
Internal resistance depends upon the nature of the material of the wire.
Complete step by step answer:
(i)Labelled circuit diagram:
In the circuit, there is a Potentiometer wire, variable resistance ,an accumulator , an experimental cell, a galvanometer G, resistance box RB, $K_1$ and $K_2$ are the keys and a jockey
(ii)Derivation of formula: Let the E be the emf of the experimental cell and its internal resistance is r. If a resistance box is connected by a resistance R with this cell then the potential difference at the ends of the cell becomes V.
Then, Electric field and the potential can be written as,
$E=I\left( R+r \right)$
$r=\left( \dfrac{{{l}_{1}}}{{{l}_{2}}}-1 \right)R$
Then
$r=\left( \dfrac{E}{V}-1 \right)R$…………. (1)
Assume the potential gradient of the potentiometer be v.
Let the balance point is at distance from A when R is not connected,
Then
$E=v{{l}_{1}}$ ………………. (2)
Let the balance point is obtained at a distance from A after connecting R. Then the potential difference at the ends of the cell
$V=v{{l}_{2}}$ ….............. (3)
Substitute eqns. (2) and (3) in (1),
$r=\left( \dfrac{v{{l}_{1}}}{v{{l}_{2}}}-1 \right)R=\left( \dfrac{{{l}_{1}}}{{{l}_{2}}}-1 \right)R$
(iii) Observation table:
| S l no | When cell is open circuited with balancing length | When cell is close circuited with balancing length | Resistance used in resistance box | Internal resistance |
| 1 | cm | cm | ohm | ohm |
(iv)Precaution: Two precautions are there. Firstly the diameter of potentiometer wire should be uniform everywhere, otherwise potential gradients will not be similar everywhere.Secondly, before null position, shunt should be connected with the galvanometer. Even though the shunt should be removed near the null point.
Note:
Internal resistance is the opposition offered by the cells and batteries to the flow of current forming in the generation of heat. Potentiometer is an instrument for measuring emf by balancing it against the potential difference generated by passing a certain current through a certain variable resistance.
Recently Updated Pages
Master Class 12 English: Engaging Questions & Answers for Success

Master Class 12 Business Studies: Engaging Questions & Answers for Success

Master Class 12 Economics: Engaging Questions & Answers for Success

Master Class 12 Social Science: Engaging Questions & Answers for Success

Master Class 12 Maths: Engaging Questions & Answers for Success

Master Class 12 Chemistry: Engaging Questions & Answers for Success

Trending doubts
What are the major means of transport Explain each class 12 social science CBSE

Which are the Top 10 Largest Countries of the World?

Draw a labelled sketch of the human eye class 12 physics CBSE

Explain sex determination in humans with line diag class 12 biology CBSE

The pH of the pancreatic juice is A 64 B 86 C 120 D class 12 biology CBSE

Explain sex determination in humans with the help of class 12 biology CBSE

