
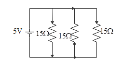
What is the current out of the battery?
Answer
501.9k+ views
Hint : First of you must thoroughly observe the given circuit diagram. And analyze whether the circuit is connected in series or parallel. If the resistors are connected in parallel the effective resistance or the net resistance in a series connection is the sum of resistances used and the net resistance in a parallel connection, the reciprocal of equivalent resistance is the sum of reciprocals of the individual resistances. After that by applying Ohm’s law we will get current out of the battery.
Complete step-by-step solution:
Here the resistors are connected in parallel. Hence the effective resistance in parallel combination can be calculated by,
$\dfrac{1}{{{R}_{net}}}=\dfrac{1}{{{R}_{1}}}+\dfrac{1}{{{R}_{2}}}+\dfrac{1}{{{R}_{3}}}$……………(1)
Given that,
$\begin{align}
& {{R}_{1}}=15\Omega \\
& {{R}_{2}}=15\Omega \\
& {{R}_{3}}=15\Omega \\
\end{align}$
Thus substituting the values in the above equation we get,
$\dfrac{1}{{{R}_{net}}}=\dfrac{1}{15}+\dfrac{1}{15}+\dfrac{1}{15}$
$\Rightarrow \dfrac{1}{{{R}_{net}}}=\dfrac{3}{15}$
${{R}_{net}}=\dfrac{15}{3}$
$\therefore {{R}_{net}}=5\Omega $
Then to calculate the current out of the battery can be calculated using Ohm’s law.
That is,
V=IR
Where, V is the potential difference
I is the current through the conductor
R a constant known as resistance
Also given that,
V=5V
Thus rearranging the equation for current I we get,
$I=\dfrac{V}{{{R}_{net}}}$
Then by substituting the values we get,
$I=\dfrac{5}{5}=1A$
Therefore the current out of the battery is 1 ampere.
Note: Since this is the simplest circuit and explaining a simplest concept, ohm's law can be considered as one of the fundamental laws of physics. This law can be applied to many electrical circuits. Using Ohm’s law we can also calculate the power delivered in the circuit. This law could also give an empirical relation which describes conductivity. There are some materials which doesn’t obeys Ohm’s law and known as non-ohmic.
Complete step-by-step solution:
Here the resistors are connected in parallel. Hence the effective resistance in parallel combination can be calculated by,
$\dfrac{1}{{{R}_{net}}}=\dfrac{1}{{{R}_{1}}}+\dfrac{1}{{{R}_{2}}}+\dfrac{1}{{{R}_{3}}}$……………(1)
Given that,
$\begin{align}
& {{R}_{1}}=15\Omega \\
& {{R}_{2}}=15\Omega \\
& {{R}_{3}}=15\Omega \\
\end{align}$
Thus substituting the values in the above equation we get,
$\dfrac{1}{{{R}_{net}}}=\dfrac{1}{15}+\dfrac{1}{15}+\dfrac{1}{15}$
$\Rightarrow \dfrac{1}{{{R}_{net}}}=\dfrac{3}{15}$
${{R}_{net}}=\dfrac{15}{3}$
$\therefore {{R}_{net}}=5\Omega $
Then to calculate the current out of the battery can be calculated using Ohm’s law.
That is,
V=IR
Where, V is the potential difference
I is the current through the conductor
R a constant known as resistance
Also given that,
V=5V
Thus rearranging the equation for current I we get,
$I=\dfrac{V}{{{R}_{net}}}$
Then by substituting the values we get,
$I=\dfrac{5}{5}=1A$
Therefore the current out of the battery is 1 ampere.
Note: Since this is the simplest circuit and explaining a simplest concept, ohm's law can be considered as one of the fundamental laws of physics. This law can be applied to many electrical circuits. Using Ohm’s law we can also calculate the power delivered in the circuit. This law could also give an empirical relation which describes conductivity. There are some materials which doesn’t obeys Ohm’s law and known as non-ohmic.
Recently Updated Pages
A man running at a speed 5 ms is viewed in the side class 12 physics CBSE

State and explain Hardy Weinbergs Principle class 12 biology CBSE

Which of the following statements is wrong a Amnion class 12 biology CBSE

Two Planoconcave lenses 1 and 2 of glass of refractive class 12 physics CBSE

The compound 2 methyl 2 butene on reaction with NaIO4 class 12 chemistry CBSE

Bacterial cell wall is made up of A Cellulose B Hemicellulose class 12 biology CBSE

Trending doubts
What are the major means of transport Explain each class 12 social science CBSE

Which are the Top 10 Largest Countries of the World?

Draw a labelled sketch of the human eye class 12 physics CBSE

Explain sex determination in humans with line diag class 12 biology CBSE

The pH of the pancreatic juice is A 64 B 86 C 120 D class 12 biology CBSE

Give 10 examples of unisexual and bisexual flowers

