
Complete the following diagram in Fig. of a transformer and name the parts labelled A and B. Name the part you have drawn to complete the diagram. What is the material of this part? Is this transformer a step up or step down? Give reason.
Answer
549.9k+ views
Hint: The transformer works on the principle of electromagnetic induction. The windings constitute the electrical properties and the core to which the windings are wound has magnetic properties. The transformers are divided into step-up and step-down based on the number of turns of the primary and secondary windings.
Complete answer:
The transformer is used to transfer the alternating electric power from one circuit to another circuit at the same frequency. It is known as a static device as it does not have any moving part.
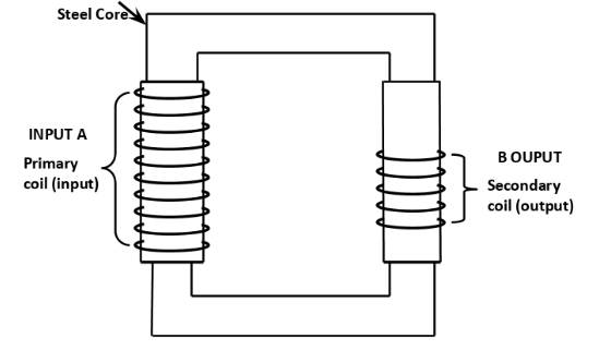
A transformer has three main parts. They are two windings and a metallic core on which the windings are wound. The windings are made up of a coil that is a good conductor of current. These winding coils behave as an inductor. When an alternating current is allowed to flow through any of the winding, an alternating flux is produced. In the diagram, Part A is connected to the input. Therefore, that will be the primary winding. And, Part B is connected to the output. Therefore, that will be the secondary winding. So, the parts labelled A and B are the primary and the secondary windings respectively.
To transfer the alternating electric power from one winding to another, a magnetic core is placed between these two windings. Therefore, the incomplete part was the magnetic core. Steel and iron are the magnetic materials used for magnetic cores. If the transformer has more secondary winding turns than primary winding turns, then it is called a step up transformer. And, if the transformer has more primary winding turns than secondary winding turns, then it is called a step down transformer. In the given diagram, the number of primary windings are more than secondary windings. Therefore, it is a step down transformer.
Note: The step up and step down transformers can also be classified on the basis of voltages of windings. If the transformer has more secondary winding turns than primary winding turns, then the voltage increases from primary windings to secondary windings. The voltage increases and therefore it is known as the step up transformer. Conversely, the voltage decreases from primary windings to secondary windings in a step down transformer.
Complete answer:
The transformer is used to transfer the alternating electric power from one circuit to another circuit at the same frequency. It is known as a static device as it does not have any moving part.
A transformer has three main parts. They are two windings and a metallic core on which the windings are wound. The windings are made up of a coil that is a good conductor of current. These winding coils behave as an inductor. When an alternating current is allowed to flow through any of the winding, an alternating flux is produced. In the diagram, Part A is connected to the input. Therefore, that will be the primary winding. And, Part B is connected to the output. Therefore, that will be the secondary winding. So, the parts labelled A and B are the primary and the secondary windings respectively.
To transfer the alternating electric power from one winding to another, a magnetic core is placed between these two windings. Therefore, the incomplete part was the magnetic core. Steel and iron are the magnetic materials used for magnetic cores. If the transformer has more secondary winding turns than primary winding turns, then it is called a step up transformer. And, if the transformer has more primary winding turns than secondary winding turns, then it is called a step down transformer. In the given diagram, the number of primary windings are more than secondary windings. Therefore, it is a step down transformer.
Note: The step up and step down transformers can also be classified on the basis of voltages of windings. If the transformer has more secondary winding turns than primary winding turns, then the voltage increases from primary windings to secondary windings. The voltage increases and therefore it is known as the step up transformer. Conversely, the voltage decreases from primary windings to secondary windings in a step down transformer.
Recently Updated Pages
A man running at a speed 5 ms is viewed in the side class 12 physics CBSE

The number of solutions in x in 02pi for which sqrt class 12 maths CBSE

State and explain Hardy Weinbergs Principle class 12 biology CBSE

Write any two methods of preparation of phenol Give class 12 chemistry CBSE

Which of the following statements is wrong a Amnion class 12 biology CBSE

Differentiate between action potential and resting class 12 biology CBSE

Trending doubts
What are the major means of transport Explain each class 12 social science CBSE

Which are the Top 10 Largest Countries of the World?

Draw a labelled sketch of the human eye class 12 physics CBSE

Explain sex determination in humans with line diag class 12 biology CBSE

Explain sex determination in humans with the help of class 12 biology CBSE

Differentiate between homogeneous and heterogeneous class 12 chemistry CBSE

