
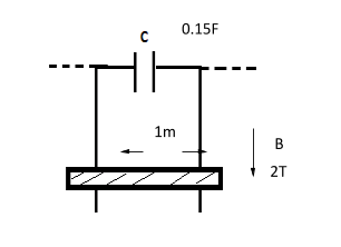
As shown in figure, two vertical conducting rails separated by distance 1.0m are placed parallel to z-axis. At z=0. A capacitor of 0.15F is connected between the rails and a metal rod of mass 100gm placed across the rails slides down along the rails. If constant magnetic fields of 2.0T exist perpendicular to the plane of the rails, what is the acceleration of the rod? (Take g=9.8)
A) 2.5 m/s2
B) 1.4 m/s2
C) 9.8 m/s2
D) 0
Answer
562.8k+ views
Hint: In the above problem the concept of induced EMF across the capacitor will be taken into account due to the motion of the rod.
Induced EMF will be given by:
$E = Blv$ (E is the motional EMF, l is the length of the conductor and v is the velocity of the motion of the conductor).
We will also use F = ma (force is equal to mass multiplied by acceleration of the object)
Complete step by step solution:
Due to the motion of the rod induced EMF in the capacitor is:
$E = Blv$
Charge on the capacitor is given as:
$q = CV$
Therefore we can write as:
$q = C(Blv)$ .............1
Force produced due to the motion of the conductor is:
$F = BIl$ ...............2
This force F is opposing the downward motion of the rod.
Charge and current has the relation:
$I = \dfrac{{dq}}{{dt}}$ ............3
On substituting the value of q from equation 1 in 3
$
\Rightarrow I = \dfrac{{dCBlv}}{{dt}} \\
\Rightarrow I = \dfrac{{CBldv}}{{dt}} \\
$ (we will differentiate v with respect to t which gives acceleration0
$I = CBla$ ................4
Net force on the rod is:
${F_{net}} = W - F$ ( W is downward force mg and F is the force due to EMF).............5
Substituting the values of each force in equation 5;
$ \Rightarrow ma = mg - (BCBa)l$( we have replace I as per equation 4 in equation 2 and then placed in equation 5)
$ \Rightarrow ma = mg - {B^2}C{l^2}a$
Now substituting the numerical values as per question;
$
\Rightarrow (0.1)a = (0.1) \times 9.8 - {2^2} \times 0.15 \times {1^2}a \\
\Rightarrow (0.1)a + 0.6a = 0.98 \\
\therefore a = \dfrac{{0.98}}{{0.7}} = 1.4\dfrac{m}{{{s^2}}} \\
$(we have rearranged the term with acceleration on LHS)
Option 2 is correct.
Note: Motional EMF is a very suitable example of understanding how mechanical energy is converted into electrical energy. Conversion of mechanical to electrical energy takes place in a generator or alternator. A conductor is rotated in the magnetic field to produce an induced EMF.
Induced EMF will be given by:
$E = Blv$ (E is the motional EMF, l is the length of the conductor and v is the velocity of the motion of the conductor).
We will also use F = ma (force is equal to mass multiplied by acceleration of the object)
Complete step by step solution:
Due to the motion of the rod induced EMF in the capacitor is:
$E = Blv$
Charge on the capacitor is given as:
$q = CV$
Therefore we can write as:
$q = C(Blv)$ .............1
Force produced due to the motion of the conductor is:
$F = BIl$ ...............2
This force F is opposing the downward motion of the rod.
Charge and current has the relation:
$I = \dfrac{{dq}}{{dt}}$ ............3
On substituting the value of q from equation 1 in 3
$
\Rightarrow I = \dfrac{{dCBlv}}{{dt}} \\
\Rightarrow I = \dfrac{{CBldv}}{{dt}} \\
$ (we will differentiate v with respect to t which gives acceleration0
$I = CBla$ ................4
Net force on the rod is:
${F_{net}} = W - F$ ( W is downward force mg and F is the force due to EMF).............5
Substituting the values of each force in equation 5;
$ \Rightarrow ma = mg - (BCBa)l$( we have replace I as per equation 4 in equation 2 and then placed in equation 5)
$ \Rightarrow ma = mg - {B^2}C{l^2}a$
Now substituting the numerical values as per question;
$
\Rightarrow (0.1)a = (0.1) \times 9.8 - {2^2} \times 0.15 \times {1^2}a \\
\Rightarrow (0.1)a + 0.6a = 0.98 \\
\therefore a = \dfrac{{0.98}}{{0.7}} = 1.4\dfrac{m}{{{s^2}}} \\
$(we have rearranged the term with acceleration on LHS)
Option 2 is correct.
Note: Motional EMF is a very suitable example of understanding how mechanical energy is converted into electrical energy. Conversion of mechanical to electrical energy takes place in a generator or alternator. A conductor is rotated in the magnetic field to produce an induced EMF.
Recently Updated Pages
Master Class 12 Business Studies: Engaging Questions & Answers for Success

Master Class 12 Economics: Engaging Questions & Answers for Success

Master Class 12 English: Engaging Questions & Answers for Success

Master Class 12 Maths: Engaging Questions & Answers for Success

Master Class 12 Social Science: Engaging Questions & Answers for Success

Master Class 12 Chemistry: Engaging Questions & Answers for Success

Trending doubts
What are the major means of transport Explain each class 12 social science CBSE

Which are the Top 10 Largest Countries of the World?

Draw a labelled sketch of the human eye class 12 physics CBSE

How much time does it take to bleed after eating p class 12 biology CBSE

Explain sex determination in humans with line diag class 12 biology CBSE

Explain sex determination in humans with the help of class 12 biology CBSE

