
An N-P-N transistor in a common emitter mode is used as a simple voltage amplifier with a collector current of $4mA$. The terminal of a $8V$ battery is connected to the collector through a load resistance ${R_L}$, and to the base through a resistance ${R_B}$. The collector emitter voltage ${V_{CE}} = 4V$, base-emitter voltage ${V_{BE}} = 0.6V$ and base current amplification factor ${\beta _{dc}} = 100$. Calculate the values of ${R_L}$ and ${R_B}$.
Answer
489.9k+ views
Hint: Apply Kirchhoff’s voltage law to calculate the resistances in the given circuit. It states that the algebraic sum of all electromotive forces and voltage drops across all the resistors is zero for a given closed loop circuit.
The base current amplification factor in common emitter mode is the ratio of collector current and base current. i.e., ${\beta _{dc}} = \dfrac{{{I_C}}}{{{I_B}}}$.
Complete step by step answer:
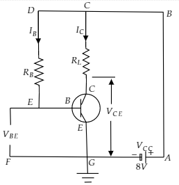
Draw the circuit containing a common-emitter mode N-P-N transistor which is used as a voltage amplifier.
It is given that the potential difference of the battery ${V_{CC}} = 8V$
The collector emitter voltage ${V_{CE}} = 4V$
The collector current ${I_C} = 4mA$
Base-emitter voltage ${V_{BE}} = 0.6V$
Base current amplification factor ${\beta _{dc}} = 100$
Apply the KVL to the loop ABCGA, we got
${I_C}{R_L} + {V_{CE}} = {V_{CC}}$
$ \Rightarrow {R_L} = \dfrac{{{V_{CC}} - {V_{CE}}}}{{{I_C}}}$
Substituting all the required values in the above equation
$ \Rightarrow {R_L} = \dfrac{{8V - 4V}}{{4 \times {{10}^{ - 3}}A}}$
Further calculate.
$ \Rightarrow {R_L} = {10^3}\Omega $
Or ${R_L} = 1K\Omega $
Now we know that ${\beta _{dc}} = \dfrac{{{I_C}}}{{{I_B}}}$
${I_B} = \dfrac{{{I_C}}}{{{\beta _{dc}}}}$
Substitute the value of ${I_C}$ and ${\beta _{dc}}$ in the above formula of ${I_B}$.
${I_B} = \dfrac{{4 \times {{10}^{ - 3}}A}}{{100}}$
Or ${I_B} = 4 \times {10^{ - 5}}A$
Apply the kVL to the loop CDEFGC, we got
${I_B}{R_B} + {V_{BE}} = {V_{CC}}$
Simplify above equation for ${R_B}$.
$ \Rightarrow {R_B} = \dfrac{{{V_{CC}} - {V_{BE}}}}{{{I_B}}}$
Substitute all the required values in the above equation for ${R_B}$.
$ \Rightarrow {R_B} = \dfrac{{8V - 0.6V}}{{4 \times {{10}^{ - 5}}A}}$
$ \Rightarrow {R_B} = 1.85 \times {10^5}\Omega $
Or ${R_B} = 185k\Omega $
The values of ${R_L}$ and ${R_B}$ are $1k\Omega $ and $185k\Omega $ respectively.
Note: It should be noted that the emitter-base junction is forward biased and collector-base is reversed biased. The emitter current is equal to the sum of collector current and base current.
The base current amplification factor in common emitter mode is the ratio of collector current and base current. i.e., ${\beta _{dc}} = \dfrac{{{I_C}}}{{{I_B}}}$.
Complete step by step answer:
Draw the circuit containing a common-emitter mode N-P-N transistor which is used as a voltage amplifier.
It is given that the potential difference of the battery ${V_{CC}} = 8V$
The collector emitter voltage ${V_{CE}} = 4V$
The collector current ${I_C} = 4mA$
Base-emitter voltage ${V_{BE}} = 0.6V$
Base current amplification factor ${\beta _{dc}} = 100$
Apply the KVL to the loop ABCGA, we got
${I_C}{R_L} + {V_{CE}} = {V_{CC}}$
$ \Rightarrow {R_L} = \dfrac{{{V_{CC}} - {V_{CE}}}}{{{I_C}}}$
Substituting all the required values in the above equation
$ \Rightarrow {R_L} = \dfrac{{8V - 4V}}{{4 \times {{10}^{ - 3}}A}}$
Further calculate.
$ \Rightarrow {R_L} = {10^3}\Omega $
Or ${R_L} = 1K\Omega $
Now we know that ${\beta _{dc}} = \dfrac{{{I_C}}}{{{I_B}}}$
${I_B} = \dfrac{{{I_C}}}{{{\beta _{dc}}}}$
Substitute the value of ${I_C}$ and ${\beta _{dc}}$ in the above formula of ${I_B}$.
${I_B} = \dfrac{{4 \times {{10}^{ - 3}}A}}{{100}}$
Or ${I_B} = 4 \times {10^{ - 5}}A$
Apply the kVL to the loop CDEFGC, we got
${I_B}{R_B} + {V_{BE}} = {V_{CC}}$
Simplify above equation for ${R_B}$.
$ \Rightarrow {R_B} = \dfrac{{{V_{CC}} - {V_{BE}}}}{{{I_B}}}$
Substitute all the required values in the above equation for ${R_B}$.
$ \Rightarrow {R_B} = \dfrac{{8V - 0.6V}}{{4 \times {{10}^{ - 5}}A}}$
$ \Rightarrow {R_B} = 1.85 \times {10^5}\Omega $
Or ${R_B} = 185k\Omega $
The values of ${R_L}$ and ${R_B}$ are $1k\Omega $ and $185k\Omega $ respectively.
Note: It should be noted that the emitter-base junction is forward biased and collector-base is reversed biased. The emitter current is equal to the sum of collector current and base current.
Recently Updated Pages
Master Class 12 Economics: Engaging Questions & Answers for Success

Master Class 12 Physics: Engaging Questions & Answers for Success

Master Class 12 English: Engaging Questions & Answers for Success

Master Class 12 Social Science: Engaging Questions & Answers for Success

Master Class 12 Maths: Engaging Questions & Answers for Success

Master Class 12 Business Studies: Engaging Questions & Answers for Success

Trending doubts
Which are the Top 10 Largest Countries of the World?

What are the major means of transport Explain each class 12 social science CBSE

Draw a labelled sketch of the human eye class 12 physics CBSE

Why cannot DNA pass through cell membranes class 12 biology CBSE

Differentiate between insitu conservation and exsitu class 12 biology CBSE

Draw a neat and well labeled diagram of TS of ovary class 12 biology CBSE

