
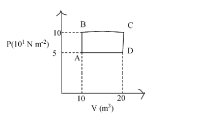
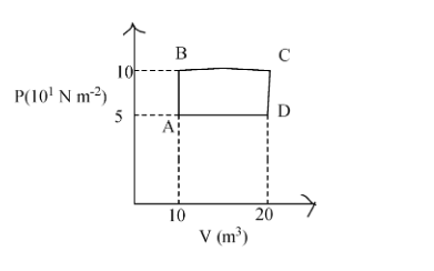
A sample of 2 kg of helium (assumed ideal) is taken through the process ABC and another sample of 2 kg of the same gas is taken through the process ADC. Then the temperature of the states A and Bare (given R= 8.3J/ mol K)
Answer
584.1k+ views
Hint: The gas is given at particular pressure and volume, the temperature is calculated by the ideal gas equation. The number of moles can be calculated with a given mass of the sample and molecular mass of the sample.
Complete step by step answer:
Let us understand the ideal gas equation.
The ideal gas equation is the equation that tells the effect of pressure and temperature on the volume of an ideal gas.
The ideal gas equation can be derived as:
According to Boyle's law, the volume of the gas is inversely proportional to the pressure.
\[V\propto \dfrac{1}{P}\]
According to Charles law, the volume is directly proportional to temperature.
\[V\propto T\]
According to Avogadro's law, the volume is directly proportional to the number of moles.
\[V\propto n\]
Combining all these, we get the ideal gas equation.
\[\begin{align}
& V\propto \dfrac{1}{P}\text{x T x n} \\
& \text{V = R x }\dfrac{1}{P}\text{ x T x n} \\
& \text{PV=nRT} \\
\end{align}\]
R is the gas constant.
In the question, it is given 2 kg of helium and molecular mass of helium is 4, the number of moles can be calculated as,
\[n=\dfrac{\text{given mass (grams)}}{\text{molecular mass}}=\dfrac{2000}{4}=500\]
Now, at point A, the pressure is\[5\text{x}10N{{m}^{-2}}\] and volume is \[10{{m}^{3}}\] and the value of R= 8.3J/ mol K.
So, according to the ideal gas equation,
\[\begin{align}
& {{\text{P}}_{A}}{{\text{V}}_{A}}\text{=nR}{{\text{T}}_{A}} \\
& {{\text{T}}_{A}}=\dfrac{{{\text{P}}_{A}}{{\text{V}}_{A}}}{nR}=\dfrac{5\text{x}10\text{x}10}{500X8.3}=0.120K \\
\end{align}\]
Now at point B, the pressure is \[10\text{x}10N{{m}^{-2}}\] and volume is \[10{{m}^{3}}\] and the value of R= 8.3J/ mol K.
By applying the ideal gas equation, we get.
\[\begin{align}
& {{\text{P}}_{B}}{{\text{V}}_{B}}\text{=nR}{{\text{T}}_{B}} \\
& {{\text{T}}_{B}}=\dfrac{{{\text{P}}_{B}}{{\text{V}}_{B}}}{nR}=\dfrac{10\text{x}10\text{x}10}{500X8.3}=0.240K \\
\end{align}\]
Hence, the temperature at A is 0.120 K and at B is 0.240K.
Note: The given mass should always be converted into the number of moles. The ideal gas equation is only applicable to the ideal gas. The gas is ideal should be mentioned in the question. Real gases do not follow this equation.
Complete step by step answer:
Let us understand the ideal gas equation.
The ideal gas equation is the equation that tells the effect of pressure and temperature on the volume of an ideal gas.
The ideal gas equation can be derived as:
According to Boyle's law, the volume of the gas is inversely proportional to the pressure.
\[V\propto \dfrac{1}{P}\]
According to Charles law, the volume is directly proportional to temperature.
\[V\propto T\]
According to Avogadro's law, the volume is directly proportional to the number of moles.
\[V\propto n\]
Combining all these, we get the ideal gas equation.
\[\begin{align}
& V\propto \dfrac{1}{P}\text{x T x n} \\
& \text{V = R x }\dfrac{1}{P}\text{ x T x n} \\
& \text{PV=nRT} \\
\end{align}\]
R is the gas constant.
In the question, it is given 2 kg of helium and molecular mass of helium is 4, the number of moles can be calculated as,
\[n=\dfrac{\text{given mass (grams)}}{\text{molecular mass}}=\dfrac{2000}{4}=500\]
Now, at point A, the pressure is\[5\text{x}10N{{m}^{-2}}\] and volume is \[10{{m}^{3}}\] and the value of R= 8.3J/ mol K.
So, according to the ideal gas equation,
\[\begin{align}
& {{\text{P}}_{A}}{{\text{V}}_{A}}\text{=nR}{{\text{T}}_{A}} \\
& {{\text{T}}_{A}}=\dfrac{{{\text{P}}_{A}}{{\text{V}}_{A}}}{nR}=\dfrac{5\text{x}10\text{x}10}{500X8.3}=0.120K \\
\end{align}\]
Now at point B, the pressure is \[10\text{x}10N{{m}^{-2}}\] and volume is \[10{{m}^{3}}\] and the value of R= 8.3J/ mol K.
By applying the ideal gas equation, we get.
\[\begin{align}
& {{\text{P}}_{B}}{{\text{V}}_{B}}\text{=nR}{{\text{T}}_{B}} \\
& {{\text{T}}_{B}}=\dfrac{{{\text{P}}_{B}}{{\text{V}}_{B}}}{nR}=\dfrac{10\text{x}10\text{x}10}{500X8.3}=0.240K \\
\end{align}\]
Hence, the temperature at A is 0.120 K and at B is 0.240K.
Note: The given mass should always be converted into the number of moles. The ideal gas equation is only applicable to the ideal gas. The gas is ideal should be mentioned in the question. Real gases do not follow this equation.
Recently Updated Pages
Why are manures considered better than fertilizers class 11 biology CBSE

Find the coordinates of the midpoint of the line segment class 11 maths CBSE

Distinguish between static friction limiting friction class 11 physics CBSE

The Chairman of the constituent Assembly was A Jawaharlal class 11 social science CBSE

The first National Commission on Labour NCL submitted class 11 social science CBSE

Number of all subshell of n + l 7 is A 4 B 5 C 6 D class 11 chemistry CBSE

Trending doubts
Differentiate between an exothermic and an endothermic class 11 chemistry CBSE

10 examples of friction in our daily life

One Metric ton is equal to kg A 10000 B 1000 C 100 class 11 physics CBSE

Difference Between Prokaryotic Cells and Eukaryotic Cells

State the laws of reflection of light

Explain zero factorial class 11 maths CBSE

