
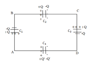
A network of four $10\mu F$ capacitors is connected to a 500V supply, as shown in fig. Determine (a) the equivalent capacitance of the network and (b) the charge on each capacitor. (Note, the charge on a capacitor is the charge on the place with higher potential, equal and opposite to the charge on the plate with lower potential).
Answer
566.4k+ views
Hint:As there are three capacitors which are in series and there is one capacitor which behaves as parallel to the previous and therefore the equivalent capacitance can be calculated by taking all the three capacitor at once and applying the formula for the calculation of the equivalent capacitance and then apply the formula for the calculation of the equivalent capacitance for parallel capacitors.
Formula used:The formula of the charge on the capacitor is given by,
$Q = C \times V$
Where charge is given by Q the capacitance is C and the voltage difference is V.
Complete step by step answer:
It is given in the problem that a network with four$10\mu F$ capacitors is connected to a 500V supply and we need to find the equivalent capacitance and also we need to find the charge on each capacitor.
The equivalent capacitance for the three capacitors can be calculated as,
$\dfrac{1}{{{C_{eq}}}} = \dfrac{1}{{{C_1}}} + \dfrac{1}{{{C_2}}} + \dfrac{1}{{{C_3}}}$
Since,
$ \Rightarrow {C_1} = {C_2} = {C_3} = 10\mu F$
Therefore,
$ \Rightarrow \dfrac{1}{{C'}} = \dfrac{1}{{{C_1}}} + \dfrac{1}{{{C_2}}} + \dfrac{1}{{{C_3}}}$
$ \Rightarrow \dfrac{1}{{C'}} = \dfrac{1}{{10}} + \dfrac{1}{{10}} + \dfrac{1}{{10}}$
$ \Rightarrow \dfrac{1}{{C'}} = \dfrac{3}{{10}}$
$ \Rightarrow C' = \dfrac{{10}}{3}\mu F$.
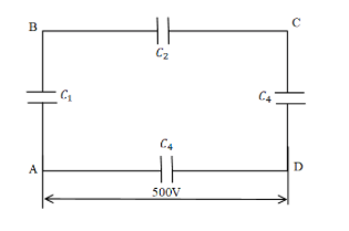
Now according to the diagram the three capacitors were parallel to the fourth capacitor which is also of equal capacitance.
${C_4} = 10\mu F$.
The equivalent capacitance is given by,
$ \Rightarrow {C_{eq.}} = C' + {C_4}$
$ \Rightarrow {C_{eq.}} = \dfrac{{10}}{3} + 10$
$ \Rightarrow {C_{eq.}} = \dfrac{{40}}{3}\mu F$
The equivalent capacitance of the capacitors is equal to${C_{eq.}} = \dfrac{{40}}{3}\mu F$.
Now let’s calculate the charge on each capacitor.
The formula of the charge on the capacitor is given by,
$Q = C \times V$
Where charge is given by Q the capacitance is C and the voltage difference is V.
Replace the values of capacitance and also the potential difference we get.
The charge on the capacitor ${C_4}$ is equal to,
$ \Rightarrow Q = C \times V$
$ \Rightarrow Q = 10 \times 500$
$ \Rightarrow Q = 5 \times {10^{ - 3}}C$.
The charge on the capacitors ${C_1},{C_2},{C_3}$ are equal to,
$ \Rightarrow Q = C' \times V$
Replace the value of capacitance ${C_1} = {C_2} = {C_3}$ and potential difference we get,
$ \Rightarrow Q = \dfrac{{10}}{3} \times 500$
$ \Rightarrow Q = \dfrac{5}{3} \times {10^{ - 3}}C$.
The equivalent capacitance is equal to ${C_{eq.}} = \dfrac{{40}}{3}\mu F$ and the charge on the capacitor ${C_1},{C_2},{C_3}$ and ${C_4}$ is equal to $Q = \dfrac{5}{3} \times {10^{ - 3}}C$ and $Q = 5 \times {10^{ - 3}}C$ respectively.
Note:The charge on all the capacitors is the same and equal to $10\mu F$ and the potential difference across the capacitors is equal to $500V$. The charge on the capacitors can be calculated by multiplying the potential difference with the net capacitance of the capacitor.
Formula used:The formula of the charge on the capacitor is given by,
$Q = C \times V$
Where charge is given by Q the capacitance is C and the voltage difference is V.
Complete step by step answer:
It is given in the problem that a network with four$10\mu F$ capacitors is connected to a 500V supply and we need to find the equivalent capacitance and also we need to find the charge on each capacitor.
The equivalent capacitance for the three capacitors can be calculated as,
$\dfrac{1}{{{C_{eq}}}} = \dfrac{1}{{{C_1}}} + \dfrac{1}{{{C_2}}} + \dfrac{1}{{{C_3}}}$
Since,
$ \Rightarrow {C_1} = {C_2} = {C_3} = 10\mu F$
Therefore,
$ \Rightarrow \dfrac{1}{{C'}} = \dfrac{1}{{{C_1}}} + \dfrac{1}{{{C_2}}} + \dfrac{1}{{{C_3}}}$
$ \Rightarrow \dfrac{1}{{C'}} = \dfrac{1}{{10}} + \dfrac{1}{{10}} + \dfrac{1}{{10}}$
$ \Rightarrow \dfrac{1}{{C'}} = \dfrac{3}{{10}}$
$ \Rightarrow C' = \dfrac{{10}}{3}\mu F$.
Now according to the diagram the three capacitors were parallel to the fourth capacitor which is also of equal capacitance.
${C_4} = 10\mu F$.
The equivalent capacitance is given by,
$ \Rightarrow {C_{eq.}} = C' + {C_4}$
$ \Rightarrow {C_{eq.}} = \dfrac{{10}}{3} + 10$
$ \Rightarrow {C_{eq.}} = \dfrac{{40}}{3}\mu F$
The equivalent capacitance of the capacitors is equal to${C_{eq.}} = \dfrac{{40}}{3}\mu F$.
Now let’s calculate the charge on each capacitor.
The formula of the charge on the capacitor is given by,
$Q = C \times V$
Where charge is given by Q the capacitance is C and the voltage difference is V.
Replace the values of capacitance and also the potential difference we get.
The charge on the capacitor ${C_4}$ is equal to,
$ \Rightarrow Q = C \times V$
$ \Rightarrow Q = 10 \times 500$
$ \Rightarrow Q = 5 \times {10^{ - 3}}C$.
The charge on the capacitors ${C_1},{C_2},{C_3}$ are equal to,
$ \Rightarrow Q = C' \times V$
Replace the value of capacitance ${C_1} = {C_2} = {C_3}$ and potential difference we get,
$ \Rightarrow Q = \dfrac{{10}}{3} \times 500$
$ \Rightarrow Q = \dfrac{5}{3} \times {10^{ - 3}}C$.
The equivalent capacitance is equal to ${C_{eq.}} = \dfrac{{40}}{3}\mu F$ and the charge on the capacitor ${C_1},{C_2},{C_3}$ and ${C_4}$ is equal to $Q = \dfrac{5}{3} \times {10^{ - 3}}C$ and $Q = 5 \times {10^{ - 3}}C$ respectively.
Note:The charge on all the capacitors is the same and equal to $10\mu F$ and the potential difference across the capacitors is equal to $500V$. The charge on the capacitors can be calculated by multiplying the potential difference with the net capacitance of the capacitor.
Recently Updated Pages
A man running at a speed 5 ms is viewed in the side class 12 physics CBSE

The number of solutions in x in 02pi for which sqrt class 12 maths CBSE

State and explain Hardy Weinbergs Principle class 12 biology CBSE

Write any two methods of preparation of phenol Give class 12 chemistry CBSE

Which of the following statements is wrong a Amnion class 12 biology CBSE

Differentiate between action potential and resting class 12 biology CBSE

Trending doubts
What are the major means of transport Explain each class 12 social science CBSE

Which are the Top 10 Largest Countries of the World?

Draw a labelled sketch of the human eye class 12 physics CBSE

Explain sex determination in humans with line diag class 12 biology CBSE

Explain sex determination in humans with the help of class 12 biology CBSE

Differentiate between homogeneous and heterogeneous class 12 chemistry CBSE

