
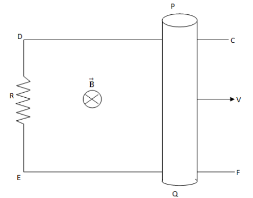
A frame CDEF is placed in a region where a magnetic field \[\overrightarrow B \] is present. A rod of length one metre moves with constant velocity \[20\,{\text{m}}{{\text{s}}^{{\text{ - 1}}}}\] and strength of magnitude field is one tesla. The power spent in the process is ( take \[R = 0.2\Omega \] and all other wires and rod have zero resistance).
Answer
556.8k+ views
Hint:We are asked to calculate the power required to move the rod outward with constant velocity \[20\,{\text{m}}{{\text{s}}^{{\text{ - 1}}}}\]. For this, you will need to recall the formulas for induced emf, force on the rod due to the magnetic field and power required to move the rod. With the help of these formulas, find the power required.
Complete step by step answer:
Given, a frame CDEF is placed in a region where a magnetic field \[\overrightarrow B \] is present.Length of the movable rod, \[l = 1\,{\text{m}}\].
Velocity of the rod, \[v = 20\,{\text{m}}{{\text{s}}^{{\text{ - 1}}}}\].
Strength of magnetic field, \[B = 1\,{\text{Tesla}}\].
Resistance of the rod, \[R = 0.2\Omega \].
As, the rod PQ is moving outward there will be change in magnetic flux through the frame CDEF which will induce an emf in the frame, that is given by the formula,
\[\varepsilon = Blv\]
where \[l\] is the length of the rod, \[B\] is the strength of the magnetic field and \[v\] is the velocity of the rod.
Due to the presence of magnetic field, when the rod PQ moves it will experience a force. This force is given by the formula,
\[F = IlB\] (ii)
where \[I\] is the current through the rod.
To move the rod with constant velocity \[20\,{\text{m}}{{\text{s}}^{{\text{ - 1}}}}\], the power needed to given the formula,
\[P = Fv\] (iii)
To find the current, we use the formula
\[I = \dfrac{\varepsilon }{R}\]
Putting the value of \[\varepsilon \] from equation (i) we get,
\[I = \dfrac{{Blv}}{R}\] (iv)
Putting this value of \[I\]in equation (ii) we get,
\[F = \left( {\dfrac{{Blv}}{R}} \right)lB\]
\[ \Rightarrow F = \dfrac{{{B^2}{l^2}v}}{R}\]
Putting this value of \[F\] in equation (iii) we get,
\[P = \left( {\dfrac{{{B^2}{l^2}v}}{R}} \right)v\]
\[ \Rightarrow P = \dfrac{{{B^2}{l^2}{v^2}}}{R}\]
Now, putting the values of \[B\], \[l\], \[v\] and \[R\] we get,
\[ \Rightarrow P = \dfrac{{{1^2} \times {1^2} \times {{20}^2}}}{{0.2}}\]
\[ \Rightarrow P = \dfrac{{400}}{{0.2}}\]
\[ \Rightarrow P = 2000\,{\text{W}}\]
\[ \therefore P = 2\,{\text{kW}}\]
Therefore, the power spent in the process is \[2\,{\text{kW}}\].
Note:According to Faraday’s law of induction, when a closed circuit is placed in the presence of a magnetic field, an electromotive force is induced due to which an induced current is generated in the circuit. And the induced emf is equal to the rate of change of magnetic flux through the circuit.
Complete step by step answer:
Given, a frame CDEF is placed in a region where a magnetic field \[\overrightarrow B \] is present.Length of the movable rod, \[l = 1\,{\text{m}}\].
Velocity of the rod, \[v = 20\,{\text{m}}{{\text{s}}^{{\text{ - 1}}}}\].
Strength of magnetic field, \[B = 1\,{\text{Tesla}}\].
Resistance of the rod, \[R = 0.2\Omega \].
As, the rod PQ is moving outward there will be change in magnetic flux through the frame CDEF which will induce an emf in the frame, that is given by the formula,
\[\varepsilon = Blv\]
where \[l\] is the length of the rod, \[B\] is the strength of the magnetic field and \[v\] is the velocity of the rod.
Due to the presence of magnetic field, when the rod PQ moves it will experience a force. This force is given by the formula,
\[F = IlB\] (ii)
where \[I\] is the current through the rod.
To move the rod with constant velocity \[20\,{\text{m}}{{\text{s}}^{{\text{ - 1}}}}\], the power needed to given the formula,
\[P = Fv\] (iii)
To find the current, we use the formula
\[I = \dfrac{\varepsilon }{R}\]
Putting the value of \[\varepsilon \] from equation (i) we get,
\[I = \dfrac{{Blv}}{R}\] (iv)
Putting this value of \[I\]in equation (ii) we get,
\[F = \left( {\dfrac{{Blv}}{R}} \right)lB\]
\[ \Rightarrow F = \dfrac{{{B^2}{l^2}v}}{R}\]
Putting this value of \[F\] in equation (iii) we get,
\[P = \left( {\dfrac{{{B^2}{l^2}v}}{R}} \right)v\]
\[ \Rightarrow P = \dfrac{{{B^2}{l^2}{v^2}}}{R}\]
Now, putting the values of \[B\], \[l\], \[v\] and \[R\] we get,
\[ \Rightarrow P = \dfrac{{{1^2} \times {1^2} \times {{20}^2}}}{{0.2}}\]
\[ \Rightarrow P = \dfrac{{400}}{{0.2}}\]
\[ \Rightarrow P = 2000\,{\text{W}}\]
\[ \therefore P = 2\,{\text{kW}}\]
Therefore, the power spent in the process is \[2\,{\text{kW}}\].
Note:According to Faraday’s law of induction, when a closed circuit is placed in the presence of a magnetic field, an electromotive force is induced due to which an induced current is generated in the circuit. And the induced emf is equal to the rate of change of magnetic flux through the circuit.
Recently Updated Pages
Master Class 12 Economics: Engaging Questions & Answers for Success

Master Class 12 Physics: Engaging Questions & Answers for Success

Master Class 12 English: Engaging Questions & Answers for Success

Master Class 12 Social Science: Engaging Questions & Answers for Success

Master Class 12 Maths: Engaging Questions & Answers for Success

Master Class 12 Business Studies: Engaging Questions & Answers for Success

Trending doubts
Which are the Top 10 Largest Countries of the World?

What are the major means of transport Explain each class 12 social science CBSE

Draw a labelled sketch of the human eye class 12 physics CBSE

Why cannot DNA pass through cell membranes class 12 biology CBSE

Differentiate between insitu conservation and exsitu class 12 biology CBSE

Draw a neat and well labeled diagram of TS of ovary class 12 biology CBSE

