
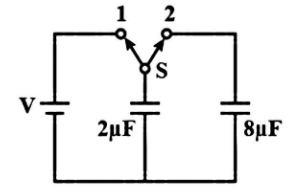
A capacitor of \[2\mu F\] is charged as shown in the diagram. When the switch \[S\] is turned to position \[2\] , the percentage of its stored energy dissipated is:
A. $0\% $
B. $20\% $
C. $75\% $
D. $80\% $
Answer
496.5k+ views
Hint: In order to solve this question first of all we will find the initial energy of capacitance and then find the final energy stored in the capacitor formula of energy stored in a capacitor. After that inorder to get the heat dissipated in the circuit we will find the difference between the final and initial energy.
Complete step by step answer:
Initially, the energy stored in \[2\mu F\] capacitor is
${U_i} = \dfrac{1}{2}C{V^2} \\
\Rightarrow {U_i} = \dfrac{1}{2}\left( {2 \times {{10}^{ - 6}}} \right){V^2} \\
\Rightarrow {U_i} = {V^2} \times {10^{ - 6}}J$
Initially, the charge stored in \[2\mu F\] capacitor is ${Q_i} = CV = \left( {2 \times {{10}^{ - 6}}} \right)V = 2V \times {10^{ - 6}}$ Coulomb. When switch $S$ Is turned to position 2, the charge flow and both the capacitors share charges till a common potential ${V_C}$ is reached.
${V_C} = \dfrac{{total\,charge}}{{total\,capacitance}} \\
\Rightarrow {V_C} = \dfrac{{2V \times {{10}^{ - 6}}}}{{\left( {2 + 8} \right) \times {{10}^{ - 6}}}}
\Rightarrow {V_C} = \dfrac{V}{5}volt \\ $
Therefore, finally the energy stored in both the capacitors is
${U_f} = \dfrac{1}{2}\left[ {\left( {2 + 8} \right) \times {{10}^{ - 6}}} \right]{\left( {\dfrac{V}{5}} \right)^2} \\
\Rightarrow {U_f}= \dfrac{{{V^2}}}{5} \times {10^{ - 6}}J \\ $
$\% $ Loss of energy, $\Delta U = \dfrac{{{U_i} - {U_f}}}{{{U_i}}} \times 100\% $
$\Delta U = \dfrac{{\left( {\dfrac{{{V^2} - {V^2}}}{5}} \right) \times {{10}^{ - 6}}}}{{{V^2} \times {{10}^{ - 6}}}} \times 100\% \\
\therefore \Delta U= 80\% $
Hence the correct option is D.
Note: One should take care that there is no flow of charge in open circuit, in order to maintain the flow of change closed circuit is must. When the switch is shifted from one position to another then there will be a change in the charge flowing path which will change the energy and hence there will be some heat loss.
Complete step by step answer:
Initially, the energy stored in \[2\mu F\] capacitor is
${U_i} = \dfrac{1}{2}C{V^2} \\
\Rightarrow {U_i} = \dfrac{1}{2}\left( {2 \times {{10}^{ - 6}}} \right){V^2} \\
\Rightarrow {U_i} = {V^2} \times {10^{ - 6}}J$
Initially, the charge stored in \[2\mu F\] capacitor is ${Q_i} = CV = \left( {2 \times {{10}^{ - 6}}} \right)V = 2V \times {10^{ - 6}}$ Coulomb. When switch $S$ Is turned to position 2, the charge flow and both the capacitors share charges till a common potential ${V_C}$ is reached.
${V_C} = \dfrac{{total\,charge}}{{total\,capacitance}} \\
\Rightarrow {V_C} = \dfrac{{2V \times {{10}^{ - 6}}}}{{\left( {2 + 8} \right) \times {{10}^{ - 6}}}}
\Rightarrow {V_C} = \dfrac{V}{5}volt \\ $
Therefore, finally the energy stored in both the capacitors is
${U_f} = \dfrac{1}{2}\left[ {\left( {2 + 8} \right) \times {{10}^{ - 6}}} \right]{\left( {\dfrac{V}{5}} \right)^2} \\
\Rightarrow {U_f}= \dfrac{{{V^2}}}{5} \times {10^{ - 6}}J \\ $
$\% $ Loss of energy, $\Delta U = \dfrac{{{U_i} - {U_f}}}{{{U_i}}} \times 100\% $
$\Delta U = \dfrac{{\left( {\dfrac{{{V^2} - {V^2}}}{5}} \right) \times {{10}^{ - 6}}}}{{{V^2} \times {{10}^{ - 6}}}} \times 100\% \\
\therefore \Delta U= 80\% $
Hence the correct option is D.
Note: One should take care that there is no flow of charge in open circuit, in order to maintain the flow of change closed circuit is must. When the switch is shifted from one position to another then there will be a change in the charge flowing path which will change the energy and hence there will be some heat loss.
Recently Updated Pages
The number of solutions in x in 02pi for which sqrt class 12 maths CBSE

Write any two methods of preparation of phenol Give class 12 chemistry CBSE

Differentiate between action potential and resting class 12 biology CBSE

Two plane mirrors arranged at right angles to each class 12 physics CBSE

Which of the following molecules is are chiral A I class 12 chemistry CBSE

Name different types of neurons and give one function class 12 biology CBSE

Trending doubts
Which are the Top 10 Largest Countries of the World?

What are the major means of transport Explain each class 12 social science CBSE

Draw a labelled sketch of the human eye class 12 physics CBSE

Differentiate between insitu conservation and exsitu class 12 biology CBSE

The computer jargonwwww stands for Aworld wide web class 12 physics CBSE

State the principle of an ac generator and explain class 12 physics CBSE

