
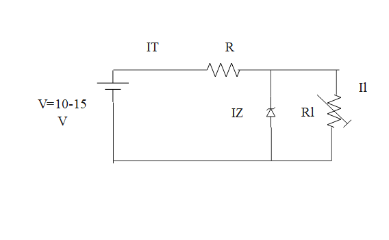
A $5V$ Zener diode is used to regulate the voltage across the load resistor ${{R}_{L}}$ and the input voltage varies in between $10V$ to $15V$. The load current also varies from $5ma\sim 50ma$. Find the value of series resistance r in ohms.
Given, ${{I}_{Z}}$ (min)= $20ma$
$\begin{align}
& a)70 \\
& b)90.91 \\
& c)142.86 \\
& d)71.43 \\
\end{align}$
Answer
575.4k+ views
Hint: Draw a circuit diagram with all the given components. We know the Zener current in a circuit is minimum when the load resistance will be maximum and the input voltage is minimum. Next, using KVL, calculate the minimum voltage. As we now know minimum current and minimum voltage, calculate resistance.
Formula used:
$V=IR$
Complete step-by-step answer:
In any circuit, the Zener current flowing through Zener diode or simply Zener current is minimum when the load resistance is maximum and input voltage is minimum,
Therefore,
${{I}_{T}}={{I}_{Z(}}_{\min )}+{{I}_{L(\max )}}$
Applying KVL to the above circuit,
$\begin{align}
& {{V}_{in(\min )}}-{{V}_{Z}}={{I}_{T}}R \\
& \Rightarrow {{I}_{T}}R=({{I}_{Z(}}_{\min )}+{{I}_{L(\max )}})R \\
& \Rightarrow (10-5)V=[(20+50)\times {{10}^{-3}}]R \\
& \Rightarrow R=\dfrac{5}{70\times {{10}^{-3}}} \\
& \Rightarrow 71.43\Omega \\
\end{align}$
Therefore, the correct option is option d.
So, the correct answer is “Option d”.
Additional Information:
Zener diode is a special type of diode which allows the current to flow backwards when reverse voltage is reached. This reverse voltage is called Zener voltage. Zener voltages will be different for different diodes. Some Zener diodes which have a p-n junction with a low Zener voltage will be a platform where quantum tunnelling occurs from valence to conduction band in the presence of electric field. Zener diodes are used widely in electronic equipment of all kinds and are building blocks of electronic circuits. They are also used to protect circuits from overvoltage, especially in the case of electrostatic discharge.
Note: Zener diodes have poor efficiency for heavy loads because some amount of power is consumed by the Zener and series resistances in comparison to load power. The output voltage slightly changes due to Zener resistance. In the above question, we get minimum Zener current when load resistance is maximum and Zener voltage is minimum.
Formula used:
$V=IR$
Complete step-by-step answer:
In any circuit, the Zener current flowing through Zener diode or simply Zener current is minimum when the load resistance is maximum and input voltage is minimum,
Therefore,
${{I}_{T}}={{I}_{Z(}}_{\min )}+{{I}_{L(\max )}}$
Applying KVL to the above circuit,
$\begin{align}
& {{V}_{in(\min )}}-{{V}_{Z}}={{I}_{T}}R \\
& \Rightarrow {{I}_{T}}R=({{I}_{Z(}}_{\min )}+{{I}_{L(\max )}})R \\
& \Rightarrow (10-5)V=[(20+50)\times {{10}^{-3}}]R \\
& \Rightarrow R=\dfrac{5}{70\times {{10}^{-3}}} \\
& \Rightarrow 71.43\Omega \\
\end{align}$
Therefore, the correct option is option d.
So, the correct answer is “Option d”.
Additional Information:
Zener diode is a special type of diode which allows the current to flow backwards when reverse voltage is reached. This reverse voltage is called Zener voltage. Zener voltages will be different for different diodes. Some Zener diodes which have a p-n junction with a low Zener voltage will be a platform where quantum tunnelling occurs from valence to conduction band in the presence of electric field. Zener diodes are used widely in electronic equipment of all kinds and are building blocks of electronic circuits. They are also used to protect circuits from overvoltage, especially in the case of electrostatic discharge.
Note: Zener diodes have poor efficiency for heavy loads because some amount of power is consumed by the Zener and series resistances in comparison to load power. The output voltage slightly changes due to Zener resistance. In the above question, we get minimum Zener current when load resistance is maximum and Zener voltage is minimum.
Recently Updated Pages
A man running at a speed 5 ms is viewed in the side class 12 physics CBSE

State and explain Hardy Weinbergs Principle class 12 biology CBSE

Which of the following statements is wrong a Amnion class 12 biology CBSE

Two Planoconcave lenses 1 and 2 of glass of refractive class 12 physics CBSE

The compound 2 methyl 2 butene on reaction with NaIO4 class 12 chemistry CBSE

Bacterial cell wall is made up of A Cellulose B Hemicellulose class 12 biology CBSE

Trending doubts
What are the major means of transport Explain each class 12 social science CBSE

Which are the Top 10 Largest Countries of the World?

Explain sex determination in humans with line diag class 12 biology CBSE

Draw a labelled sketch of the human eye class 12 physics CBSE

How much time does it take to bleed after eating p class 12 biology CBSE

Suicide bags of cells are aEndoplasmic reticulum bLysosome class 12 biology CBSE

