
A 30 V, 90 W lamp is operated on a 120 V DC line. A resistor is connected in series with the lamp so that it glows properly. Find the value of resistance.
A) $10\Omega $
B) $30\Omega $
C) $20\Omega $
D) $40\Omega $
Answer
586.5k+ views
Hint:Since a 30 V lamp is connected to a 120 V dc line, the excess potential must be dropped across the resistor connected in series with the lamp. If the potential drop and current through the circuit are obtained, then the resistance can be determined using Ohm’s law.
Formulas used:
-The power drawn by a lamp connected to a dc line is given by, $P = iV$ where $i$ is the current through the lamp and $V$ is the voltage across the lamp.
-The resistance of a resistor is given by, $R = \dfrac{{{V_R}}}{i}$ where ${V_R}$ is the potential drop across the resistor and $i$ is the current through the resistor.
Complete step by step answer.
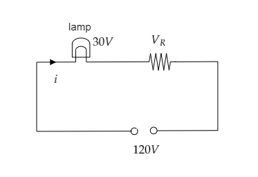
Step 1: Sketch a circuit diagram of the setup and list the parameters known from the question.
In the above diagram, a lamp is connected to a 120 V dc line. A resistor $R$ is also connected in series with the lamp. Here, ${V_R}$ represents the potential drop across the resistor. A current $i$ flows through the circuit.
The voltage of the lamp is $V = 30{\text{V}}$ and the power of the lamp is $P = 90{\text{W}}$.
The voltage of the dc line is given to be ${V_{dc}} = 120{\text{V}}$ .
Step 2: Express the relation for the current passing through the lamp.
The power drawn by a lamp connected to a dc line is given by, $P = iV$ where $i$ is the current through the lamp and $V$ is the voltage across the lamp.
From the above equation, the current through the lamp can be expressed as $i = \dfrac{P}{V}$ -------- (1)
Substituting values for $V = 30{\text{V}}$ and $P = 90{\text{W}}$ in equation (1) we get, $i = \dfrac{{90}}{{30}} = 3{\text{A}}$
Therefore the current passing through the lamp is $i = 3{\text{A}}$ .
Step 3: Express the potential drop across the resistor.
The excess potential from the dc line will be dropped across the resistor.
The excess potential is obtained as ${V_R} = {V_{dc}} - V$
Substituting values for ${V_{dc}} = 120{\text{V}}$ and $V = 30{\text{V}}$ in the above expression we get, ${V_R} = 120 - 30 = 90{\text{V}}$
Thus the potential drop across the resistor is ${V_R} = 90{\text{V}}$ .
Step 4: Using Ohm’s law, find the resistance of the series resistor.
By Ohm’s law, the resistance of the series resistor is given by, $R = \dfrac{{{V_R}}}{i}$ -------- (2)
where ${V_R}$ is the potential drop across the resistor and $i$ is the current through the resistor.
Substituting values for ${V_R} = 90{\text{V}}$ and $i = 3{\text{A}}$ in equation (2) we get, $R = \dfrac{{90}}{3} = 30\Omega $
So the resistance of the series resistor is $R = 30\Omega $ .
Thus the correct option is B.
Note: Here, the current passing through the resistor is the same as the current passing through the bulb. This is because the resistor is connected in series with the lamp. In a series connection, the current through the circuit remains the same but the potential drop across the lamp and the resistor will be different.
Formulas used:
-The power drawn by a lamp connected to a dc line is given by, $P = iV$ where $i$ is the current through the lamp and $V$ is the voltage across the lamp.
-The resistance of a resistor is given by, $R = \dfrac{{{V_R}}}{i}$ where ${V_R}$ is the potential drop across the resistor and $i$ is the current through the resistor.
Complete step by step answer.
Step 1: Sketch a circuit diagram of the setup and list the parameters known from the question.
In the above diagram, a lamp is connected to a 120 V dc line. A resistor $R$ is also connected in series with the lamp. Here, ${V_R}$ represents the potential drop across the resistor. A current $i$ flows through the circuit.
The voltage of the lamp is $V = 30{\text{V}}$ and the power of the lamp is $P = 90{\text{W}}$.
The voltage of the dc line is given to be ${V_{dc}} = 120{\text{V}}$ .
Step 2: Express the relation for the current passing through the lamp.
The power drawn by a lamp connected to a dc line is given by, $P = iV$ where $i$ is the current through the lamp and $V$ is the voltage across the lamp.
From the above equation, the current through the lamp can be expressed as $i = \dfrac{P}{V}$ -------- (1)
Substituting values for $V = 30{\text{V}}$ and $P = 90{\text{W}}$ in equation (1) we get, $i = \dfrac{{90}}{{30}} = 3{\text{A}}$
Therefore the current passing through the lamp is $i = 3{\text{A}}$ .
Step 3: Express the potential drop across the resistor.
The excess potential from the dc line will be dropped across the resistor.
The excess potential is obtained as ${V_R} = {V_{dc}} - V$
Substituting values for ${V_{dc}} = 120{\text{V}}$ and $V = 30{\text{V}}$ in the above expression we get, ${V_R} = 120 - 30 = 90{\text{V}}$
Thus the potential drop across the resistor is ${V_R} = 90{\text{V}}$ .
Step 4: Using Ohm’s law, find the resistance of the series resistor.
By Ohm’s law, the resistance of the series resistor is given by, $R = \dfrac{{{V_R}}}{i}$ -------- (2)
where ${V_R}$ is the potential drop across the resistor and $i$ is the current through the resistor.
Substituting values for ${V_R} = 90{\text{V}}$ and $i = 3{\text{A}}$ in equation (2) we get, $R = \dfrac{{90}}{3} = 30\Omega $
So the resistance of the series resistor is $R = 30\Omega $ .
Thus the correct option is B.
Note: Here, the current passing through the resistor is the same as the current passing through the bulb. This is because the resistor is connected in series with the lamp. In a series connection, the current through the circuit remains the same but the potential drop across the lamp and the resistor will be different.
Recently Updated Pages
Master Class 12 Economics: Engaging Questions & Answers for Success

Master Class 12 Physics: Engaging Questions & Answers for Success

Master Class 12 English: Engaging Questions & Answers for Success

Master Class 12 Social Science: Engaging Questions & Answers for Success

Master Class 12 Maths: Engaging Questions & Answers for Success

Master Class 12 Business Studies: Engaging Questions & Answers for Success

Trending doubts
Which are the Top 10 Largest Countries of the World?

What are the major means of transport Explain each class 12 social science CBSE

Draw a labelled sketch of the human eye class 12 physics CBSE

Why cannot DNA pass through cell membranes class 12 biology CBSE

Differentiate between insitu conservation and exsitu class 12 biology CBSE

Draw a neat and well labeled diagram of TS of ovary class 12 biology CBSE

