
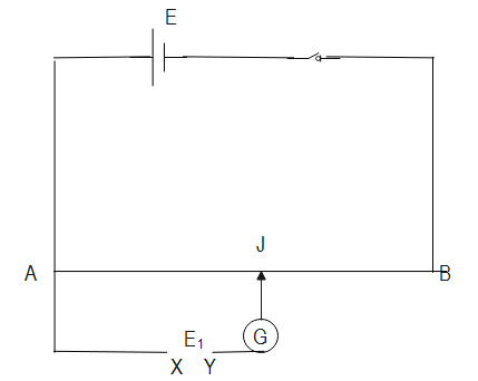
While doing an experiment with potentiometer (figure) it was found that the deflection is one sided and (i) the deflection decreased while moving from one end A of the wire, to the end R; (ii) the deflation increased, while the jockey was removed towards the end D.
Which terminal positive or negative of the cell ${E_1}$ is connected at X in case
(i) and how is ${E_1}$ related to E?
(ii) Which terminal of the cell ${E_1}$ is connected at X in case (ii)?
Answer
570k+ views
Hint: In this question, we will use the basics of an electrical circuit, i.e., learn about the flow of current in primary cell and other. Further the use of jockey will also help us to answer this question. Also, we will learn about the basics of a circuit, mainly a series circuit, for our better understanding.
Complete answer:
Here, when we observe the current in the auxiliary circuit or the lower circuit containing primary cell, decreases, and so the potential difference across A and jockey J increases. Then in this case, the deflection in the galvanometer is one sided and so, the deflection is decreased, while moving from one end of the wire to the other end of wire i.e., from A to S.
Therefore, this is possible only when the positive terminal of the cell ${E_1}$ is connected at X and also when ${E_1}$ > E.
In the second case, when the current in the auxiliary circuit increases, and potential difference across A and jockey J increases, then the deflection in the galvanometer is also observed to be one sided.
Therefore, this is possible only when the negative terminal of the cell ${E_1}$ is connected at X.
Additional information:
We should know that in a series circuit, the output current of the first resistor flows into the input of the second resistor; so, the current is the same in each resistor whereas In a parallel circuit, all of the resistor are on connected together on one side and all the leads on the other side are connected together.
In a circuit if the resistance is constant over a range of voltage, then I = V/R, can be used to predict the behavior of the material. This involves DC current and voltage, it is the same for the resistors. Further, a material obeys Ohm's law or does not obey; the resistance of the material can be described in terms of its bulk. The resistivity, and the resistance both, is temperature dependent. Over certain ranges of temperature, this temperature dependence can be predicted from resistance.
Note:
In series connection the resistances are directly added whereas in parallel connection resistance is added inversely. Internal resistance of a circuit refers to the opposition to the flow of current offered by the cells and batteries themselves thereby, resulting in the generation of heat. Internal resistance and resistance both are measured in Ohms.
Complete answer:
Here, when we observe the current in the auxiliary circuit or the lower circuit containing primary cell, decreases, and so the potential difference across A and jockey J increases. Then in this case, the deflection in the galvanometer is one sided and so, the deflection is decreased, while moving from one end of the wire to the other end of wire i.e., from A to S.
Therefore, this is possible only when the positive terminal of the cell ${E_1}$ is connected at X and also when ${E_1}$ > E.
In the second case, when the current in the auxiliary circuit increases, and potential difference across A and jockey J increases, then the deflection in the galvanometer is also observed to be one sided.
Therefore, this is possible only when the negative terminal of the cell ${E_1}$ is connected at X.
Additional information:
We should know that in a series circuit, the output current of the first resistor flows into the input of the second resistor; so, the current is the same in each resistor whereas In a parallel circuit, all of the resistor are on connected together on one side and all the leads on the other side are connected together.
In a circuit if the resistance is constant over a range of voltage, then I = V/R, can be used to predict the behavior of the material. This involves DC current and voltage, it is the same for the resistors. Further, a material obeys Ohm's law or does not obey; the resistance of the material can be described in terms of its bulk. The resistivity, and the resistance both, is temperature dependent. Over certain ranges of temperature, this temperature dependence can be predicted from resistance.
Note:
In series connection the resistances are directly added whereas in parallel connection resistance is added inversely. Internal resistance of a circuit refers to the opposition to the flow of current offered by the cells and batteries themselves thereby, resulting in the generation of heat. Internal resistance and resistance both are measured in Ohms.
Recently Updated Pages
Master Class 11 Computer Science: Engaging Questions & Answers for Success

Master Class 11 Business Studies: Engaging Questions & Answers for Success

Master Class 11 Economics: Engaging Questions & Answers for Success

Master Class 11 English: Engaging Questions & Answers for Success

Master Class 11 Maths: Engaging Questions & Answers for Success

Master Class 11 Biology: Engaging Questions & Answers for Success

Trending doubts
One Metric ton is equal to kg A 10000 B 1000 C 100 class 11 physics CBSE

There are 720 permutations of the digits 1 2 3 4 5 class 11 maths CBSE

Discuss the various forms of bacteria class 11 biology CBSE

Draw a diagram of a plant cell and label at least eight class 11 biology CBSE

State the laws of reflection of light

Explain zero factorial class 11 maths CBSE

