
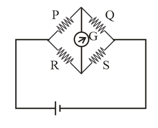
When the value of R in the Balanced Wheatstone bridge shown in figure is increased from 5W to 7W, the value of S has to be increased by 3W in order to maintain the balance. What is the initial value of S ?
(A) 1.5W
(B) 3W
(C) 5W
(D) 7.5W
Answer
581.7k+ views
Hint:In order to solve this question,we use the balancing condition of the Wheatstone bridge which state that if $\dfrac{P}{Q} = \dfrac{R}{S}$ then current through the galvanometer is zero.
Complete Step by Step Answer:Wheatstone bridge is an arrangement of 4 resistance and galvanometer with one battery as shown in diagram.
In the balancing condition of Wheatstone bridge, the current flowing in galvanometer is zero and the relation between resistances P, Q, R & S is given as
$\dfrac{P}{Q} = \dfrac{R}{S}$ …..(1)
Given that initial value of $R = 5W$
So, $\dfrac{P}{Q} = \dfrac{{5W}}{S}$ …..(2)
Also given that final value of $R = 7W$
Final value of S is $S + 3$ and P and Q does not change.
So, $\dfrac{P}{q} = \dfrac{{7W}}{{S + 3}}$ …..(3)
From equation 2 & 3
$\dfrac{5}{S} = \dfrac{7}{{S + 3}}$
$5(S + 3) = 7S$
$5S + 15 = 7S$
$7S - SS = 15$
$2S = 15$
$S = \dfrac{{15}}{2}$
$S = 7W$
So, option D is correct answer $7.5W$
Note: If the current flowing in galvanometer is O, then Wheatstone is balanced & relation between P, Q, R & S is given as $\dfrac{P}{Q} = \dfrac{R}{S}$
If the current flowing in galvanometer is not zero then Wheatstone bridge is not balanced & $\dfrac{P}{Q} \ne \dfrac{R}{S}$
Complete Step by Step Answer:Wheatstone bridge is an arrangement of 4 resistance and galvanometer with one battery as shown in diagram.
In the balancing condition of Wheatstone bridge, the current flowing in galvanometer is zero and the relation between resistances P, Q, R & S is given as
$\dfrac{P}{Q} = \dfrac{R}{S}$ …..(1)
Given that initial value of $R = 5W$
So, $\dfrac{P}{Q} = \dfrac{{5W}}{S}$ …..(2)
Also given that final value of $R = 7W$
Final value of S is $S + 3$ and P and Q does not change.
So, $\dfrac{P}{q} = \dfrac{{7W}}{{S + 3}}$ …..(3)
From equation 2 & 3
$\dfrac{5}{S} = \dfrac{7}{{S + 3}}$
$5(S + 3) = 7S$
$5S + 15 = 7S$
$7S - SS = 15$
$2S = 15$
$S = \dfrac{{15}}{2}$
$S = 7W$
So, option D is correct answer $7.5W$
Note: If the current flowing in galvanometer is O, then Wheatstone is balanced & relation between P, Q, R & S is given as $\dfrac{P}{Q} = \dfrac{R}{S}$
If the current flowing in galvanometer is not zero then Wheatstone bridge is not balanced & $\dfrac{P}{Q} \ne \dfrac{R}{S}$
Recently Updated Pages
The number of solutions in x in 02pi for which sqrt class 12 maths CBSE

Write any two methods of preparation of phenol Give class 12 chemistry CBSE

Differentiate between action potential and resting class 12 biology CBSE

Two plane mirrors arranged at right angles to each class 12 physics CBSE

Which of the following molecules is are chiral A I class 12 chemistry CBSE

Name different types of neurons and give one function class 12 biology CBSE

Trending doubts
Which are the Top 10 Largest Countries of the World?

What are the major means of transport Explain each class 12 social science CBSE

Draw a labelled sketch of the human eye class 12 physics CBSE

Differentiate between insitu conservation and exsitu class 12 biology CBSE

The computer jargonwwww stands for Aworld wide web class 12 physics CBSE

State the principle of an ac generator and explain class 12 physics CBSE

