
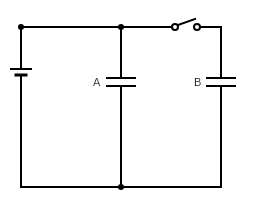
Two identified parallel plate capacitors A and B are connected to a battery of V volts with the switch S closed. The switch is now opened and the free space between the plates of the capacitors is filled with a dielectric of dielectric constant K. Find the ratio of the total electrostatic energy stored in both capacitors before and after the introduction of the dielectric.
Answer
544.8k+ views
Hint: It is given that when the switch is closed, there is a current V flowing through the capacitors. Find the total energy by adding up the energy contributed by each capacitor. When the switch is opened and the di-electric is filled in between, calculate the total energy in this case and find the ratio of the same.
Complete step by step answer
When switch S is closed, there is a current I flowing through the circuit which has a potential difference of V volts from the source. Energy emitted by a capacitor in this case is expressed as the product of its capacitance and the square of the voltage flowing through the capacitor. This is mathematically represented as ,
$ \Rightarrow Q = \dfrac{1}{2}C{V^2} $ (where C is the capacitance of the capacitor and V is the voltage flowing across)
Now when switch S is closed, the total energy given out by the system is given as,
$ \Rightarrow E = {Q_A} + {Q_B} $
Where $ {Q_A} $ is energy given out by capacitor A and $ {Q_B} $ is energy given out by capacitor B.
$ \Rightarrow {Q_A} = {Q_B} = \dfrac{1}{2}C{V^2} $
The overall energy can be written as ,
$ \Rightarrow E = C{V^2} $
Now, when the switch is open and the di-electric of di-electric constant K is inserted between the parallel plate capacitors, there will be a flow of voltage V across the capacitor A. Whereas in capacitor B the stored voltage will be flowing across the plates, which is denoted by $ {V'} $ . Now , total energy of the system is again the sum of the individual energy possessed by the capacitors
$ \Rightarrow {E'} = {Q_A} + {Q_B} $
Now, energy across the capacitor A is given as,
$ \Rightarrow {Q_A} = \dfrac{1}{2}(KC){V^2} $ , Where K is the di-electric constant.
In case of capacitor B, the voltage flowing across the plates will be the stored voltage $ {V'} $ . This can be represented as $ {V'} = \dfrac{V}{K} $ . Using this, the energy across capacitor B is,
$ \Rightarrow {Q_B} = \dfrac{1}{2}(KC)V{'^2} $
On substituting and cancelling the common term, we get,
$ \Rightarrow {Q_B} = \dfrac{1}{2}\dfrac{{C{V^2}}}{K} $
Now total energy $ {E'} $ is given as,
$ \Rightarrow {E'} = {Q_A} + {Q_B} $
On substituting ,
$ \Rightarrow {E'} = \dfrac{1}{2}KC{V^2} + \dfrac{1}{2}\dfrac{{C{V^2}}}{K} $
Taking the common term, we get,
$ \Rightarrow {E'} = \dfrac{1}{2}C{V^2}(K + \dfrac{1}{K}) $
On simplifying, we get,
$ \Rightarrow {E'} = \dfrac{1}{2}C{V^2}(\dfrac{{{K^2} + 1}}{K}) $
Now, the ratio between the first and second case is given as ,
$ \Rightarrow \dfrac{E}{{{E'}}} = \dfrac{{C{V^2}}}{{\dfrac{1}{2}C{V^2}(\dfrac{{{K^2} + 1}}{K})}} $
On removing the common term and taking the denominator term to numerator , we get,
$ \Rightarrow \dfrac{E}{{{E'}}} = \dfrac{{2K}}{{{K^2} + 1}} $
Hence, the ratio of the total electrostatic energy stored in both capacitors before and after introduction of di-electric is found out.
Note
In a parallel plate capacitor setup, the capacitance depends upon the charge flowing between the plate and the Voltage applied through the circuit, the area between the plate and the permissibility factor.
Complete step by step answer
When switch S is closed, there is a current I flowing through the circuit which has a potential difference of V volts from the source. Energy emitted by a capacitor in this case is expressed as the product of its capacitance and the square of the voltage flowing through the capacitor. This is mathematically represented as ,
$ \Rightarrow Q = \dfrac{1}{2}C{V^2} $ (where C is the capacitance of the capacitor and V is the voltage flowing across)
Now when switch S is closed, the total energy given out by the system is given as,
$ \Rightarrow E = {Q_A} + {Q_B} $
Where $ {Q_A} $ is energy given out by capacitor A and $ {Q_B} $ is energy given out by capacitor B.
$ \Rightarrow {Q_A} = {Q_B} = \dfrac{1}{2}C{V^2} $
The overall energy can be written as ,
$ \Rightarrow E = C{V^2} $
Now, when the switch is open and the di-electric of di-electric constant K is inserted between the parallel plate capacitors, there will be a flow of voltage V across the capacitor A. Whereas in capacitor B the stored voltage will be flowing across the plates, which is denoted by $ {V'} $ . Now , total energy of the system is again the sum of the individual energy possessed by the capacitors
$ \Rightarrow {E'} = {Q_A} + {Q_B} $
Now, energy across the capacitor A is given as,
$ \Rightarrow {Q_A} = \dfrac{1}{2}(KC){V^2} $ , Where K is the di-electric constant.
In case of capacitor B, the voltage flowing across the plates will be the stored voltage $ {V'} $ . This can be represented as $ {V'} = \dfrac{V}{K} $ . Using this, the energy across capacitor B is,
$ \Rightarrow {Q_B} = \dfrac{1}{2}(KC)V{'^2} $
On substituting and cancelling the common term, we get,
$ \Rightarrow {Q_B} = \dfrac{1}{2}\dfrac{{C{V^2}}}{K} $
Now total energy $ {E'} $ is given as,
$ \Rightarrow {E'} = {Q_A} + {Q_B} $
On substituting ,
$ \Rightarrow {E'} = \dfrac{1}{2}KC{V^2} + \dfrac{1}{2}\dfrac{{C{V^2}}}{K} $
Taking the common term, we get,
$ \Rightarrow {E'} = \dfrac{1}{2}C{V^2}(K + \dfrac{1}{K}) $
On simplifying, we get,
$ \Rightarrow {E'} = \dfrac{1}{2}C{V^2}(\dfrac{{{K^2} + 1}}{K}) $
Now, the ratio between the first and second case is given as ,
$ \Rightarrow \dfrac{E}{{{E'}}} = \dfrac{{C{V^2}}}{{\dfrac{1}{2}C{V^2}(\dfrac{{{K^2} + 1}}{K})}} $
On removing the common term and taking the denominator term to numerator , we get,
$ \Rightarrow \dfrac{E}{{{E'}}} = \dfrac{{2K}}{{{K^2} + 1}} $
Hence, the ratio of the total electrostatic energy stored in both capacitors before and after introduction of di-electric is found out.
Note
In a parallel plate capacitor setup, the capacitance depends upon the charge flowing between the plate and the Voltage applied through the circuit, the area between the plate and the permissibility factor.
Recently Updated Pages
Master Class 12 Business Studies: Engaging Questions & Answers for Success

Master Class 12 Economics: Engaging Questions & Answers for Success

Master Class 12 English: Engaging Questions & Answers for Success

Master Class 12 Maths: Engaging Questions & Answers for Success

Master Class 12 Social Science: Engaging Questions & Answers for Success

Master Class 12 Chemistry: Engaging Questions & Answers for Success

Trending doubts
What are the major means of transport Explain each class 12 social science CBSE

Which are the Top 10 Largest Countries of the World?

Draw a labelled sketch of the human eye class 12 physics CBSE

Explain sex determination in humans with line diag class 12 biology CBSE

The pH of the pancreatic juice is A 64 B 86 C 120 D class 12 biology CBSE

Explain sex determination in humans with the help of class 12 biology CBSE

