
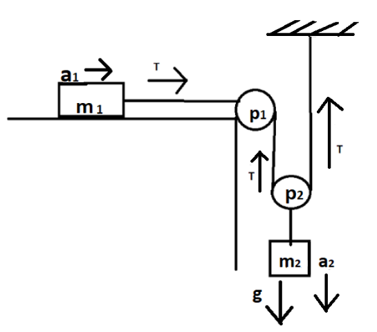
Two blocks of masses ${m_1} = 1.5kg$ and ${m_2} = 2kg$ are attached to each other by strings and pulleys as shown in figure. Assume that pulleys are massless and frictionless and strings are massless. The system is released. If the table is frictionless, find the acceleration of ${m_1}$ and ${m_2}$. Take $g = 10m{s^{ - 2}}$
A. $5m{s^{ - 2}}$and $2.5m{s^{ - 2}}$
B. $10m{s^{ - 2}}$ and $5m{s^{ - 2}}$
C. $15m{s^{ - 2}}$ and $7.5m{s^{ - 2}}$
D. $20m{s^{ - 2}}$ and $10m{s^{ - 2}}$
Answer
543k+ views
Hint:To find the acceleration along the two masses we have to find the motion in which the respective masses are moving after that we can apply the formula for tension. Tension is defined as the product of masses and the gravitational force $\left( g \right)$ subtracting the acceleration. After getting the equation of tension we can simply find the acceleration.
Complete step by step answer:
Consider two masses ${m_1}$ and ${m_2}$ as shown in figure. Applying tension $\left( T \right)$ on the two masses, mass ${m_1}$ is moveable because the mass of the first one is lesser than the second one hence the force applied by the second one should be larger. The acceleration on the masses is given by ${a_1}$and ${a_2}$ respectively. Applying tension trick,
$T{a_1} - 2T{a_2} = 0$
The tension on ${m_2}$ is upward on ${P_1}$ and the second tension is applied upward towards a fixed path. Hence, $2T$is applied on ${m_2}$.
$ \Rightarrow T{a_1} = 2T{a_2}$
${a_1} = 2a_2^{}$ $ \ldots \ldots \left( 1 \right)$
Now applying forces on the block one, tension is pulling the box in right direction and also acceleration is applying in right hand direction $T = \left( {{m_1}{a_1}} \right) = \left( {1.5} \right){a_1}$ $ \ldots \ldots \left( 2 \right)$
Force on the second block be given the acceleration is pulling the block downward due to gravity.
$2g - 2T = {a_2}$ $ \ldots \ldots \left( 3 \right)$
Solving these three equations:
Putting vale of $\left( 1 \right)$ in $\left( 2 \right)$ , $T = \left( {1.5} \right)2{a_2}$ $ \ldots \ldots \left( 4 \right)$
Solving equations $\left( 3 \right)$ and $\left( 4 \right)$
$2g = 4{a_2}$
Hence, ${a_2} = \dfrac{{10}}{2} = 5m{s^{ - 2}}$
Putting in $\left( 1 \right)$
$\therefore{a_1} = 2\left( 5 \right) = 10m{s^{ - 2}}$
Hence the option that matches our answer is B.
Note:Tension is applied by means of string, cable, chain or a dimensional block. Tension can also be named as an action-reaction pair of forces acting at the end of block. Tension is opposite of compression. Length of the strings do not affect the tension.
Complete step by step answer:
Consider two masses ${m_1}$ and ${m_2}$ as shown in figure. Applying tension $\left( T \right)$ on the two masses, mass ${m_1}$ is moveable because the mass of the first one is lesser than the second one hence the force applied by the second one should be larger. The acceleration on the masses is given by ${a_1}$and ${a_2}$ respectively. Applying tension trick,
$T{a_1} - 2T{a_2} = 0$
The tension on ${m_2}$ is upward on ${P_1}$ and the second tension is applied upward towards a fixed path. Hence, $2T$is applied on ${m_2}$.
$ \Rightarrow T{a_1} = 2T{a_2}$
${a_1} = 2a_2^{}$ $ \ldots \ldots \left( 1 \right)$
Now applying forces on the block one, tension is pulling the box in right direction and also acceleration is applying in right hand direction $T = \left( {{m_1}{a_1}} \right) = \left( {1.5} \right){a_1}$ $ \ldots \ldots \left( 2 \right)$
Force on the second block be given the acceleration is pulling the block downward due to gravity.
$2g - 2T = {a_2}$ $ \ldots \ldots \left( 3 \right)$
Solving these three equations:
Putting vale of $\left( 1 \right)$ in $\left( 2 \right)$ , $T = \left( {1.5} \right)2{a_2}$ $ \ldots \ldots \left( 4 \right)$
Solving equations $\left( 3 \right)$ and $\left( 4 \right)$
$2g = 4{a_2}$
Hence, ${a_2} = \dfrac{{10}}{2} = 5m{s^{ - 2}}$
Putting in $\left( 1 \right)$
$\therefore{a_1} = 2\left( 5 \right) = 10m{s^{ - 2}}$
Hence the option that matches our answer is B.
Note:Tension is applied by means of string, cable, chain or a dimensional block. Tension can also be named as an action-reaction pair of forces acting at the end of block. Tension is opposite of compression. Length of the strings do not affect the tension.
Recently Updated Pages
Why are manures considered better than fertilizers class 11 biology CBSE

Find the coordinates of the midpoint of the line segment class 11 maths CBSE

Distinguish between static friction limiting friction class 11 physics CBSE

The Chairman of the constituent Assembly was A Jawaharlal class 11 social science CBSE

The first National Commission on Labour NCL submitted class 11 social science CBSE

Number of all subshell of n + l 7 is A 4 B 5 C 6 D class 11 chemistry CBSE

Trending doubts
Differentiate between an exothermic and an endothermic class 11 chemistry CBSE

10 examples of friction in our daily life

One Metric ton is equal to kg A 10000 B 1000 C 100 class 11 physics CBSE

Difference Between Prokaryotic Cells and Eukaryotic Cells

1 Quintal is equal to a 110 kg b 10 kg c 100kg d 1000 class 11 physics CBSE

State the laws of reflection of light

