
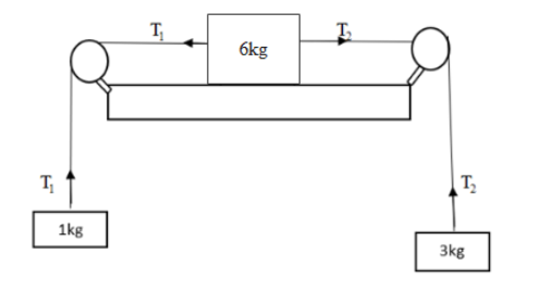
Three masses of \[1kg,6kg{\text{ and }}3kg\]are connected to each other with threads and are placed as shown in the figure. What is the acceleration with which the system is moving? (Take$g{\text{ }} = {\text{ }}10m{s^{ - 2}}$)
$
{\text{A}}{\text{. zero}} \\
{\text{B}}{\text{. 1}}m{s^{ - 2}} \\
{\text{C}}{\text{. 2}}m{s^{ - 2}} \\
{\text{D}}{\text{. 3}}m{s^{ - 2}} \\
$
Answer
585.9k+ views
Hint: For the given diagram, first we need to convert it into a free body diagram where we can see all the forces acting on the various masses and the tensions in the string due to these masses. From the diagram, we can write equations to find the required acceleration in the system.
Formula used:
The weight of an object or gravitational force acting on an object is given as
$F = mg$
Here m is the mass of the body while g represents the acceleration due to gravity. This force produces tension T in the string if the mass is connected to some other mass through a string.
Newton’s second law is given as
$F = ma$
Here a is the acceleration produced in a body of mass m by a force F.
Complete step by step answer:
Let us consider 3 masses connected as shown in the figure.
Let ${{\text{m}}_{\text{1}}}{\text{ = 1kg, }}{{\text{m}}_{\text{2}}}{\text{ = 6kg and }}{{\text{m}}_{\text{3}}}{\text{ = 3kg}}$ and acceleration of the system is a and tension in the string are ${T_1}{\text{ and }}{{\text{T}}_2}$ as shown in the figure.
So first let us consider forces on ${m_1}$ from free body diagram-
${T_1} - {m_1}g = {m_1}a$ …… (1)
Similarly, on ${{\text{m}}_{\text{2}}}$ it is given by:
${T_2} - {T_1} = {m_2}a$ …. (2)
And equation of motion of ${m_3}$ is
${m_3}g - {T_2} = {m_3}a$ ….. (3)
On adding these three equations we get
$
{T_1} - {m_1}g = {m_1}a \\
+ \\
{T_2} - {T_1} = {m_2}a \\
+ \\
{m_3}g - {T_2} = {m_3}a \\
$
\[
{m_3}g - {m_1}g = \left( {{m_1} + {m_2} + {m_3}} \right)a \\
\therefore a = \dfrac{{\left( {{m_3} - {m_1}} \right)g}}{{\left( {{m_1} + {m_2} + {m_3}} \right)}} \\
\]
Substituting the known values, we get,
$
a = \dfrac{{\left( {3 - 1} \right)10}}{{\left( {1 + 6 + 3} \right)}}m{s^{ - 2}} \\
a = \dfrac{{2 \times 10}}{{10}} = 2m{s^{ - 2}} \\
$
Thus, the correct answer is option B.
Note: While writing an equation of motion of an object, students may get confused which force to consider first and which one to subtract. Consider equation (3), it is-
${m_3}g - {T_2} = {m_3}a$ but if you write ${T_2} - {m_3}g = {m_3}a$ you will get wrong answer because whenever there are two forces acting on an object the mass will be accelerated in the resultant force direction.
So, it is always higher force – lower force = resultant force along with which body accelerates.
Formula used:
The weight of an object or gravitational force acting on an object is given as
$F = mg$
Here m is the mass of the body while g represents the acceleration due to gravity. This force produces tension T in the string if the mass is connected to some other mass through a string.
Newton’s second law is given as
$F = ma$
Here a is the acceleration produced in a body of mass m by a force F.
Complete step by step answer:
Let us consider 3 masses connected as shown in the figure.
Let ${{\text{m}}_{\text{1}}}{\text{ = 1kg, }}{{\text{m}}_{\text{2}}}{\text{ = 6kg and }}{{\text{m}}_{\text{3}}}{\text{ = 3kg}}$ and acceleration of the system is a and tension in the string are ${T_1}{\text{ and }}{{\text{T}}_2}$ as shown in the figure.
So first let us consider forces on ${m_1}$ from free body diagram-
${T_1} - {m_1}g = {m_1}a$ …… (1)
Similarly, on ${{\text{m}}_{\text{2}}}$ it is given by:
${T_2} - {T_1} = {m_2}a$ …. (2)
And equation of motion of ${m_3}$ is
${m_3}g - {T_2} = {m_3}a$ ….. (3)
On adding these three equations we get
$
{T_1} - {m_1}g = {m_1}a \\
+ \\
{T_2} - {T_1} = {m_2}a \\
+ \\
{m_3}g - {T_2} = {m_3}a \\
$
\[
{m_3}g - {m_1}g = \left( {{m_1} + {m_2} + {m_3}} \right)a \\
\therefore a = \dfrac{{\left( {{m_3} - {m_1}} \right)g}}{{\left( {{m_1} + {m_2} + {m_3}} \right)}} \\
\]
Substituting the known values, we get,
$
a = \dfrac{{\left( {3 - 1} \right)10}}{{\left( {1 + 6 + 3} \right)}}m{s^{ - 2}} \\
a = \dfrac{{2 \times 10}}{{10}} = 2m{s^{ - 2}} \\
$
Thus, the correct answer is option B.
Note: While writing an equation of motion of an object, students may get confused which force to consider first and which one to subtract. Consider equation (3), it is-
${m_3}g - {T_2} = {m_3}a$ but if you write ${T_2} - {m_3}g = {m_3}a$ you will get wrong answer because whenever there are two forces acting on an object the mass will be accelerated in the resultant force direction.
So, it is always higher force – lower force = resultant force along with which body accelerates.
Recently Updated Pages
Why are manures considered better than fertilizers class 11 biology CBSE

Find the coordinates of the midpoint of the line segment class 11 maths CBSE

Distinguish between static friction limiting friction class 11 physics CBSE

The Chairman of the constituent Assembly was A Jawaharlal class 11 social science CBSE

The first National Commission on Labour NCL submitted class 11 social science CBSE

Number of all subshell of n + l 7 is A 4 B 5 C 6 D class 11 chemistry CBSE

Trending doubts
Differentiate between an exothermic and an endothermic class 11 chemistry CBSE

10 examples of friction in our daily life

One Metric ton is equal to kg A 10000 B 1000 C 100 class 11 physics CBSE

Difference Between Prokaryotic Cells and Eukaryotic Cells

1 Quintal is equal to a 110 kg b 10 kg c 100kg d 1000 class 11 physics CBSE

State the laws of reflection of light

