
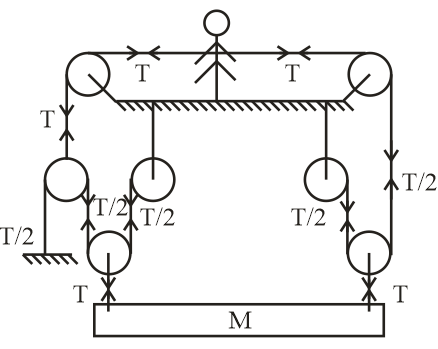
The system is shown in the figure and the man is pulling the rope from both sides with constant speed u. Then the speed of the block will be $($M moves vertical$)$
(A) $\dfrac{{3u}}{4}$
(B) $\dfrac{{3u}}{2}$
(C) $\dfrac{u}{4}$
(D) None of these
Answer
565.5k+ views
Hint: In a given problem, there are one block, and 7 pulleys in the system. So, first remember the concept of 2 block and one pulley system i.e.,
Velocity of pulley is the average velocity of string on both sides.
Now using the above concept, we will calculate the velocity of the block.
Complete step by step answer:
Here given that a man is pulling the rope from both sides with constant speed u.
We know that velocity of pulley is average of velocities of string on both sides.
So, from diagram
$u = \dfrac{{0 + {v_1}}}{2} \Rightarrow u = \dfrac{{{v_1}}}{2}$
${v_1} = 2u$ …..(1)
Now again from diagram
Velocity of block $ \Rightarrow v = \dfrac{{{v_1} + {v_2}}}{2}$
$2v = {v_1} + {v_2}$ …..(2)
And from diagram we can also write
$v = \dfrac{{u - {v_2}}}{2}$
$2v = u - {v_2}$ …..(3)
From equation 2 + 3
$4v = {v_1} + u$ …..(4)
From equation 1 and 4
$4v = 2u + u$
$\implies 4v = 3u$
$\therefore v = \dfrac{{3u}}{4}$
So, the velocity of the block is $\dfrac{3}{4}$ times of speed $u$.
So, the correct answer is “Option A”.
Note:
Alternatively, this problem also can be solved by tension division as
A man is pulling the rope from both sides with constant speed u.
According to the diagram.
Applying of virtual work method $\Sigma \overrightarrow T \cdot \overrightarrow V = 0$
Let the velocity of mass M be v in upward direction now,
$ - Tu - \dfrac{{uT}}{2} + 2Tv = 0$
$\implies - \dfrac{{2Tu - Tu}}{2} = - 2Tv$
$\implies \dfrac{{ - 3Tu}}{2} = - 2Tv$
$\therefore v = \dfrac{{3u}}{4}$
Hence, the speed of the block will be $\dfrac{{3u}}{4}$.
Velocity of pulley is the average velocity of string on both sides.
Now using the above concept, we will calculate the velocity of the block.
Complete step by step answer:
Here given that a man is pulling the rope from both sides with constant speed u.
We know that velocity of pulley is average of velocities of string on both sides.
So, from diagram
$u = \dfrac{{0 + {v_1}}}{2} \Rightarrow u = \dfrac{{{v_1}}}{2}$
${v_1} = 2u$ …..(1)
Now again from diagram
Velocity of block $ \Rightarrow v = \dfrac{{{v_1} + {v_2}}}{2}$
$2v = {v_1} + {v_2}$ …..(2)
And from diagram we can also write
$v = \dfrac{{u - {v_2}}}{2}$
$2v = u - {v_2}$ …..(3)
From equation 2 + 3
$4v = {v_1} + u$ …..(4)
From equation 1 and 4
$4v = 2u + u$
$\implies 4v = 3u$
$\therefore v = \dfrac{{3u}}{4}$
So, the velocity of the block is $\dfrac{3}{4}$ times of speed $u$.
So, the correct answer is “Option A”.
Note:
Alternatively, this problem also can be solved by tension division as
A man is pulling the rope from both sides with constant speed u.
According to the diagram.
Applying of virtual work method $\Sigma \overrightarrow T \cdot \overrightarrow V = 0$
Let the velocity of mass M be v in upward direction now,
$ - Tu - \dfrac{{uT}}{2} + 2Tv = 0$
$\implies - \dfrac{{2Tu - Tu}}{2} = - 2Tv$
$\implies \dfrac{{ - 3Tu}}{2} = - 2Tv$
$\therefore v = \dfrac{{3u}}{4}$
Hence, the speed of the block will be $\dfrac{{3u}}{4}$.
Recently Updated Pages
Why are manures considered better than fertilizers class 11 biology CBSE

Find the coordinates of the midpoint of the line segment class 11 maths CBSE

Distinguish between static friction limiting friction class 11 physics CBSE

The Chairman of the constituent Assembly was A Jawaharlal class 11 social science CBSE

The first National Commission on Labour NCL submitted class 11 social science CBSE

Number of all subshell of n + l 7 is A 4 B 5 C 6 D class 11 chemistry CBSE

Trending doubts
What is meant by exothermic and endothermic reactions class 11 chemistry CBSE

10 examples of friction in our daily life

One Metric ton is equal to kg A 10000 B 1000 C 100 class 11 physics CBSE

1 Quintal is equal to a 110 kg b 10 kg c 100kg d 1000 class 11 physics CBSE

Difference Between Prokaryotic Cells and Eukaryotic Cells

What are Quantum numbers Explain the quantum number class 11 chemistry CBSE

