
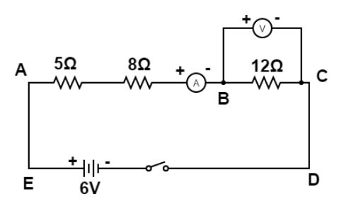
What would be the readings in ammeter and voltmeter when the key is closed?
Answer
485.7k+ views
Hint: In order to solve this question, we need to understand ammeter and voltmeter. Ammeter is an electrical device which is used to measure currents up to microampere in circuit. In an ideal ammeter, a very low resistance is connected in parallel so that it can measure up to maximum current. Voltmeter is an electrical device that is used to measure voltage in a circuit. In an ideal voltmeter, a very high resistance is connected in series.An ammeter is always connected in series in circuit to measure maximum current and voltmeter is always connected in parallel to circuit so that it can measure voltage accurately.
Complete step by step answer:
For Ammeter reading we need to find current in the circuit, which can be found using Kirchhoff’s voltage law, which states that voltage across the loop must be zero.
Let “$i$” current flowing in the circuit, then using Kirchhoff law which says that the sum of all potentials in a closed loop is zero while moving in particular direction, moving in loop ABCDEA we get,
$ - 6 + i(5\Omega ) + i(8\Omega ) + i(12\Omega ) = 0$
Solving we get, $i(5 + 8 + 12) = 6$
$i(25) = 6$
$\Rightarrow i = \dfrac{6}{{25}}A$
So ammeter reading is, $i = \dfrac{6}{{25}}A$ or, $i = 0.24\,A$.
For voltmeter reading, we have to find voltage across $12\Omega $ resistance;
From ammeter reading, current in circuit or across $12\Omega $ resistance is,
$i = \dfrac{6}{{25}}A$
Since, $R = \dfrac{V}{I}$ or $V = IR$
So for voltage across $12\Omega $ resistance is, $V = 12i$
Putting value of “i” we get,
$V = 12 \times \dfrac{6}{{25}}V$
$\Rightarrow V = \dfrac{{72}}{{25}}V$
$\therefore V = 2.88\,V$
Hence, the readings in the ammeter and voltmeter are 0.24 A and 2.88 V.
Note: It should be remembered that here we have considered ideal ammeter and voltmeter, in which ideal ammeter’s resistance is zero connected in parallel and voltmeter resistance is infinite connected in series with voltmeter. Voltages across resistance in series combination of resistance, are divided into inverse ratios of their resistance.
Complete step by step answer:
For Ammeter reading we need to find current in the circuit, which can be found using Kirchhoff’s voltage law, which states that voltage across the loop must be zero.
Let “$i$” current flowing in the circuit, then using Kirchhoff law which says that the sum of all potentials in a closed loop is zero while moving in particular direction, moving in loop ABCDEA we get,
$ - 6 + i(5\Omega ) + i(8\Omega ) + i(12\Omega ) = 0$
Solving we get, $i(5 + 8 + 12) = 6$
$i(25) = 6$
$\Rightarrow i = \dfrac{6}{{25}}A$
So ammeter reading is, $i = \dfrac{6}{{25}}A$ or, $i = 0.24\,A$.
For voltmeter reading, we have to find voltage across $12\Omega $ resistance;
From ammeter reading, current in circuit or across $12\Omega $ resistance is,
$i = \dfrac{6}{{25}}A$
Since, $R = \dfrac{V}{I}$ or $V = IR$
So for voltage across $12\Omega $ resistance is, $V = 12i$
Putting value of “i” we get,
$V = 12 \times \dfrac{6}{{25}}V$
$\Rightarrow V = \dfrac{{72}}{{25}}V$
$\therefore V = 2.88\,V$
Hence, the readings in the ammeter and voltmeter are 0.24 A and 2.88 V.
Note: It should be remembered that here we have considered ideal ammeter and voltmeter, in which ideal ammeter’s resistance is zero connected in parallel and voltmeter resistance is infinite connected in series with voltmeter. Voltages across resistance in series combination of resistance, are divided into inverse ratios of their resistance.
Recently Updated Pages
Two men on either side of the cliff 90m height observe class 10 maths CBSE

What happens to glucose which enters nephron along class 10 biology CBSE

Cutting of the Chinese melon means A The business and class 10 social science CBSE

Write a dialogue with at least ten utterances between class 10 english CBSE

Show an aquatic food chain using the following organisms class 10 biology CBSE

A circle is inscribed in an equilateral triangle and class 10 maths CBSE

Trending doubts
Why is there a time difference of about 5 hours between class 10 social science CBSE

Write a letter to the principal requesting him to grant class 10 english CBSE

What is the median of the first 10 natural numbers class 10 maths CBSE

The Equation xxx + 2 is Satisfied when x is Equal to Class 10 Maths

Which of the following does not have a fundamental class 10 physics CBSE

State and prove converse of BPT Basic Proportionality class 10 maths CBSE

