
The pulleys in figure are identical, each having a radius R and moment of inertia I. Find the acceleration of the block M.
Answer
445.2k+ views
Hint: We will first label all the diagrams mentioning the tensions in strings , accelerations and weights. Then we will form certain equations that will include all the forces due to the pulley, and the blocks to finally get the value of acceleration of block M.
Complete answer:
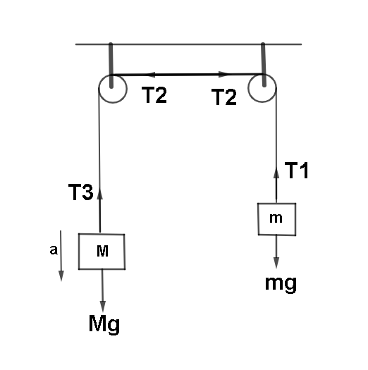
Here T stands for tension in strings and a stands for acceleration.
Now let's form equations : considering the mass M, we get:
\[Mg - {T_1} = Ma\;\;\;...(1)\]
Also,
\[({T_1} - {T_2})R = I\dfrac{\alpha }{R}\] (where \[\alpha \] is angular acceleration)
Or,
\[ \Rightarrow ({T_1} - {T_2}) = I\dfrac{\alpha }{{{R^2}}}\;\;...(2)\]
Similarly,
\[ \Rightarrow ({T_2} - {T_3})R = I\dfrac{\alpha }{{{R^2}}}\;\;...(3)\]
And
\[ \Rightarrow {T_3} - mg = ma\;\;\;\;\;\;\;\;\;...(4)\]
Looking at the above equations we will now add equations 2 and 3.
We will get as follows:
\[({T_1} - {T_3}) = \dfrac{{2I\alpha }}{{{R^2}}}\;\;\;\;\;\;\;\;\;\;\;\;\;\;\;\;\;\;\;\;\;.......(5)\]
Again by adding equations 1 and 4 we will get as follows:
\[ - mg + Mg + ({T_3} - {T_1}) = Ma + ma.......(6)\]
We will now substitute the value of \[{T_3} - {T_1}\] from equation 5 in equation 6.
We will get;
\[ \Rightarrow Mg - mg = Ma + ma + \dfrac{{2I\alpha }}{{{R^2}}}\]
From this we will get the acceleration of block M as,
\[ \Rightarrow a = \dfrac{{(M - m)G}}{{(M + m + \dfrac{{2I}}{{{R^2}}})}}\].
Additional information:
A pulley is a wheel on an axle or shaft that allows a taut cable or belt to move and change directions while also transferring power between the shaft and the cable or belt..
Note:
Remember according to equation 5, \[({T_1} - {T_3})\;\] has been found but we need \[{T_3} - {T_1}\]. Hence do not forget to change the sign .
Be very careful while assigning the directions of tensions in the strings. Short trick to remember is that tension will be away from mass.
Complete answer:
Here T stands for tension in strings and a stands for acceleration.
Now let's form equations : considering the mass M, we get:
\[Mg - {T_1} = Ma\;\;\;...(1)\]
Also,
\[({T_1} - {T_2})R = I\dfrac{\alpha }{R}\] (where \[\alpha \] is angular acceleration)
Or,
\[ \Rightarrow ({T_1} - {T_2}) = I\dfrac{\alpha }{{{R^2}}}\;\;...(2)\]
Similarly,
\[ \Rightarrow ({T_2} - {T_3})R = I\dfrac{\alpha }{{{R^2}}}\;\;...(3)\]
And
\[ \Rightarrow {T_3} - mg = ma\;\;\;\;\;\;\;\;\;...(4)\]
Looking at the above equations we will now add equations 2 and 3.
We will get as follows:
\[({T_1} - {T_3}) = \dfrac{{2I\alpha }}{{{R^2}}}\;\;\;\;\;\;\;\;\;\;\;\;\;\;\;\;\;\;\;\;\;.......(5)\]
Again by adding equations 1 and 4 we will get as follows:
\[ - mg + Mg + ({T_3} - {T_1}) = Ma + ma.......(6)\]
We will now substitute the value of \[{T_3} - {T_1}\] from equation 5 in equation 6.
We will get;
\[ \Rightarrow Mg - mg = Ma + ma + \dfrac{{2I\alpha }}{{{R^2}}}\]
From this we will get the acceleration of block M as,
\[ \Rightarrow a = \dfrac{{(M - m)G}}{{(M + m + \dfrac{{2I}}{{{R^2}}})}}\].
Additional information:
A pulley is a wheel on an axle or shaft that allows a taut cable or belt to move and change directions while also transferring power between the shaft and the cable or belt..
Note:
Remember according to equation 5, \[({T_1} - {T_3})\;\] has been found but we need \[{T_3} - {T_1}\]. Hence do not forget to change the sign .
Be very careful while assigning the directions of tensions in the strings. Short trick to remember is that tension will be away from mass.
Recently Updated Pages
Master Class 12 Business Studies: Engaging Questions & Answers for Success

Master Class 12 Economics: Engaging Questions & Answers for Success

Master Class 12 English: Engaging Questions & Answers for Success

Master Class 12 Maths: Engaging Questions & Answers for Success

Master Class 12 Social Science: Engaging Questions & Answers for Success

Master Class 12 Chemistry: Engaging Questions & Answers for Success

Trending doubts
What is meant by exothermic and endothermic reactions class 11 chemistry CBSE

Which animal has three hearts class 11 biology CBSE

10 examples of friction in our daily life

One Metric ton is equal to kg A 10000 B 1000 C 100 class 11 physics CBSE

1 Quintal is equal to a 110 kg b 10 kg c 100kg d 1000 class 11 physics CBSE

Difference Between Prokaryotic Cells and Eukaryotic Cells

