
The following circuit represents.
$ A. $ OR gate
$ B. $ XOR gate
$ C. $ AND gate
Answer
511.8k+ views
Hint :In order to solve the given question we will see which basic logic gates are present. We need to know that AND gate multiplies the inputs and OR gate adds the inputs.
Complete Step By Step Answer:
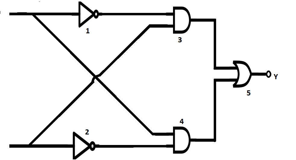
Here we have two NOT gates, two AND gates and one OR gate in the given circuit. For simplicity, let’s number the gates $ 1,2,3,4 $ and $ 5 $ . The upper and lower NOT gates are numbered $ 1 $ and $ 2 $ , the upper and lower AND gates are numbered $ 3 $ and $ 4 $ and OR gate is numbered $ 5 $ .
Now let’s look upon the Boolean expressions of the gates. The Boolean expression of the NOT gate is $ Y=\bar{A} $ , AND gate is $ Y=A\cdot B $ and OR gate is $ Y=A+B $ .
Now the output of first NOT gate is $ {{Y}_{1}}=\bar{A} $ , output of second NOT gate is $ {{Y}_{2}}=\bar{B} $ .
Now for the third AND gate the inputs will be $ {{Y}_{1}} $ and $ B $ . Similarly, for the fourth AND gate the inputs will be $ {{Y}_{2}} $ and $ A $ .
Now as we know that AND gate multiplies the inputs, we have output of third AND gate as $ {{Y}_{3}}={{Y}_{1}}\cdot B $ and fourth AND gate as $ {{Y}_{4}}={{Y}_{2}}\cdot A $ .
Now we also know that OR gate adds the inputs, so we have output of fifth OR gate as $ \begin{align}
& {{Y}_{5}}={{Y}_{3}}+{{Y}_{4}} \\
& {{Y}_{5}}={{Y}_{1}}\cdot B+{{Y}_{2}}\cdot A \\
& {{Y}_{5}}=\bar{A}\cdot B+\bar{B}\cdot A \\
\end{align} $
We know that this is the Boolean expression of XOR gate. Therefore, the above circuit represents XOR gate.
Hence, option $ (B) $ is the correct answer.
Note :
Logic gates are used to carry out logical operations on single or multiple binary inputs and result in one binary output. Other name for output $ 1 $ is high output and $ 0 $ is low output. One must remember Boolean expressions of respective basic gates while solving logic gates related questions.
Complete Step By Step Answer:
Here we have two NOT gates, two AND gates and one OR gate in the given circuit. For simplicity, let’s number the gates $ 1,2,3,4 $ and $ 5 $ . The upper and lower NOT gates are numbered $ 1 $ and $ 2 $ , the upper and lower AND gates are numbered $ 3 $ and $ 4 $ and OR gate is numbered $ 5 $ .
Now let’s look upon the Boolean expressions of the gates. The Boolean expression of the NOT gate is $ Y=\bar{A} $ , AND gate is $ Y=A\cdot B $ and OR gate is $ Y=A+B $ .
Now the output of first NOT gate is $ {{Y}_{1}}=\bar{A} $ , output of second NOT gate is $ {{Y}_{2}}=\bar{B} $ .
Now for the third AND gate the inputs will be $ {{Y}_{1}} $ and $ B $ . Similarly, for the fourth AND gate the inputs will be $ {{Y}_{2}} $ and $ A $ .
Now as we know that AND gate multiplies the inputs, we have output of third AND gate as $ {{Y}_{3}}={{Y}_{1}}\cdot B $ and fourth AND gate as $ {{Y}_{4}}={{Y}_{2}}\cdot A $ .
Now we also know that OR gate adds the inputs, so we have output of fifth OR gate as $ \begin{align}
& {{Y}_{5}}={{Y}_{3}}+{{Y}_{4}} \\
& {{Y}_{5}}={{Y}_{1}}\cdot B+{{Y}_{2}}\cdot A \\
& {{Y}_{5}}=\bar{A}\cdot B+\bar{B}\cdot A \\
\end{align} $
We know that this is the Boolean expression of XOR gate. Therefore, the above circuit represents XOR gate.
Hence, option $ (B) $ is the correct answer.
Note :
Logic gates are used to carry out logical operations on single or multiple binary inputs and result in one binary output. Other name for output $ 1 $ is high output and $ 0 $ is low output. One must remember Boolean expressions of respective basic gates while solving logic gates related questions.
Recently Updated Pages
A man running at a speed 5 ms is viewed in the side class 12 physics CBSE

The number of solutions in x in 02pi for which sqrt class 12 maths CBSE

State and explain Hardy Weinbergs Principle class 12 biology CBSE

Write any two methods of preparation of phenol Give class 12 chemistry CBSE

Which of the following statements is wrong a Amnion class 12 biology CBSE

Differentiate between action potential and resting class 12 biology CBSE

Trending doubts
What are the major means of transport Explain each class 12 social science CBSE

Which are the Top 10 Largest Countries of the World?

Draw a labelled sketch of the human eye class 12 physics CBSE

Explain sex determination in humans with line diag class 12 biology CBSE

Explain sex determination in humans with the help of class 12 biology CBSE

Differentiate between homogeneous and heterogeneous class 12 chemistry CBSE

