
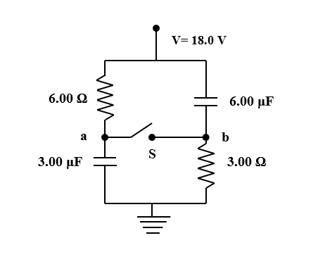
What is the steady state potential (in V) of point a with respect to point b in figure when switch S is open?
Answer
556.5k+ views
Hint: In a steady state, the capacitor becomes open. So, no current will flow through them. We also know, no current flows through an open switch. Thus, no current will flow through capacitors as well as open switches. Using this information, find the potential at point a and then the potential at point b. Subtract these potentials to get the steady state potential of point a with respect to point b in figure when switch S is open.
Complete answer:
As it is a steady state, the capacitors are fully charged and they behave as an open circuit. Current does not pass through an open circuit. Thus, no current will pass through the capacitors. It is given that the switch S is open, so the current will only pass through $6\Omega$ resistor up to point a and will not flow through the remaining circuit.
Thus, the voltage at point a is given by,
${V}_{a}= 18 V$
Voltage at point b will be,
${V}_{b}=0$
Potential of point a with respect to point b is given by,
${V}_{ab}= {V}_{a}-{V}_{b}$
Substituting the values in above equation we get,
${V}_{ab}=18-0$
$\Rightarrow {V}_{ab}= 18 V$
Thus, the steady state potential (in V) of point a with respect to point b in figure when switch S is open is 18 V.
Note:
Students should not get confused between an open and a close circuit. Current passes through a closed circuit but it does not flow through an open circuit. The term steady state is a state of circuit in which the charge or current flowing into any point in the circuit is equal to the charge or current flowing out of it. A system can attain steady state when the current at each point in the circuit is constant i.e. the current does not change with time.
Complete answer:
As it is a steady state, the capacitors are fully charged and they behave as an open circuit. Current does not pass through an open circuit. Thus, no current will pass through the capacitors. It is given that the switch S is open, so the current will only pass through $6\Omega$ resistor up to point a and will not flow through the remaining circuit.
Thus, the voltage at point a is given by,
${V}_{a}= 18 V$
Voltage at point b will be,
${V}_{b}=0$
Potential of point a with respect to point b is given by,
${V}_{ab}= {V}_{a}-{V}_{b}$
Substituting the values in above equation we get,
${V}_{ab}=18-0$
$\Rightarrow {V}_{ab}= 18 V$
Thus, the steady state potential (in V) of point a with respect to point b in figure when switch S is open is 18 V.
Note:
Students should not get confused between an open and a close circuit. Current passes through a closed circuit but it does not flow through an open circuit. The term steady state is a state of circuit in which the charge or current flowing into any point in the circuit is equal to the charge or current flowing out of it. A system can attain steady state when the current at each point in the circuit is constant i.e. the current does not change with time.
Recently Updated Pages
Master Class 12 Economics: Engaging Questions & Answers for Success

Master Class 12 Maths: Engaging Questions & Answers for Success

Master Class 12 Biology: Engaging Questions & Answers for Success

Master Class 12 Physics: Engaging Questions & Answers for Success

Basicity of sulphurous acid and sulphuric acid are

Master Class 12 Business Studies: Engaging Questions & Answers for Success

Trending doubts
What are the major means of transport Explain each class 12 social science CBSE

Which are the Top 10 Largest Countries of the World?

Draw a labelled sketch of the human eye class 12 physics CBSE

How much time does it take to bleed after eating p class 12 biology CBSE

Explain sex determination in humans with line diag class 12 biology CBSE

Differentiate between homogeneous and heterogeneous class 12 chemistry CBSE

