
State Ohm's law? How can it be verified experimentally? Does it hold good under all conditions? Comment
Answer
519.3k+ views
Hint: As we know the ohm’s law gives a relation between the voltage applied and the flow of current in a circuit. There are certain limitations to this law, which will be verified by an experiment. Further, the experiment will give us the required answer.
Formula used:
$\eqalign{& I \propto V \cr
& I = \dfrac{V}{R} \cr} $
Complete step-by-step solution
According to Ohm's law on the constant temperature, the current “I” passing through the conductor is directly proportional to the potential difference V across its ends.
$\eqalign{& I \propto V \cr
& I = \dfrac{V}{R} \cr} $
We can verify ohm’s law experimentally as:
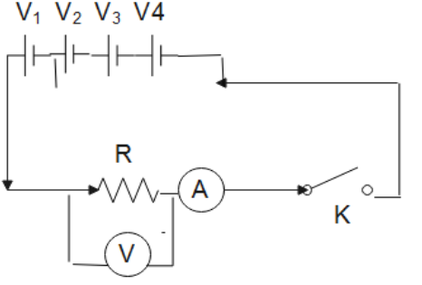
The circuit diagram of the experimental setup is shown in the figure. Here, XY is the Resistance wire, A represents an Ammeter and V represents the Voltmeter. A battery of 4 cells is being used as a current source and K is a Plug Key.
1). Initially use one cell only. Put Plugin Key K and note current and voltage by noting Ammeter and Voltmeter reading respectively. Let these be $I_1$ and $V_1$.
2). Then connect the two cells in the circuit and note current $I_2$ and potential difference $V_2$ across the resistance.
3). Similarly, we can take readings with the third and fourth cells given in the circuit.
4). Now, from the observations we find that
$\dfrac{{{V_1}}}{{{I_1}}} = \dfrac{{{V_2}}}{{{I_2}}} = \dfrac{{{V_3}}}{{{I_3}}} = \dfrac{{{V_4}}}{{{I_4}}} = const. = R$
If we Plot V-I Graph comes out to be a straight line. It experimentally verified Ohm's law.
So, we can say that ohm’s law doesn't hold under all conditions like non-constant temperature and pressure.
Therefore, ohm’s law is true for conductors only.
Additional information:
The valence band and conduction band of conductors overlap each other, which makes it easy for the electrons to transfer from one band to another, thereby making them good conductors of electricity and heat as well. Whereas the gap between the valence band and conduction band in an insulator is very large, this cannot be overcome by the electrons, thereby making them bad conductors of electricity and heat.
Note: There are limitations to Ohm’s law. They are valid only for conductors not for all materials. We should also note that resistance is inversely proportional to the flow of current. The unit of resistance is the ohm, named after the scientist.
Formula used:
$\eqalign{& I \propto V \cr
& I = \dfrac{V}{R} \cr} $
Complete step-by-step solution
According to Ohm's law on the constant temperature, the current “I” passing through the conductor is directly proportional to the potential difference V across its ends.
$\eqalign{& I \propto V \cr
& I = \dfrac{V}{R} \cr} $
We can verify ohm’s law experimentally as:
The circuit diagram of the experimental setup is shown in the figure. Here, XY is the Resistance wire, A represents an Ammeter and V represents the Voltmeter. A battery of 4 cells is being used as a current source and K is a Plug Key.
1). Initially use one cell only. Put Plugin Key K and note current and voltage by noting Ammeter and Voltmeter reading respectively. Let these be $I_1$ and $V_1$.
2). Then connect the two cells in the circuit and note current $I_2$ and potential difference $V_2$ across the resistance.
3). Similarly, we can take readings with the third and fourth cells given in the circuit.
4). Now, from the observations we find that
$\dfrac{{{V_1}}}{{{I_1}}} = \dfrac{{{V_2}}}{{{I_2}}} = \dfrac{{{V_3}}}{{{I_3}}} = \dfrac{{{V_4}}}{{{I_4}}} = const. = R$
If we Plot V-I Graph comes out to be a straight line. It experimentally verified Ohm's law.
So, we can say that ohm’s law doesn't hold under all conditions like non-constant temperature and pressure.
Therefore, ohm’s law is true for conductors only.
Additional information:
The valence band and conduction band of conductors overlap each other, which makes it easy for the electrons to transfer from one band to another, thereby making them good conductors of electricity and heat as well. Whereas the gap between the valence band and conduction band in an insulator is very large, this cannot be overcome by the electrons, thereby making them bad conductors of electricity and heat.
Note: There are limitations to Ohm’s law. They are valid only for conductors not for all materials. We should also note that resistance is inversely proportional to the flow of current. The unit of resistance is the ohm, named after the scientist.
Recently Updated Pages
Two men on either side of the cliff 90m height observe class 10 maths CBSE

What happens to glucose which enters nephron along class 10 biology CBSE

Cutting of the Chinese melon means A The business and class 10 social science CBSE

Write a dialogue with at least ten utterances between class 10 english CBSE

Show an aquatic food chain using the following organisms class 10 biology CBSE

A circle is inscribed in an equilateral triangle and class 10 maths CBSE

Trending doubts
The shortest day of the year in India

Why is there a time difference of about 5 hours between class 10 social science CBSE

Write a letter to the principal requesting him to grant class 10 english CBSE

What is the median of the first 10 natural numbers class 10 maths CBSE

The Equation xxx + 2 is Satisfied when x is Equal to Class 10 Maths

What is the missing number in the sequence 259142027 class 10 maths CBSE

