
What is the maximum speed at which a railway carriage can move without toppling over along a curve of radius $R = 200m$if the distance from the centre of gravity of the carriage to the level of the rails is $h = 1.0m$, the distance between the rails is $h = 1.0m$, the distance between the rails is $l = 2.0m$and the rails are laid horizontally?(Take $g = 10m/{s^2}$)
A) $11.18m/s$
B) $22.36m/s$
C) $44.72m/s$
D) $74m/s$
Answer
555.3k+ views
Hint:In this question, we can solve the equations of translational equilibrium and rotational equilibrium which gives the relation between ${a_r}$ (rotational acceleration) and $g$ (gravitational acceleration). After that we can use the formula of rotational acceleration and find the maximum velocity of the railway carriage.
Complete step by step solution: -
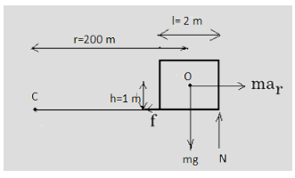
In this question, we have a railway carriage which is moving in a curve of radius $R = 200m$. So, in the railway carriage’s frame, the carriage is in translational equilibrium as well as rotational equilibrium.
Now, for rotational equilibrium, the torque about the point \[O\] is zero i.e. ${\tau _0} = 0$
So, $f \times 1 - N \times 1 = 0$
$ \Rightarrow f = N$..................... (i)
Now, for translational equilibrium, we have-
$mg = N$
Substituting the value of $N$ from equation (i), we get-
$ \Rightarrow mg = f$.....................(ii)
Now, we know that force is the product of the mass and acceleration. So,
$f = m{a_r}$........................(iii)
Where \[m\] is the mass of the carriage and ${a_r}$ is the acceleration which is rotational acceleration (due to rotational motion)
Now, comparing equation (ii) and (iii), we get-
$
m{a_r} = mg \\
\Rightarrow {a_r} = g \\
$
Now, we know that ${a_r}$ is the rotational acceleration and is always equal to $\dfrac{{{v^2}}}{r}$. So, putting this value in the above equation, we get-
$
\dfrac{{{v^2}}}{r} = g \\
\Rightarrow {v^2} = rg \\
\Rightarrow v = \sqrt {rg} \\
$
Now, from the question, we know that radius of the curve $r = 200m$ and gravitational acceleration $g = 10m/{s^2}$ , then the speed of the carriage is $v$. So,
$
v = \sqrt {200 \times 10} \\
\Rightarrow v = 44.72m/s \\
$
Hence, the maximum speed of the carriage is $44.72m/s$.
Therefore, option C is correct.
Note: - In this question, we have to keep in mind that there are two equilibriums- translational equilibrium and rotational equilibrium. We have to keep in mind that the carriage is having rotational motion so the acceleration used in $f = m{a_r}$ is rotational acceleration.
Complete step by step solution: -
In this question, we have a railway carriage which is moving in a curve of radius $R = 200m$. So, in the railway carriage’s frame, the carriage is in translational equilibrium as well as rotational equilibrium.
Now, for rotational equilibrium, the torque about the point \[O\] is zero i.e. ${\tau _0} = 0$
So, $f \times 1 - N \times 1 = 0$
$ \Rightarrow f = N$..................... (i)
Now, for translational equilibrium, we have-
$mg = N$
Substituting the value of $N$ from equation (i), we get-
$ \Rightarrow mg = f$.....................(ii)
Now, we know that force is the product of the mass and acceleration. So,
$f = m{a_r}$........................(iii)
Where \[m\] is the mass of the carriage and ${a_r}$ is the acceleration which is rotational acceleration (due to rotational motion)
Now, comparing equation (ii) and (iii), we get-
$
m{a_r} = mg \\
\Rightarrow {a_r} = g \\
$
Now, we know that ${a_r}$ is the rotational acceleration and is always equal to $\dfrac{{{v^2}}}{r}$. So, putting this value in the above equation, we get-
$
\dfrac{{{v^2}}}{r} = g \\
\Rightarrow {v^2} = rg \\
\Rightarrow v = \sqrt {rg} \\
$
Now, from the question, we know that radius of the curve $r = 200m$ and gravitational acceleration $g = 10m/{s^2}$ , then the speed of the carriage is $v$. So,
$
v = \sqrt {200 \times 10} \\
\Rightarrow v = 44.72m/s \\
$
Hence, the maximum speed of the carriage is $44.72m/s$.
Therefore, option C is correct.
Note: - In this question, we have to keep in mind that there are two equilibriums- translational equilibrium and rotational equilibrium. We have to keep in mind that the carriage is having rotational motion so the acceleration used in $f = m{a_r}$ is rotational acceleration.
Recently Updated Pages
Master Class 11 Chemistry: Engaging Questions & Answers for Success

Master Class 11 Computer Science: Engaging Questions & Answers for Success

Master Class 11 Economics: Engaging Questions & Answers for Success

How many 5 digit telephone numbers can be constructed class 11 maths CBSE

Draw a well labelled diagram of reflex arc and explain class 11 biology CBSE

What is the difference between noise and music Can class 11 physics CBSE

Trending doubts
In what year Guru Nanak Dev ji was born A15 April 1469 class 11 social science CBSE

1 Quintal is equal to a 110 kg b 10 kg c 100kg d 1000 class 11 physics CBSE

10 examples of friction in our daily life

Draw a diagram of a plant cell and label at least eight class 11 biology CBSE

One Metric ton is equal to kg A 10000 B 1000 C 100 class 11 physics CBSE

Write the differences between monocot plants and dicot class 11 biology CBSE

