
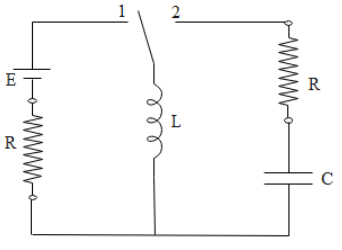
Initially, the switch is in position 1 for a long time and then shifted to position 2 as shown in the figure. Just after closing the switch, the magnitude of current through the capacitor is:
$
{\text{A}}{\text{. zero}} \\
{\text{B}}{\text{. }}\dfrac{E}{{2R}} \\
{\text{C}}{\text{. }}\dfrac{E}{R} \\
{\text{D}}{\text{. none of these}} \\
$
Answer
571.5k+ views
Hint: When the switch is kept at position 1 for a long time, it attains a steady state. When the switch is set to position 2, the inductor will not allow the current to change immediately and at first the current in the circuit will remain the same as before.
Complete answer:
We are given a circuit as shown in the given diagram. It is given that the switch is attached to point A for a long time. Due to which the circuit attains a steady state which means that the current in the circuit is at its maximum value and this maximum value of current is simply given by the following expression:
$I = \dfrac{E}{R}$
Now when the switch is set to position 2, the inductor will not allow the current to change immediately in the circuit and the value of current in the circuit will be the same as the above value in steady state. Since current through all components is the same in a series circuit, the current through the capacitor will also be the same as the steady state current value.
Just after closing the switch, the magnitude of current through the capacitor is:
$I = \dfrac{E}{R}$
Hence, the correct answer is option C.
Note:
It should be noted that the current will remain steady for only a short duration of time after switching to position 2. It is the property of the inductor to slowly allow the change in the current in the circuit. Eventually, the current will be different in the circuit from the initial steady state value and hence, the current through the capacitor will also change with time and the circuit will again attain a steady state.
Complete answer:
We are given a circuit as shown in the given diagram. It is given that the switch is attached to point A for a long time. Due to which the circuit attains a steady state which means that the current in the circuit is at its maximum value and this maximum value of current is simply given by the following expression:
$I = \dfrac{E}{R}$
Now when the switch is set to position 2, the inductor will not allow the current to change immediately in the circuit and the value of current in the circuit will be the same as the above value in steady state. Since current through all components is the same in a series circuit, the current through the capacitor will also be the same as the steady state current value.
Just after closing the switch, the magnitude of current through the capacitor is:
$I = \dfrac{E}{R}$
Hence, the correct answer is option C.
Note:
It should be noted that the current will remain steady for only a short duration of time after switching to position 2. It is the property of the inductor to slowly allow the change in the current in the circuit. Eventually, the current will be different in the circuit from the initial steady state value and hence, the current through the capacitor will also change with time and the circuit will again attain a steady state.
Recently Updated Pages
Master Class 11 Business Studies: Engaging Questions & Answers for Success

Master Class 11 Computer Science: Engaging Questions & Answers for Success

Master Class 11 Maths: Engaging Questions & Answers for Success

Master Class 11 Chemistry: Engaging Questions & Answers for Success

Master Class 11 Economics: Engaging Questions & Answers for Success

Master Class 11 Accountancy: Engaging Questions & Answers for Success

Trending doubts
What is meant by exothermic and endothermic reactions class 11 chemistry CBSE

10 examples of friction in our daily life

One Metric ton is equal to kg A 10000 B 1000 C 100 class 11 physics CBSE

1 Quintal is equal to a 110 kg b 10 kg c 100kg d 1000 class 11 physics CBSE

Difference Between Prokaryotic Cells and Eukaryotic Cells

What are Quantum numbers Explain the quantum number class 11 chemistry CBSE

