
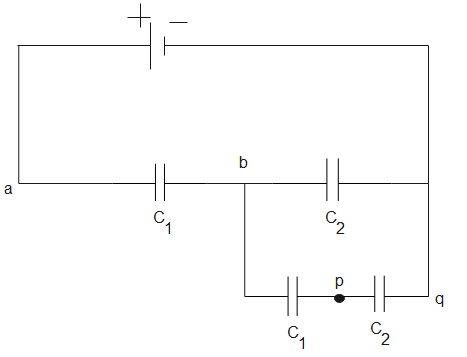
In the given network the potential difference between p and q is 2V and $C_2 = 3C_1$ . Then find the potential difference between a and b in V .
Answer
530.1k+ views
Hint: The figure shows capacitors connected in different combinations between different points. The capacitance is the product of charge and potential of the capacitor. Using this relation and solving the combination of capacitors, we can calculate the potential difference between the given points.
Formulas used:
$C=\dfrac{Q}{V}$
Complete answer:
Given, the potential difference between p and q is $2V$
From the figure, we can say that the potential difference between p and q is equal to the potential difference across the capacitor ${{C}_{2}}$
We know that,
$C=\dfrac{Q}{V}$ - (1)
Here, $C$ is the capacitance
$Q$ is the charge on the capacitor
$V$ is the potential difference across the capacitor
For capacitor ${{C}_{2}}$, ${{V}_{2}}=2V$ substituting given values in the above equation, we get,
$\begin{align}
& {{C}_{2}}=\dfrac{{{Q}_{1}}}{2V} \\
& \Rightarrow {{Q}_{1}}=2{{C}_{2}}V \\
\end{align}$
Therefore, the charge on the capacitor ${{C}_{2}}$ is $2{{C}_{2}}V$.
The capacitors between the points b and q are in series, they will be related as-
$\dfrac{{{V}_{1}}}{{{V}_{2}}}=\dfrac{{{C}_{2}}}{{{C}_{1}}}$
Given, ${{C}_{2}}=3{{C}_{1}}$, ${{V}_{2}}=2V$. In the above equation, substituting given values to get,
$\begin{align}
& \dfrac{{{V}_{1}}}{2V}=\dfrac{3{{C}_{1}}}{{{C}_{1}}} \\
& \Rightarrow {{V}_{1}}=6V \\
\end{align}$
Therefore, the potential drop across the capacitor ${{C}_{1}}$ is $6V$.
The total potential across bq is-
${{V}_{1}}+{{V}_{2}}=6V+2V=8V$ - (2)
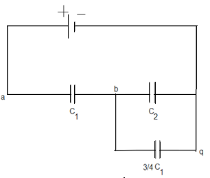
The capacitors between b and q are connected in series, so the equivalent capacitance between b and q is-
$\begin{align}
& \dfrac{1}{C}=\dfrac{1}{{{C}_{1}}}+\dfrac{1}{{{C}_{2}}} \\
& \Rightarrow \dfrac{1}{C}=\dfrac{1}{{{C}_{1}}}+\dfrac{1}{3{{C}_{1}}} \\
& \Rightarrow \dfrac{1}{C}=\dfrac{4}{3{{C}_{1}}} \\
& \therefore C=\dfrac{3{{C}_{1}}}{4} \\
\end{align}$
Now capacitors $\dfrac{3{{C}_{1}}}{4}$ and ${{C}_{2}}$ are in parallel.
The equivalent capacitance between b and q is-
$\begin{align}
& C'=\dfrac{3{{C}_{1}}}{4}+{{C}_{2}} \\
& \Rightarrow C'=\dfrac{3{{C}_{1}}}{4}+3{{C}_{1}} \\
& \Rightarrow C'=\dfrac{15{{C}_{1}}}{4} \\
\end{align}$
The total charge across bq will be-
$\begin{align}
& Q=\dfrac{15{{C}_{1}}}{4}(8V) \\
& \Rightarrow Q=30{{C}_{1}}V \\
\end{align}$
The charge across ${{C}_{1}}$ and $\dfrac{15{{C}_{1}}}{4}$ is the same as they are connected in series and the charge is $30{{C}_{1}}V$ (from eq (2)).
Using eq (1), the potential difference between a and b is-
$\begin{align}
& V=\dfrac{30{{C}_{1}}V}{{{C}_{1}}} \\
& \Rightarrow V=30V \\
\end{align}$
Therefore, points ab have a potential difference of $30V$.
Note:
Capacitors connected in series have the same charge while the capacitors connected in parallel have the same potential. The potential across the wire is the same at all points and changes when an element is connected in between. Two points coincide if they have the same potential.
Formulas used:
$C=\dfrac{Q}{V}$
Complete answer:
Given, the potential difference between p and q is $2V$
From the figure, we can say that the potential difference between p and q is equal to the potential difference across the capacitor ${{C}_{2}}$
We know that,
$C=\dfrac{Q}{V}$ - (1)
Here, $C$ is the capacitance
$Q$ is the charge on the capacitor
$V$ is the potential difference across the capacitor
For capacitor ${{C}_{2}}$, ${{V}_{2}}=2V$ substituting given values in the above equation, we get,
$\begin{align}
& {{C}_{2}}=\dfrac{{{Q}_{1}}}{2V} \\
& \Rightarrow {{Q}_{1}}=2{{C}_{2}}V \\
\end{align}$
Therefore, the charge on the capacitor ${{C}_{2}}$ is $2{{C}_{2}}V$.
The capacitors between the points b and q are in series, they will be related as-
$\dfrac{{{V}_{1}}}{{{V}_{2}}}=\dfrac{{{C}_{2}}}{{{C}_{1}}}$
Given, ${{C}_{2}}=3{{C}_{1}}$, ${{V}_{2}}=2V$. In the above equation, substituting given values to get,
$\begin{align}
& \dfrac{{{V}_{1}}}{2V}=\dfrac{3{{C}_{1}}}{{{C}_{1}}} \\
& \Rightarrow {{V}_{1}}=6V \\
\end{align}$
Therefore, the potential drop across the capacitor ${{C}_{1}}$ is $6V$.
The total potential across bq is-
${{V}_{1}}+{{V}_{2}}=6V+2V=8V$ - (2)
The capacitors between b and q are connected in series, so the equivalent capacitance between b and q is-
$\begin{align}
& \dfrac{1}{C}=\dfrac{1}{{{C}_{1}}}+\dfrac{1}{{{C}_{2}}} \\
& \Rightarrow \dfrac{1}{C}=\dfrac{1}{{{C}_{1}}}+\dfrac{1}{3{{C}_{1}}} \\
& \Rightarrow \dfrac{1}{C}=\dfrac{4}{3{{C}_{1}}} \\
& \therefore C=\dfrac{3{{C}_{1}}}{4} \\
\end{align}$
Now capacitors $\dfrac{3{{C}_{1}}}{4}$ and ${{C}_{2}}$ are in parallel.
The equivalent capacitance between b and q is-
$\begin{align}
& C'=\dfrac{3{{C}_{1}}}{4}+{{C}_{2}} \\
& \Rightarrow C'=\dfrac{3{{C}_{1}}}{4}+3{{C}_{1}} \\
& \Rightarrow C'=\dfrac{15{{C}_{1}}}{4} \\
\end{align}$
The total charge across bq will be-
$\begin{align}
& Q=\dfrac{15{{C}_{1}}}{4}(8V) \\
& \Rightarrow Q=30{{C}_{1}}V \\
\end{align}$
The charge across ${{C}_{1}}$ and $\dfrac{15{{C}_{1}}}{4}$ is the same as they are connected in series and the charge is $30{{C}_{1}}V$ (from eq (2)).
Using eq (1), the potential difference between a and b is-
$\begin{align}
& V=\dfrac{30{{C}_{1}}V}{{{C}_{1}}} \\
& \Rightarrow V=30V \\
\end{align}$
Therefore, points ab have a potential difference of $30V$.
Note:
Capacitors connected in series have the same charge while the capacitors connected in parallel have the same potential. The potential across the wire is the same at all points and changes when an element is connected in between. Two points coincide if they have the same potential.
Recently Updated Pages
Why are manures considered better than fertilizers class 11 biology CBSE

Find the coordinates of the midpoint of the line segment class 11 maths CBSE

Distinguish between static friction limiting friction class 11 physics CBSE

The Chairman of the constituent Assembly was A Jawaharlal class 11 social science CBSE

The first National Commission on Labour NCL submitted class 11 social science CBSE

Number of all subshell of n + l 7 is A 4 B 5 C 6 D class 11 chemistry CBSE

Trending doubts
What is meant by exothermic and endothermic reactions class 11 chemistry CBSE

10 examples of friction in our daily life

One Metric ton is equal to kg A 10000 B 1000 C 100 class 11 physics CBSE

1 Quintal is equal to a 110 kg b 10 kg c 100kg d 1000 class 11 physics CBSE

Difference Between Prokaryotic Cells and Eukaryotic Cells

What are Quantum numbers Explain the quantum number class 11 chemistry CBSE

