
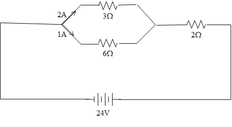
In the given network shown in the figure current $1A$ and $2A$ flows across $6\Omega $ and$3\Omega $ resistance, the internal resistance of the battery is
A. $3\Omega $
B. $2\Omega $
C. \[4\Omega \]
D. $6\Omega $
Answer
564k+ views
Hint: The internal resistance of a cell is the obstacle faced by the electrons to flow within the two plates (anode and cathode) inside the cell. The value of the internal resistance of the cell must be very low. In an ideal case for the calculation of a complex circuit, the internal resistance of the object is considered to be zero.
As per the given data,
The current of value$1A$ flows from the resistor of $6\Omega $
The current of value $2A$ flows from a resistor of resistance $3\Omega $ which is parallel to the resistor of $6\Omega $
The voltage across the circuit is $24V$
Formula to be used,
Total current flowing $I={{I}_{1}}+{{I}_{2}}$
The voltage drop across any closed loop $V=I(R+r)$
Complete answer:
The circuit given in the question can be labeled as,
The total current is some of the currents in the two branches parallel to each other
$\begin{align}
& I={{I}_{1}}+{{I}_{2}} \\
& \Rightarrow I=2+1 \\
& \Rightarrow I=3A\ \ldots ...\left( 1 \right) \\
\end{align}$
From the circuit given in the question, the two resistances are connected parallel and these are connected to a resistor $2\Omega $ in series. So the resistance of the circuit will be
$\begin{align}
& R=\left( \dfrac{{{R}_{1}}{{R}_{2}}}{{{R}_{2}}+{{R}_{2}}} \right)+{{R}_{3}} \\
& \Rightarrow R=\left( \dfrac{6\times 3}{6+3} \right)+2 \\
& \Rightarrow R=2+2 \\
& \Rightarrow R=2\Omega \quad \ldots ...\left( 2 \right) \\
\end{align}$
Using Ohm’s law,
$V=I\left( R+r \right)$
Using the given value of voltage and value of current and total resistance of the circuit calculated above. The internal resistance of the cell can be given as,
$\begin{align}
& 24=3\left( 4+r \right) \\
& \Rightarrow r=8-4 \\
& \Rightarrow r=4\Omega \\
\end{align}$
Thus, the correct option showing the true value of the internal resistance used for the circuit mentioned in the question is Option C.
Note:
The internal resistance of a cell can be estimated by using an instrument named potentiometer. It is a kind of external variable resistance to a circuit. We can also control the voltage supplied to a circuit using a potentiometer and compare the internal resistance of two voltage (DC voltage) sources.
As per the given data,
The current of value$1A$ flows from the resistor of $6\Omega $
The current of value $2A$ flows from a resistor of resistance $3\Omega $ which is parallel to the resistor of $6\Omega $
The voltage across the circuit is $24V$
Formula to be used,
Total current flowing $I={{I}_{1}}+{{I}_{2}}$
The voltage drop across any closed loop $V=I(R+r)$
Complete answer:
The circuit given in the question can be labeled as,
The total current is some of the currents in the two branches parallel to each other
$\begin{align}
& I={{I}_{1}}+{{I}_{2}} \\
& \Rightarrow I=2+1 \\
& \Rightarrow I=3A\ \ldots ...\left( 1 \right) \\
\end{align}$
From the circuit given in the question, the two resistances are connected parallel and these are connected to a resistor $2\Omega $ in series. So the resistance of the circuit will be
$\begin{align}
& R=\left( \dfrac{{{R}_{1}}{{R}_{2}}}{{{R}_{2}}+{{R}_{2}}} \right)+{{R}_{3}} \\
& \Rightarrow R=\left( \dfrac{6\times 3}{6+3} \right)+2 \\
& \Rightarrow R=2+2 \\
& \Rightarrow R=2\Omega \quad \ldots ...\left( 2 \right) \\
\end{align}$
Using Ohm’s law,
$V=I\left( R+r \right)$
Using the given value of voltage and value of current and total resistance of the circuit calculated above. The internal resistance of the cell can be given as,
$\begin{align}
& 24=3\left( 4+r \right) \\
& \Rightarrow r=8-4 \\
& \Rightarrow r=4\Omega \\
\end{align}$
Thus, the correct option showing the true value of the internal resistance used for the circuit mentioned in the question is Option C.
Note:
The internal resistance of a cell can be estimated by using an instrument named potentiometer. It is a kind of external variable resistance to a circuit. We can also control the voltage supplied to a circuit using a potentiometer and compare the internal resistance of two voltage (DC voltage) sources.
Recently Updated Pages
Why are manures considered better than fertilizers class 11 biology CBSE

Find the coordinates of the midpoint of the line segment class 11 maths CBSE

Distinguish between static friction limiting friction class 11 physics CBSE

The Chairman of the constituent Assembly was A Jawaharlal class 11 social science CBSE

The first National Commission on Labour NCL submitted class 11 social science CBSE

Number of all subshell of n + l 7 is A 4 B 5 C 6 D class 11 chemistry CBSE

Trending doubts
What is meant by exothermic and endothermic reactions class 11 chemistry CBSE

10 examples of friction in our daily life

One Metric ton is equal to kg A 10000 B 1000 C 100 class 11 physics CBSE

1 Quintal is equal to a 110 kg b 10 kg c 100kg d 1000 class 11 physics CBSE

Difference Between Prokaryotic Cells and Eukaryotic Cells

What are Quantum numbers Explain the quantum number class 11 chemistry CBSE

