
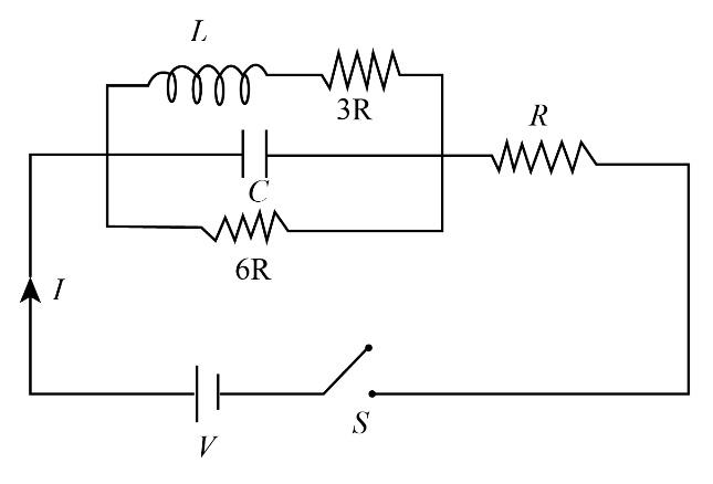
In the circuit shown, the capacitor is initially uncharged and the battery is ideal, if the switch is closed at \[t = 0\]. The ratio of current through the cell at \[t = 0\] and at \[t = \infty \], will be
Answer
576k+ views
Hint: We will utilize the expressions for equivalent resistance when two resistors are connected in series and parallel combinations. We will also use the concept of Ohm’s law to find the value of currents at \[t = 0\] and at \[t = \infty \].
Complete step by step answer:
At the time \[t = 0{\rm{ s}}\], switch S will be closed which means the circuit is completed and the flow of current through the battery will take place. In this situation, the inductor will act as an open circuit that means it will not allow current to flow through it. The current will now flow through the capacitor of capacitance C and we know that capacitor allows the flow of current through it when is it is charging that means current flowing through the circuit is given by the ratio of voltage of the battery and resistance R as below:
\[{I_1} = \dfrac{V}{R}\]
Here \[{I_1}\] is the value of current when switch S is just closed.
At the time \[t = \infty \], the capacitor will be fully charged and we know that a fully charged condition capacitor does not allow the current to pass through it and the inductor allows the current to pass through it. So we will get the flow of current through the parallel combination of 3R and 6R resistor.
Using the concept of equivalent resistance of two resistors of resistances \[{R_1}\] and \[{R_2}\] when they are connected in parallel combination can be written as below:
\[R' = \dfrac{{{R_1}{R_2}}}{{{R_1} + {R_2}}}\]
Here \[R'\] is the equivalent resistance of the parallel combination of 3R and 6R resistors.
We will substitute 3R for \[{R_1}\] and 6R for \[{R_2}\] in the above expression.
\[\begin{array}{c}
R' = \dfrac{{\left( {3R} \right)\left( {6R} \right)}}{{3R + 6R}}\\
= 2R
\end{array}\]
We can see from the given circuit that at the time \[t = \infty \], the resistance R’ and R are connected in series combination.
We can write the expression for the equivalent of two resistors having resistances \[{R_3}\] and \[{R_4}\] when they are connected in series.
\[{R_{eq}} = {R_3} + {R_4}\]
Here \[{R_{eq}}\] is the equivalent of the circuit at the time \[t = \infty \].
We will substitute 2R for \[{R_3}\] and R for \[{R_4}\] in the above expression.
\[\begin{array}{c}
{R_{eq}} = 2R + R\\
= 3R
\end{array}\]
We can write the expression for current at the time \[t = \infty \] as the ratio of voltage of the battery and equivalent resistance of the circuit.
\[{I_2} = \dfrac{V}{{{R_{eq}}}}\]
Here \[{I_2}\] is the value of the current flow of the circuit at a time \[t = \infty \].
We will substitute 3R for \[{R_{eq}}\] in the above expression.
\[{I_2} = \dfrac{V}{{3R}}\]
We can write the ratio of current through the cell at \[t = 0\] and \[t = \infty \] as below:
\[r = \dfrac{{{I_1}}}{{{I_2}}}\]
Here r is the ratio of currents.
We will substitute \[\dfrac{V}{R}\] for \[{I_1}\] and \[\dfrac{V}{{3R}}\] for \[{I_2}\] in the above expression.
\[\begin{array}{c}
r = \dfrac{{\left( {\dfrac{V}{R}} \right)}}{{\left( {\dfrac{V}{{3R}}} \right)}}\\
= \dfrac{3}{1}\\
= 3:1
\end{array}\]
Therefore, the ratio of current through the cell at \[t = 0\] and \[t = \infty \] is \[3:1\].
Note:
At \[t = 0\], capacitor of capacitance C will act as a good conductor and due to open circuit, the inductor will act as an insulator. At \[t = \infty \], the capacitor will act as an insulator and the inductor will act as a good conductor.
Complete step by step answer:
At the time \[t = 0{\rm{ s}}\], switch S will be closed which means the circuit is completed and the flow of current through the battery will take place. In this situation, the inductor will act as an open circuit that means it will not allow current to flow through it. The current will now flow through the capacitor of capacitance C and we know that capacitor allows the flow of current through it when is it is charging that means current flowing through the circuit is given by the ratio of voltage of the battery and resistance R as below:
\[{I_1} = \dfrac{V}{R}\]
Here \[{I_1}\] is the value of current when switch S is just closed.
At the time \[t = \infty \], the capacitor will be fully charged and we know that a fully charged condition capacitor does not allow the current to pass through it and the inductor allows the current to pass through it. So we will get the flow of current through the parallel combination of 3R and 6R resistor.
Using the concept of equivalent resistance of two resistors of resistances \[{R_1}\] and \[{R_2}\] when they are connected in parallel combination can be written as below:
\[R' = \dfrac{{{R_1}{R_2}}}{{{R_1} + {R_2}}}\]
Here \[R'\] is the equivalent resistance of the parallel combination of 3R and 6R resistors.
We will substitute 3R for \[{R_1}\] and 6R for \[{R_2}\] in the above expression.
\[\begin{array}{c}
R' = \dfrac{{\left( {3R} \right)\left( {6R} \right)}}{{3R + 6R}}\\
= 2R
\end{array}\]
We can see from the given circuit that at the time \[t = \infty \], the resistance R’ and R are connected in series combination.
We can write the expression for the equivalent of two resistors having resistances \[{R_3}\] and \[{R_4}\] when they are connected in series.
\[{R_{eq}} = {R_3} + {R_4}\]
Here \[{R_{eq}}\] is the equivalent of the circuit at the time \[t = \infty \].
We will substitute 2R for \[{R_3}\] and R for \[{R_4}\] in the above expression.
\[\begin{array}{c}
{R_{eq}} = 2R + R\\
= 3R
\end{array}\]
We can write the expression for current at the time \[t = \infty \] as the ratio of voltage of the battery and equivalent resistance of the circuit.
\[{I_2} = \dfrac{V}{{{R_{eq}}}}\]
Here \[{I_2}\] is the value of the current flow of the circuit at a time \[t = \infty \].
We will substitute 3R for \[{R_{eq}}\] in the above expression.
\[{I_2} = \dfrac{V}{{3R}}\]
We can write the ratio of current through the cell at \[t = 0\] and \[t = \infty \] as below:
\[r = \dfrac{{{I_1}}}{{{I_2}}}\]
Here r is the ratio of currents.
We will substitute \[\dfrac{V}{R}\] for \[{I_1}\] and \[\dfrac{V}{{3R}}\] for \[{I_2}\] in the above expression.
\[\begin{array}{c}
r = \dfrac{{\left( {\dfrac{V}{R}} \right)}}{{\left( {\dfrac{V}{{3R}}} \right)}}\\
= \dfrac{3}{1}\\
= 3:1
\end{array}\]
Therefore, the ratio of current through the cell at \[t = 0\] and \[t = \infty \] is \[3:1\].
Note:
At \[t = 0\], capacitor of capacitance C will act as a good conductor and due to open circuit, the inductor will act as an insulator. At \[t = \infty \], the capacitor will act as an insulator and the inductor will act as a good conductor.
Recently Updated Pages
Master Class 12 Economics: Engaging Questions & Answers for Success

Master Class 12 Physics: Engaging Questions & Answers for Success

Master Class 12 English: Engaging Questions & Answers for Success

Master Class 12 Social Science: Engaging Questions & Answers for Success

Master Class 12 Maths: Engaging Questions & Answers for Success

Master Class 12 Business Studies: Engaging Questions & Answers for Success

Trending doubts
Which are the Top 10 Largest Countries of the World?

What are the major means of transport Explain each class 12 social science CBSE

Draw a labelled sketch of the human eye class 12 physics CBSE

Differentiate between insitu conservation and exsitu class 12 biology CBSE

Draw a neat and well labeled diagram of TS of ovary class 12 biology CBSE

Give 10 examples of unisexual and bisexual flowers

