
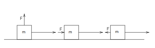
In each of the following a force, $F$ is acting on an object of mass $M$. The direction of displacement is from west to east shown by the longer arrow. Observe the diagram carefully and state whether the work done by the force is negative, positive or zero.
Answer
565.5k+ views
Hint
The work done by the force can be determined by using the formula which shows the relation between the direction of the force and the direction of the motion of the object and the angle between the direction of motion and the force. By using this the solution can be determined.
The formula which shows the relation between the direction of the force and the direction of the motion of the object and the angle between the direction of motion and the force is given by,
$\Rightarrow W = FS\cos \theta $
Where, $W$ is the work done by the force on the object, $F$ is the force acting on the object, $S$ is the direction of the motion of the object and $\theta $ is the angle between the force and the direction of the motion of the object.
Complete step by step answer
Given that, The force is acting on the object is, $F$
The mass of the object is, $M$
The work done by the force is given by,
$\Rightarrow W = FS\cos \theta \,...................\left( 1 \right)$
1. For the first diagram,
The angle between the force and the direction of the motion of the object is, $\theta = {90^ \circ }$
By substituting the angle between the and the direction of the motion of the object in the equation (1), then
$\Rightarrow W = FS\cos {90^ \circ }$
From trigonometry, the value of the $\cos {90^ \circ } = 0$, by substituting this value in the above equation, then
$\Rightarrow W = FS \times 0$
By multiplying the terms, then
$\Rightarrow W = 0$
For the first condition, the work done by the force is zero.
2. For the second diagram,
The angle between the force and the direction of the motion of the object is, $\theta = {0^ \circ }$
By substituting the angle between the and the direction of the motion of the object in the equation (1), then
$\Rightarrow W = FS\cos {0^ \circ }$
From trigonometry, the value of the $\cos {0^ \circ } = 1$, by substituting this value in the above equation, then
$\Rightarrow W = FS \times 1$
By multiplying the terms, then
$\Rightarrow W = FS > 0$
For the second condition, the work done by the force is positive.
3. For the third diagram,
The angle between the force and the direction of the motion of the object is, $\theta = {180^ \circ }$
By substituting the angle between the and the direction of the motion of the object in the equation (1), then
$\Rightarrow W = FS\cos {180^ \circ }$
From trigonometry, the value of the $\cos {180^ \circ } = - 1$, by substituting this value in the above equation, then
$\Rightarrow W = FS \times - 1$
By multiplying the terms, then
$\therefore W = - FS$
For the third condition, the work done by the force is negative.
Note
From the above three conditions, it is well known that the work done by the force depends on the angle of the force which acts on the object when the application of the force and the direction of motion of the object is the same for all the three conditions.
The work done by the force can be determined by using the formula which shows the relation between the direction of the force and the direction of the motion of the object and the angle between the direction of motion and the force. By using this the solution can be determined.
The formula which shows the relation between the direction of the force and the direction of the motion of the object and the angle between the direction of motion and the force is given by,
$\Rightarrow W = FS\cos \theta $
Where, $W$ is the work done by the force on the object, $F$ is the force acting on the object, $S$ is the direction of the motion of the object and $\theta $ is the angle between the force and the direction of the motion of the object.
Complete step by step answer
Given that, The force is acting on the object is, $F$
The mass of the object is, $M$
The work done by the force is given by,
$\Rightarrow W = FS\cos \theta \,...................\left( 1 \right)$
1. For the first diagram,
The angle between the force and the direction of the motion of the object is, $\theta = {90^ \circ }$
By substituting the angle between the and the direction of the motion of the object in the equation (1), then
$\Rightarrow W = FS\cos {90^ \circ }$
From trigonometry, the value of the $\cos {90^ \circ } = 0$, by substituting this value in the above equation, then
$\Rightarrow W = FS \times 0$
By multiplying the terms, then
$\Rightarrow W = 0$
For the first condition, the work done by the force is zero.
2. For the second diagram,
The angle between the force and the direction of the motion of the object is, $\theta = {0^ \circ }$
By substituting the angle between the and the direction of the motion of the object in the equation (1), then
$\Rightarrow W = FS\cos {0^ \circ }$
From trigonometry, the value of the $\cos {0^ \circ } = 1$, by substituting this value in the above equation, then
$\Rightarrow W = FS \times 1$
By multiplying the terms, then
$\Rightarrow W = FS > 0$
For the second condition, the work done by the force is positive.
3. For the third diagram,
The angle between the force and the direction of the motion of the object is, $\theta = {180^ \circ }$
By substituting the angle between the and the direction of the motion of the object in the equation (1), then
$\Rightarrow W = FS\cos {180^ \circ }$
From trigonometry, the value of the $\cos {180^ \circ } = - 1$, by substituting this value in the above equation, then
$\Rightarrow W = FS \times - 1$
By multiplying the terms, then
$\therefore W = - FS$
For the third condition, the work done by the force is negative.
Note
From the above three conditions, it is well known that the work done by the force depends on the angle of the force which acts on the object when the application of the force and the direction of motion of the object is the same for all the three conditions.
Recently Updated Pages
Why are manures considered better than fertilizers class 11 biology CBSE

Find the coordinates of the midpoint of the line segment class 11 maths CBSE

Distinguish between static friction limiting friction class 11 physics CBSE

The Chairman of the constituent Assembly was A Jawaharlal class 11 social science CBSE

The first National Commission on Labour NCL submitted class 11 social science CBSE

Number of all subshell of n + l 7 is A 4 B 5 C 6 D class 11 chemistry CBSE

Trending doubts
What is meant by exothermic and endothermic reactions class 11 chemistry CBSE

What are Quantum numbers Explain the quantum number class 11 chemistry CBSE

What is periodicity class 11 chemistry CBSE

Explain zero factorial class 11 maths CBSE

What is a periderm How does periderm formation take class 11 biology CBSE

Mention the basic forces in nature class 11 physics CBSE

