
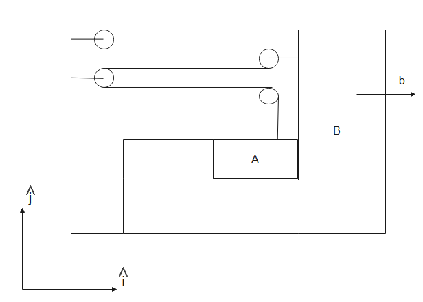
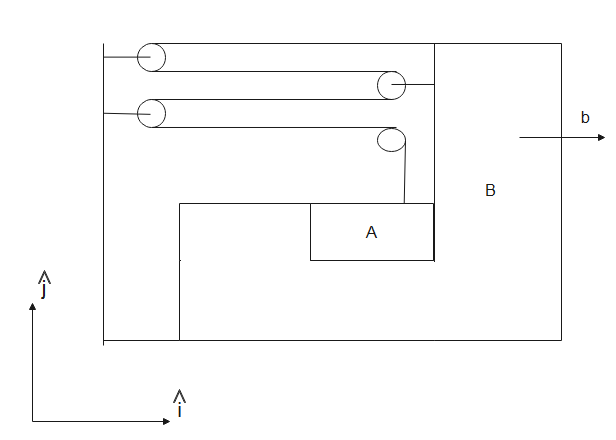
If the block B moves towards right with acceleration\[b\], the net acceleration of block A is-
(A). \[b\hat{i}+4b\hat{j}\]
(B). \[b\hat{i}+b\hat{j}\]
(C). \[b\hat{i}+2b\hat{j}\]
(D). None of these
Answer
555k+ views
Hint: Resolve the figure into its component systems. Solve for each system by computing the forces acting on each system and then use it to calculate acceleration. For acceleration in the x-direction, use all the forces acting along the x-axis. For acceleration along the y-direction, use all forces along the y-axis.
Complete step by step answer:
The block B is moving with acceleration \[b\]in the x-direction.
As we can see from the fig, block A is a part of the system of block B, so it will also move with \[b\]acceleration along the x-axis.
Therefore, \[x=b\hat{i}\] - (1)
When block B moves\[x\]distance in the x-direction, string over each pulley moves\[x\]distance due to which the block A moves\[4x\]distance in the y-direction. Therefore, we can say that,
\[\begin{align}
& y=4x \\
& \dfrac{dy}{dt}=4\dfrac{dx}{dt} \\
& \Rightarrow \dfrac{{{d}^{2}}y}{d{{t}^{2}}}=4\dfrac{{{d}^{2}}x}{d{{t}^{2}}} \\
\end{align}\]
\[\therefore a=4b\] - (2)
Here, \[a\]is the acceleration in the y-direction. Therefore, acceleration in terms of its components from eq (1) and eq (2) will be-
\[a'=b\hat{i}+4b\hat{j}\]
Acceleration of block A is given by\[a'=b\hat{i}+4b\hat{j}\].
So, the correct answer is “Option A”.
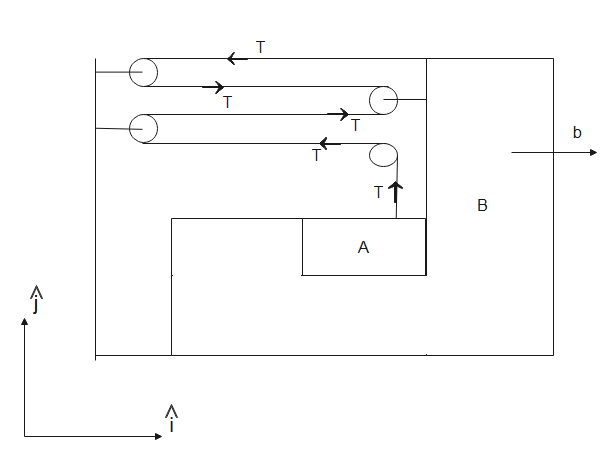
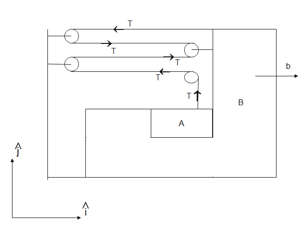
Additional Information: The pulling or stretching force acting in a string is called tension. It is denoted by \[T\].
Note: The pulleys are assumed to be in rest. The tension in the string is equal across the pulleys as long as there is no component attached to the string. The relationship between force and acceleration is given by Newton’s second law of motion which states that acceleration of a body is directly proportional to the force applied and inversely proportional to its mass.
Complete step by step answer:
The block B is moving with acceleration \[b\]in the x-direction.
As we can see from the fig, block A is a part of the system of block B, so it will also move with \[b\]acceleration along the x-axis.
Therefore, \[x=b\hat{i}\] - (1)
When block B moves\[x\]distance in the x-direction, string over each pulley moves\[x\]distance due to which the block A moves\[4x\]distance in the y-direction. Therefore, we can say that,
\[\begin{align}
& y=4x \\
& \dfrac{dy}{dt}=4\dfrac{dx}{dt} \\
& \Rightarrow \dfrac{{{d}^{2}}y}{d{{t}^{2}}}=4\dfrac{{{d}^{2}}x}{d{{t}^{2}}} \\
\end{align}\]
\[\therefore a=4b\] - (2)
Here, \[a\]is the acceleration in the y-direction. Therefore, acceleration in terms of its components from eq (1) and eq (2) will be-
\[a'=b\hat{i}+4b\hat{j}\]
Acceleration of block A is given by\[a'=b\hat{i}+4b\hat{j}\].
So, the correct answer is “Option A”.
Additional Information: The pulling or stretching force acting in a string is called tension. It is denoted by \[T\].
Note: The pulleys are assumed to be in rest. The tension in the string is equal across the pulleys as long as there is no component attached to the string. The relationship between force and acceleration is given by Newton’s second law of motion which states that acceleration of a body is directly proportional to the force applied and inversely proportional to its mass.
Recently Updated Pages
Master Class 12 Business Studies: Engaging Questions & Answers for Success

Master Class 12 Economics: Engaging Questions & Answers for Success

Master Class 12 English: Engaging Questions & Answers for Success

Master Class 12 Maths: Engaging Questions & Answers for Success

Master Class 12 Social Science: Engaging Questions & Answers for Success

Master Class 12 Chemistry: Engaging Questions & Answers for Success

Trending doubts
What is meant by exothermic and endothermic reactions class 11 chemistry CBSE

Which animal has three hearts class 11 biology CBSE

10 examples of friction in our daily life

One Metric ton is equal to kg A 10000 B 1000 C 100 class 11 physics CBSE

1 Quintal is equal to a 110 kg b 10 kg c 100kg d 1000 class 11 physics CBSE

Difference Between Prokaryotic Cells and Eukaryotic Cells

