
How many gates are required for a $1$ to $8$ multiplexer?
Answer
463.8k+ views
Hint:The multiplexer is defined as the circuit that can select one of several inputs with output. In the telephone network, the multiplexer is used to unify severely audio signals into a single line. It is also known as MUX and in simple terms, multiplexer means many to one, it is a logic gate that plays a quite crucial role in modern-day electronics.
Complete step by step answer:
A multiplexer is a simple circuit used as a switch that connects multiple inputs to a single output as shown in figure 1.
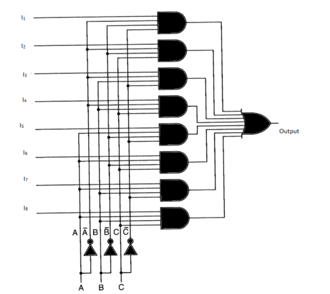
In this \[{I_0}\] and \[{I_1}\] are two inputs whereas A is used to select the respective input with output.For example, if A is zero or low then the input will be connected to I0. Similarly, if A is $1$ then the input \[{I_1}\;\] will be connected to the output. Hence this will operate for \[2:{\text{ }}1\] multiplexer similarly for $8$ to $1$ or $1$ to $8$ multiplexer the circuit diagram is as shown below.
In this, \[{I_1},{I_2},{I_3},{I_4},{I_5},{I_6},{I_7},{I_8}\] are inputs connected to an AND gate and its other two are used to select one of the inputs single to output.Hence the number of AND gates used for a multiplexer is equal to the number of input.
Thus for the \[8:1\] multiplexer, we require \[8\] AND gates.
Note:In the \[8:1\] multiplexer, we use $1$ OR gate to perform OR logic (Output will be high if any of input is high) operation for given input signals.Just like multiplex, we also have a demultiplexer which is used to select one input to multiple outputs.There are also many other applications for MUX and some of them are;
Telegraphy:Used during \[18th\] century to send encoded messages from one place to another.
Video processing:For video processing generally record and stream audio and video separately and a static multiplexer is used for interleaving audio and video in two separate data streams.
Digital and Analog broadcasting:For modern-day communication and digital television systems or FM broadcasting MUX plays an important role.
Complete step by step answer:
A multiplexer is a simple circuit used as a switch that connects multiple inputs to a single output as shown in figure 1.
In this \[{I_0}\] and \[{I_1}\] are two inputs whereas A is used to select the respective input with output.For example, if A is zero or low then the input will be connected to I0. Similarly, if A is $1$ then the input \[{I_1}\;\] will be connected to the output. Hence this will operate for \[2:{\text{ }}1\] multiplexer similarly for $8$ to $1$ or $1$ to $8$ multiplexer the circuit diagram is as shown below.
In this, \[{I_1},{I_2},{I_3},{I_4},{I_5},{I_6},{I_7},{I_8}\] are inputs connected to an AND gate and its other two are used to select one of the inputs single to output.Hence the number of AND gates used for a multiplexer is equal to the number of input.
Thus for the \[8:1\] multiplexer, we require \[8\] AND gates.
Note:In the \[8:1\] multiplexer, we use $1$ OR gate to perform OR logic (Output will be high if any of input is high) operation for given input signals.Just like multiplex, we also have a demultiplexer which is used to select one input to multiple outputs.There are also many other applications for MUX and some of them are;
Telegraphy:Used during \[18th\] century to send encoded messages from one place to another.
Video processing:For video processing generally record and stream audio and video separately and a static multiplexer is used for interleaving audio and video in two separate data streams.
Digital and Analog broadcasting:For modern-day communication and digital television systems or FM broadcasting MUX plays an important role.
Recently Updated Pages
Master Class 12 English: Engaging Questions & Answers for Success

Master Class 12 Business Studies: Engaging Questions & Answers for Success

Master Class 12 Economics: Engaging Questions & Answers for Success

Master Class 12 Social Science: Engaging Questions & Answers for Success

Master Class 12 Maths: Engaging Questions & Answers for Success

Master Class 12 Chemistry: Engaging Questions & Answers for Success

Trending doubts
What are the major means of transport Explain each class 12 social science CBSE

Which are the Top 10 Largest Countries of the World?

Draw a labelled sketch of the human eye class 12 physics CBSE

Explain sex determination in humans with line diag class 12 biology CBSE

The pH of the pancreatic juice is A 64 B 86 C 120 D class 12 biology CBSE

Explain sex determination in humans with the help of class 12 biology CBSE

