
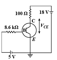
For the transistor circuit shown in figure, if \[\beta = 100\], voltage drop across emitter and base is 0.7V, then the value of \[{V_{CE}}\] will be
Answer
576.9k+ views
Hint: Use KVL in the first loop to determine the base current. We know the amplification factor is the ratio of collector current to base current. Calculate the collector current using the given amplification factor. Then use KVL in the second loop to express the voltage drop across collector and emitter.
Formula used:
According to Ohm’s law,
\[V = IR\]
\[{\beta _{AC}} = \dfrac{{{I_C}}}{{{I_B}}}\]
Here, \[{I_C}\] is the collector current and \[{\beta _{AC}}\] s the AC current gain.
Complete step by step answer:
We can find the base current in the above transistor circuit by applying KVL in the first loop containing 5V supply, \[8\,k\Omega \] resistance as follows,
\[5 - 8.6{I_B} - {V_{BE}} = 0\]
Here, \[{V_{BE}}\] is the voltage drop across base and emitter and \[{I_B}\] is the base current.
We substitute 0.7 V for \[{V_{BE}}\] in the above equation.
\[5 - 8.6{I_B} - 0.7 = 0\]
\[ \Rightarrow {I_B} = \dfrac{{5 - 0.7}}{{8.6}}\]
\[ \Rightarrow {I_B} = 0.5\,mA\]
We know the relation,
\[{\beta _{AC}} = \dfrac{{{I_C}}}{{{I_B}}}\]
\[ \Rightarrow {I_C} = {\beta _{AC}}{I_B}\]
Here, \[{I_C}\] is the collector current and \[{\beta _{AC}}\] s the AC current gain.
We substitute 100 for \[{\beta _{AC}}\] and 0.5 mA for \[{I_B}\] in the above equation.
\[{I_C} = \left( {100} \right)\left( {0.5\,mA} \right)\]
\[ \Rightarrow {I_C} = 50\,mA\]
Now, to determine the voltage drop across collector-emitter, we apply KVL is the second loop as follows,
\[{V_{CC}} - {I_C}R - {V_{CE}} = 0\]
Here, \[{V_{CC}}\] is the collector voltage and \[{V_{CE}}\] is the voltage across the collector-emitter.
We substitute 18 V for \[{V_{CC}}\], 50mA for \[{I_C}\] and \[100\,\Omega \] for R in the above equation.
\[18 - \left( {50 \times {{10}^{ - 3}}\,A} \right)\left( {100\,\Omega } \right) - {V_{CE}} = 0\]
\[ \Rightarrow {V_{CE}} = 13\,V\]
Therefore, the voltage drop across the collector-emitter is 13 V.
Note:
We know KVL states that the voltage in the complete loop is the sum of voltage drop across each component. IF there is addition of voltage in the loop, then it should be taken as positive and if there is drop in the voltage then it should be taken as negative. In the above solution, we have taken the collector voltage positive because it gets added in the voltage from the second loop.
Formula used:
According to Ohm’s law,
\[V = IR\]
\[{\beta _{AC}} = \dfrac{{{I_C}}}{{{I_B}}}\]
Here, \[{I_C}\] is the collector current and \[{\beta _{AC}}\] s the AC current gain.
Complete step by step answer:
We can find the base current in the above transistor circuit by applying KVL in the first loop containing 5V supply, \[8\,k\Omega \] resistance as follows,
\[5 - 8.6{I_B} - {V_{BE}} = 0\]
Here, \[{V_{BE}}\] is the voltage drop across base and emitter and \[{I_B}\] is the base current.
We substitute 0.7 V for \[{V_{BE}}\] in the above equation.
\[5 - 8.6{I_B} - 0.7 = 0\]
\[ \Rightarrow {I_B} = \dfrac{{5 - 0.7}}{{8.6}}\]
\[ \Rightarrow {I_B} = 0.5\,mA\]
We know the relation,
\[{\beta _{AC}} = \dfrac{{{I_C}}}{{{I_B}}}\]
\[ \Rightarrow {I_C} = {\beta _{AC}}{I_B}\]
Here, \[{I_C}\] is the collector current and \[{\beta _{AC}}\] s the AC current gain.
We substitute 100 for \[{\beta _{AC}}\] and 0.5 mA for \[{I_B}\] in the above equation.
\[{I_C} = \left( {100} \right)\left( {0.5\,mA} \right)\]
\[ \Rightarrow {I_C} = 50\,mA\]
Now, to determine the voltage drop across collector-emitter, we apply KVL is the second loop as follows,
\[{V_{CC}} - {I_C}R - {V_{CE}} = 0\]
Here, \[{V_{CC}}\] is the collector voltage and \[{V_{CE}}\] is the voltage across the collector-emitter.
We substitute 18 V for \[{V_{CC}}\], 50mA for \[{I_C}\] and \[100\,\Omega \] for R in the above equation.
\[18 - \left( {50 \times {{10}^{ - 3}}\,A} \right)\left( {100\,\Omega } \right) - {V_{CE}} = 0\]
\[ \Rightarrow {V_{CE}} = 13\,V\]
Therefore, the voltage drop across the collector-emitter is 13 V.
Note:
We know KVL states that the voltage in the complete loop is the sum of voltage drop across each component. IF there is addition of voltage in the loop, then it should be taken as positive and if there is drop in the voltage then it should be taken as negative. In the above solution, we have taken the collector voltage positive because it gets added in the voltage from the second loop.
Recently Updated Pages
Master Class 12 Economics: Engaging Questions & Answers for Success

Master Class 12 Physics: Engaging Questions & Answers for Success

Master Class 12 English: Engaging Questions & Answers for Success

Master Class 12 Social Science: Engaging Questions & Answers for Success

Master Class 12 Maths: Engaging Questions & Answers for Success

Master Class 12 Business Studies: Engaging Questions & Answers for Success

Trending doubts
What are the major means of transport Explain each class 12 social science CBSE

India is a sovereign socialist secular democratic republic class 12 social science CBSE

How many states of matter are there in total class 12 chemistry CBSE

What are the advantages of vegetative propagation class 12 biology CBSE

Suicide bags of cells are aEndoplasmic reticulum bLysosome class 12 biology CBSE

What is the Full Form of PVC, PET, HDPE, LDPE, PP and PS ?

