
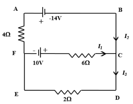
For the circuit shown below let \[{I_1}\], \[{I_2}\] and \[{I_3}\] be the current marked in respective branches, then
A. \[{I_1} = 0.22A,{I_2} = 5.44A,{I_3} = 5.66A\]
B. \[{I_1} = - 2A,{I_2} = - 3A,{I_3} = - 1A\]
C. \[{I_1} = 2A,{I_2} = 3A,{I_3} = - 1A\]
D. \[{I_1} = - 2A,{I_2} = 3A,{I_3} = 1A\]
Answer
548.1k+ views
Hint: The given circuit represents an electrical network. There are three currents in the circuit, namely\[{I_1}\], \[{I_2}\] and \[{I_3}\]. The values of these currents can be found out by Kirchhoff’s Voltage Law or loop theorem. It states that, in a closed loop of an electrical network, the algebraic sum of the potential differences for all the components plus the algebraic sum of emfs is equal to zero.
Complete step by step answer:
The given circuit is a combination of various electric circuit elements (components) and sources of emf and voltages connected in a complicated manner. This is called an electrical network. The emf is positive if we traverse from the negative terminal to the positive terminal inside the cell and the emf is negative if we traverse from the positive terminal to the negative terminal.
In loop ABCFA,
\[14V + 6{I_1} - 10V + 4{I_3} = 0\]
This can be also written as
\[6{I_1} + 4{I_3} = 24V\] \[ \to (1)\]
In loop FCDEF,
\[10V + 6{I_1} - 2{I_3} = 0\]
This can be also written as
\[6{I_1} - 2{I_3} = - 10V\] \[ \to (2)\]
Subtracting equation (1) from equation (2)
\[ - 6{I_3} = - 34V \\
\Rightarrow {I_3} = 5.66A\]
Substituting the value of \[{I_3}\] in equation (2)
\[6{I_1} - 2\left( {5.66} \right) = - 10 \\
\Rightarrow 6{I_1} = - 10 + 11.33 \\
\Rightarrow 6{I_1} = 1.33 \\
\Rightarrow {I_1} = 0.22A\]
Sum of currents flowing toward a junction is equal to the sum of currents flowing away from the junction. Therefore, at junction C
\[{I_2} + {I_1} = {I_3} \\
\Rightarrow {I_2} = {I_3} - {I_1} \\
\Rightarrow {I_2} = 5.66 - 0.22 \\
\therefore {I_2} = 5.44A\]
The values of currents \[{I_1}\], \[{I_2}\] and \[{I_3}\] are \[0.22A\], \[5.44A\] and \[5.66A\]respectively.
Hence, option A is the correct answer.
Note: The Kirchhoff’s Voltage Law or loop theorem is only applicable for closed circuits. As the sun of all the potential differences and the emf’s is zero, the Kirchhoff’s Voltage Law is in accordance with the conservation of energy. In that closed loop of electrical network, if the direction of tracing is same as that of the conventional current flow then the potential difference across the resistances is considered as negative otherwise it is positive.
Complete step by step answer:
The given circuit is a combination of various electric circuit elements (components) and sources of emf and voltages connected in a complicated manner. This is called an electrical network. The emf is positive if we traverse from the negative terminal to the positive terminal inside the cell and the emf is negative if we traverse from the positive terminal to the negative terminal.
In loop ABCFA,
\[14V + 6{I_1} - 10V + 4{I_3} = 0\]
This can be also written as
\[6{I_1} + 4{I_3} = 24V\] \[ \to (1)\]
In loop FCDEF,
\[10V + 6{I_1} - 2{I_3} = 0\]
This can be also written as
\[6{I_1} - 2{I_3} = - 10V\] \[ \to (2)\]
Subtracting equation (1) from equation (2)
\[ - 6{I_3} = - 34V \\
\Rightarrow {I_3} = 5.66A\]
Substituting the value of \[{I_3}\] in equation (2)
\[6{I_1} - 2\left( {5.66} \right) = - 10 \\
\Rightarrow 6{I_1} = - 10 + 11.33 \\
\Rightarrow 6{I_1} = 1.33 \\
\Rightarrow {I_1} = 0.22A\]
Sum of currents flowing toward a junction is equal to the sum of currents flowing away from the junction. Therefore, at junction C
\[{I_2} + {I_1} = {I_3} \\
\Rightarrow {I_2} = {I_3} - {I_1} \\
\Rightarrow {I_2} = 5.66 - 0.22 \\
\therefore {I_2} = 5.44A\]
The values of currents \[{I_1}\], \[{I_2}\] and \[{I_3}\] are \[0.22A\], \[5.44A\] and \[5.66A\]respectively.
Hence, option A is the correct answer.
Note: The Kirchhoff’s Voltage Law or loop theorem is only applicable for closed circuits. As the sun of all the potential differences and the emf’s is zero, the Kirchhoff’s Voltage Law is in accordance with the conservation of energy. In that closed loop of electrical network, if the direction of tracing is same as that of the conventional current flow then the potential difference across the resistances is considered as negative otherwise it is positive.
Recently Updated Pages
A man running at a speed 5 ms is viewed in the side class 12 physics CBSE

The number of solutions in x in 02pi for which sqrt class 12 maths CBSE

State and explain Hardy Weinbergs Principle class 12 biology CBSE

Write any two methods of preparation of phenol Give class 12 chemistry CBSE

Which of the following statements is wrong a Amnion class 12 biology CBSE

Differentiate between action potential and resting class 12 biology CBSE

Trending doubts
What are the major means of transport Explain each class 12 social science CBSE

Which are the Top 10 Largest Countries of the World?

Draw a labelled sketch of the human eye class 12 physics CBSE

How much time does it take to bleed after eating p class 12 biology CBSE

Explain sex determination in humans with line diag class 12 biology CBSE

Explain sex determination in humans with the help of class 12 biology CBSE

