
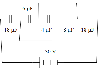
Five capacitors are connected to each other as shown. What is the potential drop and charge across the \[4\mu F\] capacitor?
\[A.\,6V,30\mu C\]
\[B.\,10V,30\mu C\]
\[C.\,6V,40\mu C\]
\[D.\,10V,40\mu C\]
Answer
565.2k+ views
Hint: Firstly, we will compute the equivalent capacitance of the capacitors of the given circuit. Then, we will compute the potential drop across the capacitor \[4\mu F\]. And, then, the charge on the capacitor is calculated using the potential drop obtained.
Formula used:
\[\begin{align}
& {{C}_{P}}={{C}_{1}}+{{C}_{2}}+... \\
& {{V}_{S}}=\dfrac{V}{n} \\
& C=\dfrac{Q}{V} \\
\end{align}\]
Complete step by step answer:
Consider the given circuit diagram while going through the following steps.
From the figure, it’s clear that the capacitors 6, 4 and 8 are parallel to each other. Thus, we will compute the parallel capacitance.
The formula for calculating the parallel capacitance is as follows.
\[{{C}_{P}}={{C}_{1}}+{{C}_{2}}+...\]
Substitute the values of the capacitance of the capacitors in the above equation.
\[\begin{align}
& {{C}_{648}}=6+4+8 \\
& \Rightarrow {{C}_{648}}=18\mu F \\
\end{align}\]
Now, the capacitors, 18, 18 and 18 have the same capacitance value and even are parallel to each other. Thus, the potential drop across each capacitor is calculated as follows.
The formula for calculating the voltage across the series capacitors with the same capacitance value.
\[{{V}_{S}}=\dfrac{V}{n}\]
Where V is the potential drop value and n is the number of series capacitors having the same capacitance value.
Substitute the values in the above equation.
\[\begin{align}
& {{V}_{S}}=\dfrac{30}{3} \\
& \Rightarrow {{V}_{S}}=10\,V \\
\end{align}\]
Now let us compute the charge on the capacitor \[4\mu F\].
We know that the potential drop across the parallel capacitors is equal, thus, the voltage drop across the \[4\mu F\] capacitor will be the same as the 10 V.
Therefore, the charge on the capacitor \[4\mu F\] is,
\[\begin{align}
& Q=CV \\
& \Rightarrow Q=4\mu \times 10 \\
& \therefore Q=40\mu C \\
\end{align}\]
Therefore, the potential drop and the charge across the capacitor \[4\mu F\] is, 10 V and
As the value of the potential drop and charge across the \[4\mu F\] capacitor is 10 V and \[40\mu C\], Thus, the option (D) is correct.
Note:
This question is a direct one, except, if we know how to find the capacitance of the capacitors arranged in a circuit as given. The units of the parameters should be taken care of while solving these types of problems like nano, micro, etc.
Formula used:
\[\begin{align}
& {{C}_{P}}={{C}_{1}}+{{C}_{2}}+... \\
& {{V}_{S}}=\dfrac{V}{n} \\
& C=\dfrac{Q}{V} \\
\end{align}\]
Complete step by step answer:
Consider the given circuit diagram while going through the following steps.
From the figure, it’s clear that the capacitors 6, 4 and 8 are parallel to each other. Thus, we will compute the parallel capacitance.
The formula for calculating the parallel capacitance is as follows.
\[{{C}_{P}}={{C}_{1}}+{{C}_{2}}+...\]
Substitute the values of the capacitance of the capacitors in the above equation.
\[\begin{align}
& {{C}_{648}}=6+4+8 \\
& \Rightarrow {{C}_{648}}=18\mu F \\
\end{align}\]
Now, the capacitors, 18, 18 and 18 have the same capacitance value and even are parallel to each other. Thus, the potential drop across each capacitor is calculated as follows.
The formula for calculating the voltage across the series capacitors with the same capacitance value.
\[{{V}_{S}}=\dfrac{V}{n}\]
Where V is the potential drop value and n is the number of series capacitors having the same capacitance value.
Substitute the values in the above equation.
\[\begin{align}
& {{V}_{S}}=\dfrac{30}{3} \\
& \Rightarrow {{V}_{S}}=10\,V \\
\end{align}\]
Now let us compute the charge on the capacitor \[4\mu F\].
We know that the potential drop across the parallel capacitors is equal, thus, the voltage drop across the \[4\mu F\] capacitor will be the same as the 10 V.
Therefore, the charge on the capacitor \[4\mu F\] is,
\[\begin{align}
& Q=CV \\
& \Rightarrow Q=4\mu \times 10 \\
& \therefore Q=40\mu C \\
\end{align}\]
Therefore, the potential drop and the charge across the capacitor \[4\mu F\] is, 10 V and
As the value of the potential drop and charge across the \[4\mu F\] capacitor is 10 V and \[40\mu C\], Thus, the option (D) is correct.
Note:
This question is a direct one, except, if we know how to find the capacitance of the capacitors arranged in a circuit as given. The units of the parameters should be taken care of while solving these types of problems like nano, micro, etc.
Recently Updated Pages
Master Class 12 English: Engaging Questions & Answers for Success

Master Class 12 Business Studies: Engaging Questions & Answers for Success

Master Class 12 Economics: Engaging Questions & Answers for Success

Master Class 12 Social Science: Engaging Questions & Answers for Success

Master Class 12 Maths: Engaging Questions & Answers for Success

Master Class 12 Chemistry: Engaging Questions & Answers for Success

Trending doubts
What are the major means of transport Explain each class 12 social science CBSE

Which are the Top 10 Largest Countries of the World?

Draw a labelled sketch of the human eye class 12 physics CBSE

Explain sex determination in humans with line diag class 12 biology CBSE

The pH of the pancreatic juice is A 64 B 86 C 120 D class 12 biology CBSE

Explain sex determination in humans with the help of class 12 biology CBSE

