
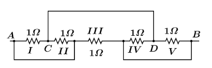
Five \[1\Omega \] resistances are connected as shown in the diagram. The resistance in the connecting wires is negligible. The equivalent resistance between $A$ and $B$ is
Answer
503.7k+ views
Hint: In electricity, resistance is the property of a material which opposes the flow of current through its and such electric components which shows this property called resistor. When resistors are connected in series their net resistance between two points can be calculated mathematically as ${R_{series}} = {R_1} + {R_2} + .... + {R_n}$ and if these resistors are connected in parallel to each other, then net resistance between two points is calculated mathematically as $\dfrac{1}{{{R_{parallel}}}} = \dfrac{1}{{{R_1}}} + \dfrac{1}{{{R_2}}} + .... + \dfrac{1}{{{R_n}}}$ hence, we will use these general formulas to find net resistance between point A and B in the given electric circuit.
Complete step by step answer:
The electrical circuit can also be reduced into its simple form as the resistors $I(and)II$ are connected in series to each other. Resistors $IV(and)V$ are connected in series,now these two series combination $I(and)II$ and $IV(and)V$ are connected in parallel with the resistor $III$ , hence the reduced circuit can be drawn as:
Now, Calculating net resistance of resistors $I(and)II$ which are connected in series, of resistances $R = 1\Omega $
So, ${R_{I,II}} = 1 + 1$
${R_{I,II}} = 2\Omega \to (i)$
Similarly, the combination $IV(and)V$ are connected in series with resistance of $R = 1\Omega $
So, ${R_{IV,V}} = 1 + 1$
${R_{IV,V}} = 2\Omega \to (ii)$
Now, the three combination of resistances ${R_{I,II}} = 2\Omega \to (i)$ ${R_{IV,V}} = 2\Omega \to (ii)$ and ${R_{III}} = 1\Omega $ are all connected in parallel to each other,
So net resistance between points A and B is calculated by using the parallel formula
$\dfrac{1}{{{R_{AB}}}} = \dfrac{1}{{{R_{I,II}}}} + \dfrac{1}{{{R_{IV,V}}}} + \dfrac{1}{{{R_{III}}}}$
$\Rightarrow \dfrac{1}{{{R_{AB}}}} = \dfrac{1}{2} + \dfrac{1}{2} + \dfrac{1}{1}$
$\Rightarrow \dfrac{1}{{{R_{AB}}}} = 2$
$\Rightarrow {R_{AB}} = \dfrac{1}{2}\Omega $
$\therefore {R_{AB}} = 0.5\Omega $
Hence, the equivalent resistance between point A and B is ${R_{AB}} = 0.5\Omega $.
Note: It should be remembered that, when one resistors starting point is directly connected with the terminal point of another resistance it’s said to be resistances are connected in series, In series connection same current flows through each resistances whereas in parallel combination of resistances the current is not same but voltage across each resistances is same.
Complete step by step answer:
The electrical circuit can also be reduced into its simple form as the resistors $I(and)II$ are connected in series to each other. Resistors $IV(and)V$ are connected in series,now these two series combination $I(and)II$ and $IV(and)V$ are connected in parallel with the resistor $III$ , hence the reduced circuit can be drawn as:
Now, Calculating net resistance of resistors $I(and)II$ which are connected in series, of resistances $R = 1\Omega $
So, ${R_{I,II}} = 1 + 1$
${R_{I,II}} = 2\Omega \to (i)$
Similarly, the combination $IV(and)V$ are connected in series with resistance of $R = 1\Omega $
So, ${R_{IV,V}} = 1 + 1$
${R_{IV,V}} = 2\Omega \to (ii)$
Now, the three combination of resistances ${R_{I,II}} = 2\Omega \to (i)$ ${R_{IV,V}} = 2\Omega \to (ii)$ and ${R_{III}} = 1\Omega $ are all connected in parallel to each other,
So net resistance between points A and B is calculated by using the parallel formula
$\dfrac{1}{{{R_{AB}}}} = \dfrac{1}{{{R_{I,II}}}} + \dfrac{1}{{{R_{IV,V}}}} + \dfrac{1}{{{R_{III}}}}$
$\Rightarrow \dfrac{1}{{{R_{AB}}}} = \dfrac{1}{2} + \dfrac{1}{2} + \dfrac{1}{1}$
$\Rightarrow \dfrac{1}{{{R_{AB}}}} = 2$
$\Rightarrow {R_{AB}} = \dfrac{1}{2}\Omega $
$\therefore {R_{AB}} = 0.5\Omega $
Hence, the equivalent resistance between point A and B is ${R_{AB}} = 0.5\Omega $.
Note: It should be remembered that, when one resistors starting point is directly connected with the terminal point of another resistance it’s said to be resistances are connected in series, In series connection same current flows through each resistances whereas in parallel combination of resistances the current is not same but voltage across each resistances is same.
Recently Updated Pages
Master Class 12 Business Studies: Engaging Questions & Answers for Success

Master Class 12 Economics: Engaging Questions & Answers for Success

Master Class 12 English: Engaging Questions & Answers for Success

Master Class 12 Maths: Engaging Questions & Answers for Success

Master Class 12 Social Science: Engaging Questions & Answers for Success

Master Class 12 Chemistry: Engaging Questions & Answers for Success

Trending doubts
What are the major means of transport Explain each class 12 social science CBSE

Which are the Top 10 Largest Countries of the World?

Draw a labelled sketch of the human eye class 12 physics CBSE

Explain sex determination in humans with line diag class 12 biology CBSE

The pH of the pancreatic juice is A 64 B 86 C 120 D class 12 biology CBSE

Explain sex determination in humans with the help of class 12 biology CBSE

