
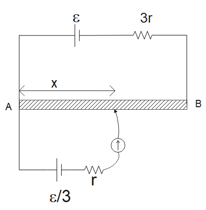
Find the position of Jockey from point A so that there is no deflection in Galvanometer. Length of wire AB is L and its resistance is 12r.
a.) $\dfrac{5L}{12}$ from point “A”
b.) $\dfrac{5L}{6}$ from point “A”
c.) $\dfrac{5L}{12}$ from point “B”
d.) $\dfrac{7L}{12}$ from point “A”
Answer
528.3k+ views
Hint: A galvanometer is a device that detects electrical current and also measures them. Galvanometers have a needle which is basically in the center position, when a current passes through the galvanometer the needle gets deflected either in left or right position, and the top point of needle shows the magnitude of current. When the needle is in center position this means no potential difference is there at that point
Complete answer:
We have been given that the length of wire is “L”
Resistance of wire is “12r”
The current through the wire can be given as
$I=\dfrac{\varepsilon }{12r+3r}$
$I=\dfrac{\varepsilon }{15r}$
Potential drop across the wire can be given as
$\Delta V=\dfrac{\varepsilon }{15r}\times 12r$
$\Delta V=\dfrac{4\varepsilon }{5}$
Now potential gradient or voltage per unit length can be given as
$\dfrac{V}{L}=\dfrac{4\varepsilon }{5L}$
Now potential in a wire of length “x” can be given as $\dfrac{4\varepsilon }{5L}\times x$
Now if we want that there should be no deflection in the galvanometer then for this condition the below equation must be satisfied
$\dfrac{4\varepsilon }{5L}\times x=\dfrac{\varepsilon }{3}$
Therefore $x=\dfrac{5L}{12}$
So, we can say that the value of “x” should be $\dfrac{5L}{12}$ from point A
Hence, we can say that option (A) is the correct answer .
Note:
The length that we have found in the question is the length where the galvanometer shows no deflection. We can find this length from any point of reference either from point A and from point B, but the reference point should always be taken from a point where the galvanometer wire is connected. If we take it in some other direction then we might get the length in negative or it can be possible that we get a wrong answer.
Complete answer:
We have been given that the length of wire is “L”
Resistance of wire is “12r”
The current through the wire can be given as
$I=\dfrac{\varepsilon }{12r+3r}$
$I=\dfrac{\varepsilon }{15r}$
Potential drop across the wire can be given as
$\Delta V=\dfrac{\varepsilon }{15r}\times 12r$
$\Delta V=\dfrac{4\varepsilon }{5}$
Now potential gradient or voltage per unit length can be given as
$\dfrac{V}{L}=\dfrac{4\varepsilon }{5L}$
Now potential in a wire of length “x” can be given as $\dfrac{4\varepsilon }{5L}\times x$
Now if we want that there should be no deflection in the galvanometer then for this condition the below equation must be satisfied
$\dfrac{4\varepsilon }{5L}\times x=\dfrac{\varepsilon }{3}$
Therefore $x=\dfrac{5L}{12}$
So, we can say that the value of “x” should be $\dfrac{5L}{12}$ from point A
Hence, we can say that option (A) is the correct answer .
Note:
The length that we have found in the question is the length where the galvanometer shows no deflection. We can find this length from any point of reference either from point A and from point B, but the reference point should always be taken from a point where the galvanometer wire is connected. If we take it in some other direction then we might get the length in negative or it can be possible that we get a wrong answer.
Recently Updated Pages
Why are manures considered better than fertilizers class 11 biology CBSE

Find the coordinates of the midpoint of the line segment class 11 maths CBSE

Distinguish between static friction limiting friction class 11 physics CBSE

The Chairman of the constituent Assembly was A Jawaharlal class 11 social science CBSE

The first National Commission on Labour NCL submitted class 11 social science CBSE

Number of all subshell of n + l 7 is A 4 B 5 C 6 D class 11 chemistry CBSE

Trending doubts
What is meant by exothermic and endothermic reactions class 11 chemistry CBSE

10 examples of friction in our daily life

One Metric ton is equal to kg A 10000 B 1000 C 100 class 11 physics CBSE

1 Quintal is equal to a 110 kg b 10 kg c 100kg d 1000 class 11 physics CBSE

Difference Between Prokaryotic Cells and Eukaryotic Cells

What are Quantum numbers Explain the quantum number class 11 chemistry CBSE

