
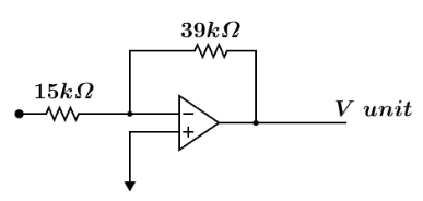
Find the output of ideal operational amplifier as shown in the following figure for the input of ${V_{in}} = {(120mV)_{dc}}$
Answer
512.4k+ views
Hint:In order to solve this question, we will use the definition of operational amplifier which states that an operational amplifier is an amplifier which amplifies the difference between the two terminals i.e. positive and negative. Op-Amp has input resistance, output resistance and a feedback circuit so that it can be amplified each time with a single input. There can be various types of Ideal Op-amp like it can work as differentiator, integrator, adder, subtractor, inverting and non-inverting. It is very useful in transforming and it can act as a low pass filter and high pass filter.
Complete step by step answer:
As we know, an ideal Op-Amp is one in which input resistance is $\infty $ and output resistance is $0$. In which we can use concept of Virtual Ground which states that if the Op-Amp is ideal and it has feedback then \[{V_ + } = {V_ - }\] where ${V_ + }$ is positive terminal voltage and ${V_ - }$ is negative terminal voltage
Using concept of Virtual ground we found that
${V_ + } = 0V$
$ \Rightarrow {V_ + } = {V_ - } = 0V$
Applying nodal analysis at node A we get
$\dfrac{{(0 - {V_{in}})}}{{15k\Omega }} + \dfrac{{(0 - {V_{out}})}}{{39k\Omega }} = 0$
$ \Rightarrow {V_{out}} = - (\dfrac{{39}}{{15}}) \times {V_{in}}$
$ \Rightarrow {V_{out}} = - (2.60 \times 120)\,mV$
$ \therefore {V_{out}} = - 312\,mV$
So the output is $ - 312\,mV$ inverted means it amplifies in opposite direction as shown in diagram
Hence, the output of an ideal operational amplifier is $ - 312\,mV$.
Note: It should be remembered that, here we deal with an ideal operational amplifier and in ideal Op-Amp input resistance is $\infty $ so no current could enter into the op-amp. Also Virtual Ground Concept can only be used when there is feedback in circuit of Op-Amp and also Op-Amp is ideal one. It should be remembered that it is inverting Op-Amp so it amplifies in the opposite direction that is $180^\circ $ out of phase.
Complete step by step answer:
As we know, an ideal Op-Amp is one in which input resistance is $\infty $ and output resistance is $0$. In which we can use concept of Virtual Ground which states that if the Op-Amp is ideal and it has feedback then \[{V_ + } = {V_ - }\] where ${V_ + }$ is positive terminal voltage and ${V_ - }$ is negative terminal voltage
Using concept of Virtual ground we found that
${V_ + } = 0V$
$ \Rightarrow {V_ + } = {V_ - } = 0V$
Applying nodal analysis at node A we get
$\dfrac{{(0 - {V_{in}})}}{{15k\Omega }} + \dfrac{{(0 - {V_{out}})}}{{39k\Omega }} = 0$
$ \Rightarrow {V_{out}} = - (\dfrac{{39}}{{15}}) \times {V_{in}}$
$ \Rightarrow {V_{out}} = - (2.60 \times 120)\,mV$
$ \therefore {V_{out}} = - 312\,mV$
So the output is $ - 312\,mV$ inverted means it amplifies in opposite direction as shown in diagram
Hence, the output of an ideal operational amplifier is $ - 312\,mV$.
Note: It should be remembered that, here we deal with an ideal operational amplifier and in ideal Op-Amp input resistance is $\infty $ so no current could enter into the op-amp. Also Virtual Ground Concept can only be used when there is feedback in circuit of Op-Amp and also Op-Amp is ideal one. It should be remembered that it is inverting Op-Amp so it amplifies in the opposite direction that is $180^\circ $ out of phase.
Recently Updated Pages
Master Class 12 English: Engaging Questions & Answers for Success

Master Class 12 Social Science: Engaging Questions & Answers for Success

Master Class 12 Maths: Engaging Questions & Answers for Success

Master Class 12 Economics: Engaging Questions & Answers for Success

Master Class 12 Physics: Engaging Questions & Answers for Success

Master Class 12 Business Studies: Engaging Questions & Answers for Success

Trending doubts
Which are the Top 10 Largest Countries of the World?

What are the major means of transport Explain each class 12 social science CBSE

Draw a labelled sketch of the human eye class 12 physics CBSE

Differentiate between insitu conservation and exsitu class 12 biology CBSE

RNA and DNA are chiral molecules their chirality is class 12 chemistry CBSE

RNA and DNA are chiral molecules their chirality is class 12 chemistry CBSE

