
Draw the diagram of induction coil and label the following:
A) Primary coil.
B) Make and break arrangement
Answer
531.9k+ views
Hint :An induction coil (also known as spark coil) is a kind of electrical transformer used to obtain high-voltage pulses from a low-voltage direct current supply. Induction coils work on the principle of mutual induction (change in the magnetic flux linked with the primary and the secondary coil).
Complete Step By Step Answer:
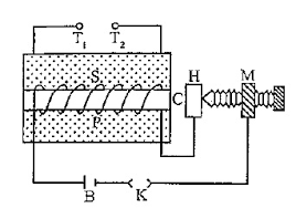
Here the part labelled as $M$ is called the Make and break arrangement.
The function of the primary coil is to induce a voltage in the secondary coil; thus the primary coil behaves as an inductor by storing energy in the magnetic field. Notice in the diagram that the coil labelled as P is the primary coil and is connected to the battery giving direct current input.
Make and break arrangement generally refers to a magnetically activated vibrating arm. The make and break arrangement interrupts the primary current suddenly causing the magnetic field to collapse rapidly which in turn causes a high voltage pulse to be developed across the secondary terminals through electromagnetic induction. The parts marked with $H$ and $M$ in the diagram together form a complete make and break arrangement. Opposite potentials are induced in the secondary coil when the circuit is continually broken and connected by the arrangement.
Note :
Induction coils were the first electrical transformers and were used to provide high voltage for various purposes such as early gas discharge, voltage research and entertainment (lighting tubes for example). They were used to demonstrate the existence of electromagnetic waves and were widely used in industrial wireless telegraphy. A compact version of induction coils is used nowadays to produce sparks in internal combustion engines.
Complete Step By Step Answer:
Here the part labelled as $M$ is called the Make and break arrangement.
The function of the primary coil is to induce a voltage in the secondary coil; thus the primary coil behaves as an inductor by storing energy in the magnetic field. Notice in the diagram that the coil labelled as P is the primary coil and is connected to the battery giving direct current input.
Make and break arrangement generally refers to a magnetically activated vibrating arm. The make and break arrangement interrupts the primary current suddenly causing the magnetic field to collapse rapidly which in turn causes a high voltage pulse to be developed across the secondary terminals through electromagnetic induction. The parts marked with $H$ and $M$ in the diagram together form a complete make and break arrangement. Opposite potentials are induced in the secondary coil when the circuit is continually broken and connected by the arrangement.
Note :
Induction coils were the first electrical transformers and were used to provide high voltage for various purposes such as early gas discharge, voltage research and entertainment (lighting tubes for example). They were used to demonstrate the existence of electromagnetic waves and were widely used in industrial wireless telegraphy. A compact version of induction coils is used nowadays to produce sparks in internal combustion engines.
Recently Updated Pages
A man running at a speed 5 ms is viewed in the side class 12 physics CBSE

The number of solutions in x in 02pi for which sqrt class 12 maths CBSE

State and explain Hardy Weinbergs Principle class 12 biology CBSE

Write any two methods of preparation of phenol Give class 12 chemistry CBSE

Which of the following statements is wrong a Amnion class 12 biology CBSE

Differentiate between action potential and resting class 12 biology CBSE

Trending doubts
What are the major means of transport Explain each class 12 social science CBSE

Which are the Top 10 Largest Countries of the World?

Draw a labelled sketch of the human eye class 12 physics CBSE

Explain sex determination in humans with line diag class 12 biology CBSE

Explain sex determination in humans with the help of class 12 biology CBSE

Differentiate between homogeneous and heterogeneous class 12 chemistry CBSE

