
Draw the circuit diagram of potentiometer which can be used to determine the internal resistance $(E)$ of a given cell of emf. Describe a method to find the internal resistance of a primary cell.
Answer
571.5k+ views
Hint: TIn order to draw the circuit diagram of potentiometer which is used to determine the internal resistance, we have to remember the circuit theory and how to connect the resistance in series and parallel. Also need to know about Kirchoff’s I and II
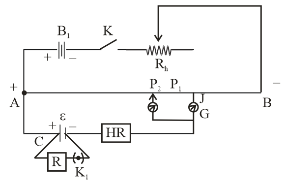
First, we have to complete a primary circuit in which a battery ${B_1}$, a key K, a potentiometer wire AB and a rheostat ${R_h}$ and connect them as series.
Secondly, a complete secondary circuit in which a high resistance box, a resistance box R, a cell C, a jockey J and a key K, will be consented as per requirement.
After using the following formula we can find internal resistance.
Complete step by step answer:
First, for determining the internal resistance of the potentiometer, we have to draw a circuit diagram.
In this circuit diagram there are 2 circuits. One is primary and another is secondary circuit.
1. Primary circuit – For completing primary circuit, take a battery ${B_1}$, a rheostat $({R_h})$ and a key $(k)$ and connect all these instruments with potentiometer wire in series.
2. Secondary circuit – For completing secondary circuit, take a cell C $($whose internal resistance has to be calculated$)$. And connect it to the potentiometer wire AB through a galvanometer with jockey J. Now, connect a resistance $(R)$ and a key $(k)$ across a cell.
Method to calculate internal resistance
Internally key k is closed and creates a potential difference across wire AB and adjusts the rheostat such that the galvanometer shows deflection on both sides.
Now, the key ${k_1}$ is kept open and obtains the position of null deflection by pressing the jockey on the wire. Let this position is ${\ell _1}$ from point A and the potential gradient on the wire is k.
We know that the terminal potential difference will be equal to the emf of cell i.e., $\varepsilon = k{\ell _1}$ ….. (1)
Now take some resistance from the resistance box and again the key ${k_1}$ is kept closed and obtained the position of null deflection by pressing the jockey on the wire. Let this position is ${\ell _2}$ from point A.
In the second condition the cell is also in a closed circuit. So, potential difference of cell $(V)$ will be equal to the potential difference across resistance R i.e. $V = K{\ell _2}$ …..(2)
On dividing $(1)/(2)$
$\dfrac{\varepsilon }{v} = \dfrac{{k{\ell _1}}}{{k{\ell _2}}}$
$\dfrac{\varepsilon }{v} = \dfrac{{{\ell _1}}}{{{\ell _2}}}$ …..(3)
We know that the internal resistance of cell is given by following expression
$r = \left( {\dfrac{\varepsilon }{v} - 1} \right)R$
From equation 1
$r = \left( {\dfrac{{{\ell _1}}}{{{\ell _2}}} - 1} \right)R$
By putting the value of ${\ell _1}$, ${\ell _2}$ and R we will get internal resistance of a primary cell.
Note:
Many times students may get confused between meter bridge and potentiometer.
A meter bridge also called a slide wire bridge is an interment that works on the principle of a Wheatstone bridge. It is used in finding the unknown resistance of a conductor as that of in a Wheatstone bridge.
Potentiometer is an instrument for measuring an electromotive force by balancing it against the potential difference produced by passing a known current through a known variable resistance.
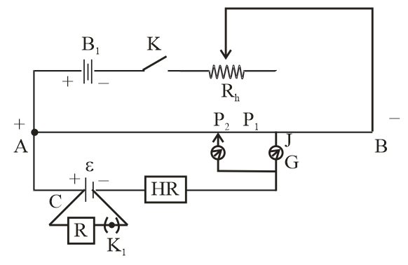
First, we have to complete a primary circuit in which a battery ${B_1}$, a key K, a potentiometer wire AB and a rheostat ${R_h}$ and connect them as series.
Secondly, a complete secondary circuit in which a high resistance box, a resistance box R, a cell C, a jockey J and a key K, will be consented as per requirement.
After using the following formula we can find internal resistance.
Complete step by step answer:
First, for determining the internal resistance of the potentiometer, we have to draw a circuit diagram.
In this circuit diagram there are 2 circuits. One is primary and another is secondary circuit.
1. Primary circuit – For completing primary circuit, take a battery ${B_1}$, a rheostat $({R_h})$ and a key $(k)$ and connect all these instruments with potentiometer wire in series.
2. Secondary circuit – For completing secondary circuit, take a cell C $($whose internal resistance has to be calculated$)$. And connect it to the potentiometer wire AB through a galvanometer with jockey J. Now, connect a resistance $(R)$ and a key $(k)$ across a cell.
Method to calculate internal resistance
Internally key k is closed and creates a potential difference across wire AB and adjusts the rheostat such that the galvanometer shows deflection on both sides.
Now, the key ${k_1}$ is kept open and obtains the position of null deflection by pressing the jockey on the wire. Let this position is ${\ell _1}$ from point A and the potential gradient on the wire is k.
We know that the terminal potential difference will be equal to the emf of cell i.e., $\varepsilon = k{\ell _1}$ ….. (1)
Now take some resistance from the resistance box and again the key ${k_1}$ is kept closed and obtained the position of null deflection by pressing the jockey on the wire. Let this position is ${\ell _2}$ from point A.
In the second condition the cell is also in a closed circuit. So, potential difference of cell $(V)$ will be equal to the potential difference across resistance R i.e. $V = K{\ell _2}$ …..(2)
On dividing $(1)/(2)$
$\dfrac{\varepsilon }{v} = \dfrac{{k{\ell _1}}}{{k{\ell _2}}}$
$\dfrac{\varepsilon }{v} = \dfrac{{{\ell _1}}}{{{\ell _2}}}$ …..(3)
We know that the internal resistance of cell is given by following expression
$r = \left( {\dfrac{\varepsilon }{v} - 1} \right)R$
From equation 1
$r = \left( {\dfrac{{{\ell _1}}}{{{\ell _2}}} - 1} \right)R$
By putting the value of ${\ell _1}$, ${\ell _2}$ and R we will get internal resistance of a primary cell.
Note:
Many times students may get confused between meter bridge and potentiometer.
A meter bridge also called a slide wire bridge is an interment that works on the principle of a Wheatstone bridge. It is used in finding the unknown resistance of a conductor as that of in a Wheatstone bridge.
Potentiometer is an instrument for measuring an electromotive force by balancing it against the potential difference produced by passing a known current through a known variable resistance.
Recently Updated Pages
The number of solutions in x in 02pi for which sqrt class 12 maths CBSE

Write any two methods of preparation of phenol Give class 12 chemistry CBSE

Differentiate between action potential and resting class 12 biology CBSE

Two plane mirrors arranged at right angles to each class 12 physics CBSE

Which of the following molecules is are chiral A I class 12 chemistry CBSE

Name different types of neurons and give one function class 12 biology CBSE

Trending doubts
Which are the Top 10 Largest Countries of the World?

What are the major means of transport Explain each class 12 social science CBSE

Draw a labelled sketch of the human eye class 12 physics CBSE

Draw the diagram showing the germination of pollen class 12 biology CBSE

Differentiate between insitu conservation and exsitu class 12 biology CBSE

The computer jargonwwww stands for Aworld wide web class 12 physics CBSE

