
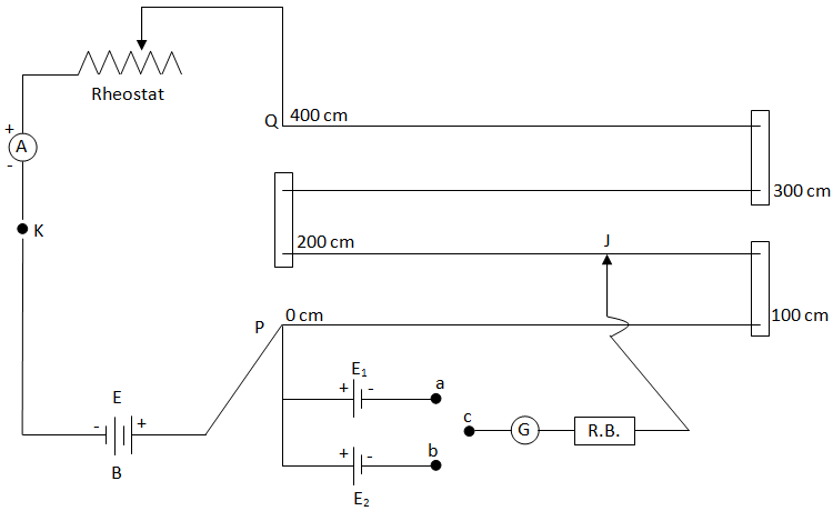
Describe the experiment to compare the e.m.f. of two cells using potentiometer under the following points:
(i). Labeled circuit diagram
(ii). Derivation of formula
(iii). Observation table
(iv). Two precautions.
Answer
603.9k+ views
- Hint- In order to perform the experiment first we will set up the circuit with the help of different electrical apparatus according to the circuit diagram given. Then we will perform the experiment step by step and will keep the record of the readings in the observation table. we will perform the experiment keeping the points of error under control.
Complete step-by-step solution -
Aim
To compare the EMF of two given primary cells with the help of a potentiometer.
Labeled circuit diagram
Apparatus/Material Required as mentioned in the diagram are:
Potentiometer
Low resistance Rheostat
Ammeter
Voltmeter
Galvanometer
A one-way key
A two-way key
Set Square
Jockey
Resistance Box
Connecting wires
Derivation of formula:
Let E1 and E2 are EMFs of two cells, L1 and L2 are the balancing lengths when E1 and E2 are connected to the circuit respectively and $\phi $ is the potential gradient along the potentiometer wire.
As we know the relation between EMF and the potential gradient is:
$E = \phi L$
For the first cell.
$ \Rightarrow {E_1} = \phi {L_1}$ ----- (1)
For the second cell.
$ \Rightarrow {E_2} = \phi {L_2}$ ---- (2)
To find the relation between both the EMF let us divide equation (1) by equation (2)
\[
\Rightarrow \dfrac{{{E_1}}}{{{E_2}}} = \dfrac{{\phi {L_1}}}{{\phi {L_2}}} \\
\Rightarrow \dfrac{{{E_1}}}{{{E_2}}} = \dfrac{{{L_1}}}{{{L_2}}} \\
\]
If this ratio for the observation is greater than one than the first cell has higher EMF but if this ratio for the observation is less than one then the second cell will have higher EMF.
Observation table:
E.M.F of battery, E =
E.M.F of first cell, E1 =
E.M.F of second cell, E2 =
Range of voltmeter =
Least count of voltmeter =
Least count of ammeter =
Zero error of ammeter =
The table must be filled according to the cells.
Precautions:
The connections should be neat, clean and tight.
The positive poles of the battery E and cells E1 and E2 should all be connected to the terminal at the zero of the wires.
The ammeter reading should remain constant for a particular set of observations. If necessary, adjust the rheostat for this purpose.
The e.m.f. of the battery should be greater than the e.m.f. of the either of the two cells.
Some high resistance plugs should always be taken out from the resistance box before the jockey is moved along the wire.
Hence, the experiment is done as suggested above.
Note- A potentiometer is a three terminal device that is used to measure the potential difference by manually varying the resistance. The principle of potentiometer is for a constant current, the fall of potentiometer along a uniform wire is directly proportional to its length. Electromotive force is the measurement of the energy that causes the current to flow through a circuit. It is also known as voltage and is measured in volts.
Complete step-by-step solution -
Aim
To compare the EMF of two given primary cells with the help of a potentiometer.
Labeled circuit diagram
Apparatus/Material Required as mentioned in the diagram are:
Potentiometer
Low resistance Rheostat
Ammeter
Voltmeter
Galvanometer
A one-way key
A two-way key
Set Square
Jockey
Resistance Box
Connecting wires
Derivation of formula:
Let E1 and E2 are EMFs of two cells, L1 and L2 are the balancing lengths when E1 and E2 are connected to the circuit respectively and $\phi $ is the potential gradient along the potentiometer wire.
As we know the relation between EMF and the potential gradient is:
$E = \phi L$
For the first cell.
$ \Rightarrow {E_1} = \phi {L_1}$ ----- (1)
For the second cell.
$ \Rightarrow {E_2} = \phi {L_2}$ ---- (2)
To find the relation between both the EMF let us divide equation (1) by equation (2)
\[
\Rightarrow \dfrac{{{E_1}}}{{{E_2}}} = \dfrac{{\phi {L_1}}}{{\phi {L_2}}} \\
\Rightarrow \dfrac{{{E_1}}}{{{E_2}}} = \dfrac{{{L_1}}}{{{L_2}}} \\
\]
If this ratio for the observation is greater than one than the first cell has higher EMF but if this ratio for the observation is less than one then the second cell will have higher EMF.
Observation table:
E.M.F of battery, E =
E.M.F of first cell, E1 =
E.M.F of second cell, E2 =
Range of voltmeter =
Least count of voltmeter =
Least count of ammeter =
Zero error of ammeter =
The table must be filled according to the cells.
Precautions:
The connections should be neat, clean and tight.
The positive poles of the battery E and cells E1 and E2 should all be connected to the terminal at the zero of the wires.
The ammeter reading should remain constant for a particular set of observations. If necessary, adjust the rheostat for this purpose.
The e.m.f. of the battery should be greater than the e.m.f. of the either of the two cells.
Some high resistance plugs should always be taken out from the resistance box before the jockey is moved along the wire.
Hence, the experiment is done as suggested above.
Note- A potentiometer is a three terminal device that is used to measure the potential difference by manually varying the resistance. The principle of potentiometer is for a constant current, the fall of potentiometer along a uniform wire is directly proportional to its length. Electromotive force is the measurement of the energy that causes the current to flow through a circuit. It is also known as voltage and is measured in volts.
Recently Updated Pages
The number of solutions in x in 02pi for which sqrt class 12 maths CBSE

Write any two methods of preparation of phenol Give class 12 chemistry CBSE

Differentiate between action potential and resting class 12 biology CBSE

Two plane mirrors arranged at right angles to each class 12 physics CBSE

Which of the following molecules is are chiral A I class 12 chemistry CBSE

Name different types of neurons and give one function class 12 biology CBSE

Trending doubts
Which are the Top 10 Largest Countries of the World?

What are the major means of transport Explain each class 12 social science CBSE

Draw a labelled sketch of the human eye class 12 physics CBSE

Differentiate between insitu conservation and exsitu class 12 biology CBSE

The computer jargonwwww stands for Aworld wide web class 12 physics CBSE

State the principle of an ac generator and explain class 12 physics CBSE

