
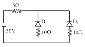
Calculate the current through the given circuit (the diodes are ideal)
(A) 6A
(B) 12A
(C) 1As
(D) 2A
Answer
544.2k+ views
Hint: For solving the circuit diagram first we use the biasing of diode i.e. if the diode is reversed biased then there is no current flow in the circuit. If the diode is forward biased then there is current flow in the circuit. If resistance are in series then total resistance is ${R_1} + {R_2} + ....$. After then applying ohm’s law we will get the value of current flowing in the circuit.
Complete step by step answer:
In the circuit diagram, we can sec ${D_1}$ is reversed biased that means there are no current flow through ${D_1}$
${D_2}$ is forward biased that means there are current flow through ${D_2}$
So the total resistance of the circuit is
${R_L} + {R_{{D_2}}}$
$\Rightarrow{T_{total}} = 5 + 10$
$\Rightarrow{R_{total}} = 15\Omega $
We know according to ohm’s law current through the circuit
$I = \dfrac{v}{r}$
Given that $v = 30\,V$
${R_{total}} = 15\Omega $
So, $I = \dfrac{{30}}{{15}}$
$\therefore I = 2\,A$
Hence option D is correct.
Note: Forward biasing means p part of p-n junction diode is connected to $ + ve$ terminal of battery and $ - ve$ terminal to n junction. Reverse biasing means p terminal is connected to $ - ve$ terminal and n junction is connected to $ + ve$ terminal of battery
Complete step by step answer:
In the circuit diagram, we can sec ${D_1}$ is reversed biased that means there are no current flow through ${D_1}$
${D_2}$ is forward biased that means there are current flow through ${D_2}$
So the total resistance of the circuit is
${R_L} + {R_{{D_2}}}$
$\Rightarrow{T_{total}} = 5 + 10$
$\Rightarrow{R_{total}} = 15\Omega $
We know according to ohm’s law current through the circuit
$I = \dfrac{v}{r}$
Given that $v = 30\,V$
${R_{total}} = 15\Omega $
So, $I = \dfrac{{30}}{{15}}$
$\therefore I = 2\,A$
Hence option D is correct.
Note: Forward biasing means p part of p-n junction diode is connected to $ + ve$ terminal of battery and $ - ve$ terminal to n junction. Reverse biasing means p terminal is connected to $ - ve$ terminal and n junction is connected to $ + ve$ terminal of battery
Recently Updated Pages
Which cell organelles are present in white blood C class 11 biology CBSE

What is the molecular geometry of BrF4 A square planar class 11 chemistry CBSE

How can you explain that CCl4 has no dipole moment class 11 chemistry CBSE

Which will undergo SN2 reaction fastest among the following class 11 chemistry CBSE

The values of mass m for which the 100 kg block does class 11 physics CBSE

Why are voluntary muscles called striated muscles class 11 biology CBSE

Trending doubts
Which are the Top 10 Largest Countries of the World?

What are the major means of transport Explain each class 12 social science CBSE

Draw a labelled sketch of the human eye class 12 physics CBSE

Draw the diagram showing the germination of pollen class 12 biology CBSE

Differentiate between insitu conservation and exsitu class 12 biology CBSE

The computer jargonwwww stands for Aworld wide web class 12 physics CBSE

