
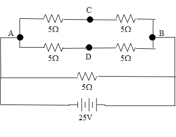
Calculate I for a given circuit.
A. $10A$
B. $5A$
C. $2.5A$
D. $20A$
Answer
552k+ views
Hint: According to the ohms law the current flowing through a circuit is directly proportional to the voltage drop across the circuit. This proportionality is resolved by a proportionality constant R which represents the resistance of the circuit. The resistance is a linear property which remains constant in constant external conditions and depends on the internal factors such as area and the length of the material.
Complete step by step answer:
Wheatstone bridge is a circuit connection where 4 resistances are in rhombus type shape as shown in the circuit below,
The balance condition is when the ratio of resistance 1 and 2 is equal to the ratio of resistances 3 and 4 mathematically,
$\dfrac{{{R}_{1}}}{{{R}_{2}}}=\dfrac{{{R}_{3}}}{{{R}_{4}}}$
According to the principle of Wheatstone bridge, under balance conditions no current passes through the terminal C and D.
When we see the circuit given in the question we can conclude that one of the sections of the circuit is a balanced condition of Wheatstone bridge.
$\dfrac{5}{5}=\dfrac{5}{5}=1$
So, no current passes through the residence between terminals C and D.
The above circuit can be simplified as,
So the total resistance between points A and B is
$\frac{1}{R}=\frac{1}{{{R}_{1}}+{{R}_{3}}}+\frac{1}{{{R}_{2}}+{{R}_{4}}}$
This is because resistance in series is given by the algebraic sum of the resistance in series. Mathematically,
$R={{r}_{1}}+{{r}_{2}}+...$
So the resistance between the points A and B will be,
$\begin{align}
& \dfrac{1}{R}=\dfrac{1}{5+5}+\dfrac{1}{5+5} \\
& \Rightarrow R=\frac{10}{2} \\
& \Rightarrow R=5\Omega \\
\end{align}$
Terminal A and B are parallel to the resistance of \[5\Omega \]. So the total resistance of the circuit is given by
\[\begin{align}
& \frac{1}{{{R}_{total}}}=\dfrac{1}{5}+\dfrac{1}{5} \\
& \Rightarrow {{R}_{total}}=\dfrac{5}{2} \\
& \Rightarrow {{R}_{total}}=2.5\Omega \\
\end{align}\]
So the total resistance of the circuit is $2.5\Omega $
By using the application of the ohm's law we know that
$V=IR$
So, by rearranging the above equation,
$\begin{align}
& I=\dfrac{V}{R} \\
& \Rightarrow I=\dfrac{25}{2.5} \\
& \therefore I=10A \\
\end{align}$
So the total current flowing through the circuit is $10A$.
So, the correct answer is “Option A”.
Note: The Wheatstone bridge is named after the person who discovered it, Mr. Charles Wheatstone. It was formed to measure the value of some unknown resistance value and a means of calibrating measuring instruments such as voltmeters, ammeters, etc., by the use of long resistive slide wire. Wheatstone bridge is still used to measure the low value of resistance.
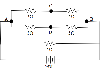
Complete step by step answer:
Wheatstone bridge is a circuit connection where 4 resistances are in rhombus type shape as shown in the circuit below,
The balance condition is when the ratio of resistance 1 and 2 is equal to the ratio of resistances 3 and 4 mathematically,
$\dfrac{{{R}_{1}}}{{{R}_{2}}}=\dfrac{{{R}_{3}}}{{{R}_{4}}}$
According to the principle of Wheatstone bridge, under balance conditions no current passes through the terminal C and D.
When we see the circuit given in the question we can conclude that one of the sections of the circuit is a balanced condition of Wheatstone bridge.
$\dfrac{5}{5}=\dfrac{5}{5}=1$
So, no current passes through the residence between terminals C and D.
The above circuit can be simplified as,
So the total resistance between points A and B is
$\frac{1}{R}=\frac{1}{{{R}_{1}}+{{R}_{3}}}+\frac{1}{{{R}_{2}}+{{R}_{4}}}$
This is because resistance in series is given by the algebraic sum of the resistance in series. Mathematically,
$R={{r}_{1}}+{{r}_{2}}+...$
So the resistance between the points A and B will be,
$\begin{align}
& \dfrac{1}{R}=\dfrac{1}{5+5}+\dfrac{1}{5+5} \\
& \Rightarrow R=\frac{10}{2} \\
& \Rightarrow R=5\Omega \\
\end{align}$
Terminal A and B are parallel to the resistance of \[5\Omega \]. So the total resistance of the circuit is given by
\[\begin{align}
& \frac{1}{{{R}_{total}}}=\dfrac{1}{5}+\dfrac{1}{5} \\
& \Rightarrow {{R}_{total}}=\dfrac{5}{2} \\
& \Rightarrow {{R}_{total}}=2.5\Omega \\
\end{align}\]
So the total resistance of the circuit is $2.5\Omega $
By using the application of the ohm's law we know that
$V=IR$
So, by rearranging the above equation,
$\begin{align}
& I=\dfrac{V}{R} \\
& \Rightarrow I=\dfrac{25}{2.5} \\
& \therefore I=10A \\
\end{align}$
So the total current flowing through the circuit is $10A$.
So, the correct answer is “Option A”.
Note: The Wheatstone bridge is named after the person who discovered it, Mr. Charles Wheatstone. It was formed to measure the value of some unknown resistance value and a means of calibrating measuring instruments such as voltmeters, ammeters, etc., by the use of long resistive slide wire. Wheatstone bridge is still used to measure the low value of resistance.
Recently Updated Pages
Master Class 12 Business Studies: Engaging Questions & Answers for Success

Master Class 12 Economics: Engaging Questions & Answers for Success

Master Class 12 English: Engaging Questions & Answers for Success

Master Class 12 Maths: Engaging Questions & Answers for Success

Master Class 12 Social Science: Engaging Questions & Answers for Success

Master Class 12 Chemistry: Engaging Questions & Answers for Success

Trending doubts
What are the major means of transport Explain each class 12 social science CBSE

Which are the Top 10 Largest Countries of the World?

Draw a labelled sketch of the human eye class 12 physics CBSE

How much time does it take to bleed after eating p class 12 biology CBSE

Explain sex determination in humans with line diag class 12 biology CBSE

Differentiate between homogeneous and heterogeneous class 12 chemistry CBSE

