
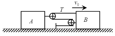
Block B is moving towards the right with constant velocity ${v_0}$. The velocity of block A with respect to block B is (assume all pulleys and strings are ideal):
A. $\dfrac{{{v_0}}}{2}$, left
B. $\dfrac{{{v_0}}}{2}$, right
C. $\dfrac{3}{{2{v_0}}}$, right
D. $\dfrac{3}{{2{v_0}}}$, left
Answer
483.6k+ views
Hint: Consider the figure and take the lengths of the pulleys and a fixed point from an origin. Now take the time derivative considering the total length and the fixed point as constants. Hence we will be able to find the relative velocities of both blocks A and block B.
Complete step by step solution:
From the below figure let us consider the origin \[O\] at a suitable point. Make the coordinates of the pulleys and the fixed point concerning the origin be ${x_A}$, ${x_B}$, and ${x_F}$.
The length $l$ of the string is then
\[l = \left( {{x_B} - {x_F}} \right) + 2\left( {{x_B} - {x_A}} \right) = 3{x_B} - {x_F} - 2{x_A}l = \left( {{x_B} - {x_F}} \right) + 2\left( {{x_B} - {x_A}} \right) = 3{x_B} - {x_F} - 2{x_A}\]
Let us disregard the little red part of the string. We can see afterward that this residual constant won't make any changes in the answer.
So however the two blocks move, the length$l$of the string continues to be constant. When the total power for the system is conserved, we can get that
The time derivative of the above equation considering $l$ and ${x_F}$ are constants we get that for a constant velocity \[0 = \dfrac{{3d{x_B}}}{{dt}} - 0 - 2d{x_A}\]
Which implies that
\[3{v_B} = 2{v_A}\]
Which in turn gives us,
\[{v_A} = \dfrac{{3{v_B}}}{2}\]
So consider that ${v_{AB}} = {v_A} - {v_B} = \dfrac{3}{2}{v_B} - {v_B} = \dfrac{1}{2}{v_B}$
$\dfrac{1}{2}{v_0}$ towards the right
Hence option B is correct.
Note:
The pulleys are expected to be at rest. The tension in the string is equivalent across the pulleys as long as there is no component fixed to the string. The connection between force and acceleration is given by Newton’s second law of motion which states that acceleration of a body is directly proportional to the force utilized and it is inversely proportional to its mass.
Complete step by step solution:
From the below figure let us consider the origin \[O\] at a suitable point. Make the coordinates of the pulleys and the fixed point concerning the origin be ${x_A}$, ${x_B}$, and ${x_F}$.
The length $l$ of the string is then
\[l = \left( {{x_B} - {x_F}} \right) + 2\left( {{x_B} - {x_A}} \right) = 3{x_B} - {x_F} - 2{x_A}l = \left( {{x_B} - {x_F}} \right) + 2\left( {{x_B} - {x_A}} \right) = 3{x_B} - {x_F} - 2{x_A}\]
Let us disregard the little red part of the string. We can see afterward that this residual constant won't make any changes in the answer.
So however the two blocks move, the length$l$of the string continues to be constant. When the total power for the system is conserved, we can get that
The time derivative of the above equation considering $l$ and ${x_F}$ are constants we get that for a constant velocity \[0 = \dfrac{{3d{x_B}}}{{dt}} - 0 - 2d{x_A}\]
Which implies that
\[3{v_B} = 2{v_A}\]
Which in turn gives us,
\[{v_A} = \dfrac{{3{v_B}}}{2}\]
So consider that ${v_{AB}} = {v_A} - {v_B} = \dfrac{3}{2}{v_B} - {v_B} = \dfrac{1}{2}{v_B}$
$\dfrac{1}{2}{v_0}$ towards the right
Hence option B is correct.
Note:
The pulleys are expected to be at rest. The tension in the string is equivalent across the pulleys as long as there is no component fixed to the string. The connection between force and acceleration is given by Newton’s second law of motion which states that acceleration of a body is directly proportional to the force utilized and it is inversely proportional to its mass.
Recently Updated Pages
Why are manures considered better than fertilizers class 11 biology CBSE

Find the coordinates of the midpoint of the line segment class 11 maths CBSE

Distinguish between static friction limiting friction class 11 physics CBSE

The Chairman of the constituent Assembly was A Jawaharlal class 11 social science CBSE

The first National Commission on Labour NCL submitted class 11 social science CBSE

Number of all subshell of n + l 7 is A 4 B 5 C 6 D class 11 chemistry CBSE

Trending doubts
What is meant by exothermic and endothermic reactions class 11 chemistry CBSE

10 examples of friction in our daily life

One Metric ton is equal to kg A 10000 B 1000 C 100 class 11 physics CBSE

1 Quintal is equal to a 110 kg b 10 kg c 100kg d 1000 class 11 physics CBSE

Difference Between Prokaryotic Cells and Eukaryotic Cells

What are Quantum numbers Explain the quantum number class 11 chemistry CBSE

