
At a given instant, A is moving with velocity of 5 m/s upwards. What is velocity of B at that time-
Answer
563.4k+ views
Hint
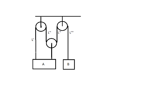
According to the question A block is moving upward direction with velocity of 5m/s. Now according to the picture we assume that the rope is continuous. In the first part of the picture the length of the string is L’ then the middle part of the strings are L’’ each and the last part of the string is L”’.
Complete step by step answer
as the rope is continuous thats why
$\Rightarrow L' + 2L'' + L''' = l$ … [where l is constant]........equation 1
Now, differential equation 1 with respect to time we get,
$\Rightarrow \dfrac{{dL'}}{{dt}} + 2\dfrac{{dL''}}{{dt}} + \dfrac{{dL'''}}{{dt}} = 0 $. ...............[because, l is constant]
Now, $ \dfrac{{dL'}}{{dt}} $ let the velocity of block A which is upward direction is $ {v_A} $ and $ \dfrac{{dL''}}{{dt}} $ is equal to $ {v_A} $
Now,
$\Rightarrow {v_A} + 2{v_A} + \dfrac{{dL'''}}{{dt}} = 0 $. ...........[where dL’’’/dt is velocity of block b]
Putting the value of $ {v_A} $ we get,
$\Rightarrow 5 + (2 \times 5) = - \dfrac{{dL'''}}{{dt}} = {v_B} $
$\Rightarrow {v_B} = 15m/s $
Here $ {v_B} $ is the velocity of block B.
Because the sign is negative the velocity of block B is in downward direction $ {v_A} $
$ {v_B} $ = 15m/s (downward direction).
Note
The sign convention is the most important part in this type of question. Sign convention is a set of rules to set signs for image distance, object distance, focal length, etc for mathematical analysis of image formation.
According to the question A block is moving upward direction with velocity of 5m/s. Now according to the picture we assume that the rope is continuous. In the first part of the picture the length of the string is L’ then the middle part of the strings are L’’ each and the last part of the string is L”’.
Complete step by step answer
as the rope is continuous thats why
$\Rightarrow L' + 2L'' + L''' = l$ … [where l is constant]........equation 1
Now, differential equation 1 with respect to time we get,
$\Rightarrow \dfrac{{dL'}}{{dt}} + 2\dfrac{{dL''}}{{dt}} + \dfrac{{dL'''}}{{dt}} = 0 $. ...............[because, l is constant]
Now, $ \dfrac{{dL'}}{{dt}} $ let the velocity of block A which is upward direction is $ {v_A} $ and $ \dfrac{{dL''}}{{dt}} $ is equal to $ {v_A} $
Now,
$\Rightarrow {v_A} + 2{v_A} + \dfrac{{dL'''}}{{dt}} = 0 $. ...........[where dL’’’/dt is velocity of block b]
Putting the value of $ {v_A} $ we get,
$\Rightarrow 5 + (2 \times 5) = - \dfrac{{dL'''}}{{dt}} = {v_B} $
$\Rightarrow {v_B} = 15m/s $
Here $ {v_B} $ is the velocity of block B.
Because the sign is negative the velocity of block B is in downward direction $ {v_A} $
$ {v_B} $ = 15m/s (downward direction).
Note
The sign convention is the most important part in this type of question. Sign convention is a set of rules to set signs for image distance, object distance, focal length, etc for mathematical analysis of image formation.
Recently Updated Pages
Master Class 11 Social Science: Engaging Questions & Answers for Success

Master Class 11 Physics: Engaging Questions & Answers for Success

Master Class 11 Maths: Engaging Questions & Answers for Success

Master Class 11 Economics: Engaging Questions & Answers for Success

Master Class 11 Computer Science: Engaging Questions & Answers for Success

Master Class 11 Chemistry: Engaging Questions & Answers for Success

Trending doubts
What is meant by exothermic and endothermic reactions class 11 chemistry CBSE

10 examples of friction in our daily life

One Metric ton is equal to kg A 10000 B 1000 C 100 class 11 physics CBSE

Difference Between Prokaryotic Cells and Eukaryotic Cells

1 Quintal is equal to a 110 kg b 10 kg c 100kg d 1000 class 11 physics CBSE

Draw a diagram of nephron and explain its structur class 11 biology CBSE

