
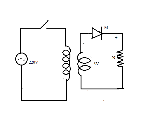
Analyse the given circuit diagram of a half wave rectifier and answer the following questions.
a. Identify the components labelled as M and N.
b. What are the changes to be made in the following components for the converting this to a full wave rectifier
i. Transformer
ii. No. of Diodes
iii. Draw the output form of a full rectifier.
Answer
586.8k+ views
Hint: In a half wave rectifier there always remains a diode, a load resistance, a transformer and an A.C input. Again, for a full wave rectifier, there are two diodes instead of one and there is a load resistance, a transformer and an A.C input.
Complete step-by-step answer:
a) The component labelled as M is a diode and the diode in a half wave rectifier is forward biased. The component labelled N is a load resistance. As the diode M is forward biased, it allows the flow of current through the circuit.
b) For the half wave rectifier to be changed to a full wave rectifier, the change in the given components should be as follows-
i. In case of a full wave rectifier, the transformer should be a centre-tap transformer.
ii. There are two diodes in case of a full wave rectifier, one of the diodes is forward biased and the other is reverse biased.
The output form of a full wave rectifier is given below,
Note: Students must be very careful about the fact that in a full wave rectifier, one of the diodes is reverse biased and the other is forward biased. As a result, current flows only through one diode, that is through the diode which is forward biased. They must also pay attention towards the use of a centre-tap transformer in case of a full-wave rectifier.
Complete step-by-step answer:
a) The component labelled as M is a diode and the diode in a half wave rectifier is forward biased. The component labelled N is a load resistance. As the diode M is forward biased, it allows the flow of current through the circuit.
b) For the half wave rectifier to be changed to a full wave rectifier, the change in the given components should be as follows-
i. In case of a full wave rectifier, the transformer should be a centre-tap transformer.
ii. There are two diodes in case of a full wave rectifier, one of the diodes is forward biased and the other is reverse biased.
The output form of a full wave rectifier is given below,
Note: Students must be very careful about the fact that in a full wave rectifier, one of the diodes is reverse biased and the other is forward biased. As a result, current flows only through one diode, that is through the diode which is forward biased. They must also pay attention towards the use of a centre-tap transformer in case of a full-wave rectifier.
Recently Updated Pages
A man running at a speed 5 ms is viewed in the side class 12 physics CBSE

The number of solutions in x in 02pi for which sqrt class 12 maths CBSE

State and explain Hardy Weinbergs Principle class 12 biology CBSE

Write any two methods of preparation of phenol Give class 12 chemistry CBSE

Which of the following statements is wrong a Amnion class 12 biology CBSE

Differentiate between action potential and resting class 12 biology CBSE

Trending doubts
What are the major means of transport Explain each class 12 social science CBSE

Which are the Top 10 Largest Countries of the World?

Draw a labelled sketch of the human eye class 12 physics CBSE

How much time does it take to bleed after eating p class 12 biology CBSE

Explain sex determination in humans with line diag class 12 biology CBSE

Explain sex determination in humans with the help of class 12 biology CBSE

