
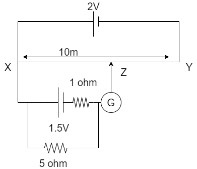
An accumulator of emf 2V and negligible internal resistance is connected across a uniform wire of length $10m$ and resistance $30\Omega $. The appropriate terminals of a cell of emf $1.5V$ and internal resistance $1\Omega $ is connected to one end of the wire, and the other end of the cell is connected through a sensitive galvanometer to a slider on the wire. If the balancing changes when the cell of $1.5V$ is shunted with a resistance of $5\Omega $ is $\dfrac{x}{4}m$. Find $x$.
Answer
579k+ views
Hint: Resistance is defined as the opposition offered to the flow of electrons in a current carrying conductor. Also the e.m.f. is the energy provided by a cell to the charge passing through it. When the electric potential decreases along the path following in a circuit, then there is voltage drop.
Complete step by step answer:
Step I:
Given that the cell is connected to a galvanometer, there will be a deflection when the galvanometer is made to slide on the wire.
Let the length of the wire XY is $ = x$ such that the current $I$ flowing through that part of the wire is zero and the galvanometer shows a zero deflection. That is
${I_g} = 0$
Also voltage drop on the balancing length is given in accordance to Ohm’s Law,
$V = IR$
Here $\rho $ is the resistance
So, $V = I\rho x$
Step II:
When there is no current in the wire and galvanometer shows zero deflection, then
Voltage across the circuit = Voltage across the part of wire XZ
Let $\rho $ be the resistance of the wire.
Since only two resistances are in parallel along the part of the wire XZ. The equivalent resistance in a parallel circuit is the reciprocal of the sum of individual resistances and is given by
$\dfrac{1}{{{R_{eq}}}} = \dfrac{1}{{{R_1}}} + \dfrac{1}{{{R_2}}}$
On substituting the corresponding values,
$\Rightarrow \dfrac{1}{{{R_{eq}}}} = (\dfrac{1}{1} + \dfrac{1}{5})$
$\Rightarrow \dfrac{1}{{{R_{eq}}}} = \dfrac{6}{5}$
Step III:
Also the resultant e.m.f is given by
${E_{eq}} = \dfrac{{\dfrac{{{E_1}}}{{{r_1}}} + \dfrac{{{E_2}}}{{{r_2}}}}}{{\dfrac{1}{{{R_{eq}}}}}}$
Substituting the values and solving,
$\Rightarrow {E_{eq}} = \dfrac{{\dfrac{{1.5}}{1} + \dfrac{0}{5}}}{{\dfrac{6}{5}}}$
On simplifications,
$\Rightarrow {E_{eq}} = \dfrac{5}{4}volt$
Step IV:
Let $y$ is the length of the wire that is to be calculated when slider is moved and when the galvanometer shows zero deflection,
$\Rightarrow \dfrac{5}{4} = \dfrac{2}{3} \times \dfrac{{30}}{{10}} \times y$
On simplification,
$\Rightarrow y = \dfrac{{25}}{4}m$
On further simplification,
$\Rightarrow x = 25m$
The length of $x$ is $25m$.
Note:
It is important to note that the terms e.m.f and voltage are different. When external forces work to move a charge from one point to another then the voltage produced is represented by e.m.f. But the voltage denotes the potential difference across two points.
Complete step by step answer:
Step I:
Given that the cell is connected to a galvanometer, there will be a deflection when the galvanometer is made to slide on the wire.
Let the length of the wire XY is $ = x$ such that the current $I$ flowing through that part of the wire is zero and the galvanometer shows a zero deflection. That is
${I_g} = 0$
Also voltage drop on the balancing length is given in accordance to Ohm’s Law,
$V = IR$
Here $\rho $ is the resistance
So, $V = I\rho x$
Step II:
When there is no current in the wire and galvanometer shows zero deflection, then
Voltage across the circuit = Voltage across the part of wire XZ
Let $\rho $ be the resistance of the wire.
Since only two resistances are in parallel along the part of the wire XZ. The equivalent resistance in a parallel circuit is the reciprocal of the sum of individual resistances and is given by
$\dfrac{1}{{{R_{eq}}}} = \dfrac{1}{{{R_1}}} + \dfrac{1}{{{R_2}}}$
On substituting the corresponding values,
$\Rightarrow \dfrac{1}{{{R_{eq}}}} = (\dfrac{1}{1} + \dfrac{1}{5})$
$\Rightarrow \dfrac{1}{{{R_{eq}}}} = \dfrac{6}{5}$
Step III:
Also the resultant e.m.f is given by
${E_{eq}} = \dfrac{{\dfrac{{{E_1}}}{{{r_1}}} + \dfrac{{{E_2}}}{{{r_2}}}}}{{\dfrac{1}{{{R_{eq}}}}}}$
Substituting the values and solving,
$\Rightarrow {E_{eq}} = \dfrac{{\dfrac{{1.5}}{1} + \dfrac{0}{5}}}{{\dfrac{6}{5}}}$
On simplifications,
$\Rightarrow {E_{eq}} = \dfrac{5}{4}volt$
Step IV:
Let $y$ is the length of the wire that is to be calculated when slider is moved and when the galvanometer shows zero deflection,
$\Rightarrow \dfrac{5}{4} = \dfrac{2}{3} \times \dfrac{{30}}{{10}} \times y$
On simplification,
$\Rightarrow y = \dfrac{{25}}{4}m$
On further simplification,
$\Rightarrow x = 25m$
The length of $x$ is $25m$.
Note:
It is important to note that the terms e.m.f and voltage are different. When external forces work to move a charge from one point to another then the voltage produced is represented by e.m.f. But the voltage denotes the potential difference across two points.
Recently Updated Pages
Master Class 12 English: Engaging Questions & Answers for Success

Master Class 12 Social Science: Engaging Questions & Answers for Success

Master Class 12 Maths: Engaging Questions & Answers for Success

Master Class 12 Economics: Engaging Questions & Answers for Success

Master Class 12 Physics: Engaging Questions & Answers for Success

Master Class 12 Business Studies: Engaging Questions & Answers for Success

Trending doubts
Which are the Top 10 Largest Countries of the World?

What are the major means of transport Explain each class 12 social science CBSE

Draw a labelled sketch of the human eye class 12 physics CBSE

Differentiate between insitu conservation and exsitu class 12 biology CBSE

Draw a neat and well labeled diagram of TS of ovary class 12 biology CBSE

RNA and DNA are chiral molecules their chirality is class 12 chemistry CBSE

