
A yo-yo is released from your hand with the string wrapped around your finger. If you hold your hand still, the acceleration of the yo-yo is:
A. downward, much greater than g
B. downward, much less than g
C. upward, much less than g
D. upward, much greater than g
Answer
569.4k+ views
Hint:In this question, we need to determine the direction of the acceleration of the yo-yo. For this, we will use Newton’s laws of motion and the relation between the torque, moment of inertia and the acceleration of the body.
Complete step by step answer:
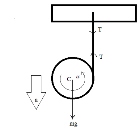
When the yo-yo is released from the hand, then handwork like rigid support, and the wrapped string starts unwrapped so that the yo-yo gain some instant-
-The linear acceleration `a' in a vertically downward direction.
-Angular acceleration $`\alpha '$about its center.
-The force mg works vertically downward.
-The tension T in an upward direction.
From FBD applying force equation, mg$ - $T$ = $ma …..(i)
Applying torque equation about the center ‘C’, $\tau = I\alpha $
$\Rightarrow T \times R + mg\left( 0 \right) = I\left( {\dfrac{a}{R}} \right)$
$\Rightarrow TR = I\left( {\dfrac{a}{R}} \right)\,\,\,\left[ {\because a = R\alpha } \right]$
$\Rightarrow T = \dfrac{{Ia}}{{{R^2}}}......\left( {ii} \right)$
Putting the value $T = \dfrac{{Ia}}{{{R^2}}}$from equation (ii) into (i)
Therefore, $Mg = \dfrac{{Ia}}{{{R^2}}} = Ma$
$\Rightarrow Mg = Ma + \dfrac{{Ia}}{{{R^2}}}$
$\Rightarrow Mg = \left( {M + \dfrac{{Ia}}{{{R^2}}}} \right)a$
$\Rightarrow a = \dfrac{{Mg}}{{M + \dfrac{I}{{{R^2}}}}} = \dfrac{g}{{1 + \dfrac{I}{{M{R^2}}}}}$
$\Rightarrow a = \dfrac{g}{{1 + \dfrac{I}{{M{R^2}}}}}.......\left( {iii} \right)$
The quantity $\dfrac{I}{{M{R^2}}}$is positive, so the denominator of the equation (iii) would be greater than $1$and hence $a < g$in a downward direction.
As the denominator of the equation (iii) is greater than 1 so, the resultant value of ‘a’ is less than g and is in the downward direction.
Hence, option (B) is correct.
Note:The torque of all the forces is zero, which passes through the point of which the torque has been computed. When a force is applied to the body, not only the applied force is acting, there are many other forces like a gravitational force. For example frictional force f and the normal force N that balances the other force. Therefore in the force equation
$\Rightarrow {\overrightarrow F _{net}} = m\overrightarrow a ,$
$\Rightarrow {\overrightarrow F _{net}} = $The vector sum of all the forces
$\Rightarrow {\overrightarrow F _{net}} = {\overrightarrow F _{ex + }} + \overrightarrow F g + \overrightarrow f + \overrightarrow N $
Complete step by step answer:
When the yo-yo is released from the hand, then handwork like rigid support, and the wrapped string starts unwrapped so that the yo-yo gain some instant-
-The linear acceleration `a' in a vertically downward direction.
-Angular acceleration $`\alpha '$about its center.
-The force mg works vertically downward.
-The tension T in an upward direction.
From FBD applying force equation, mg$ - $T$ = $ma …..(i)
Applying torque equation about the center ‘C’, $\tau = I\alpha $
$\Rightarrow T \times R + mg\left( 0 \right) = I\left( {\dfrac{a}{R}} \right)$
$\Rightarrow TR = I\left( {\dfrac{a}{R}} \right)\,\,\,\left[ {\because a = R\alpha } \right]$
$\Rightarrow T = \dfrac{{Ia}}{{{R^2}}}......\left( {ii} \right)$
Putting the value $T = \dfrac{{Ia}}{{{R^2}}}$from equation (ii) into (i)
Therefore, $Mg = \dfrac{{Ia}}{{{R^2}}} = Ma$
$\Rightarrow Mg = Ma + \dfrac{{Ia}}{{{R^2}}}$
$\Rightarrow Mg = \left( {M + \dfrac{{Ia}}{{{R^2}}}} \right)a$
$\Rightarrow a = \dfrac{{Mg}}{{M + \dfrac{I}{{{R^2}}}}} = \dfrac{g}{{1 + \dfrac{I}{{M{R^2}}}}}$
$\Rightarrow a = \dfrac{g}{{1 + \dfrac{I}{{M{R^2}}}}}.......\left( {iii} \right)$
The quantity $\dfrac{I}{{M{R^2}}}$is positive, so the denominator of the equation (iii) would be greater than $1$and hence $a < g$in a downward direction.
As the denominator of the equation (iii) is greater than 1 so, the resultant value of ‘a’ is less than g and is in the downward direction.
Hence, option (B) is correct.
Note:The torque of all the forces is zero, which passes through the point of which the torque has been computed. When a force is applied to the body, not only the applied force is acting, there are many other forces like a gravitational force. For example frictional force f and the normal force N that balances the other force. Therefore in the force equation
$\Rightarrow {\overrightarrow F _{net}} = m\overrightarrow a ,$
$\Rightarrow {\overrightarrow F _{net}} = $The vector sum of all the forces
$\Rightarrow {\overrightarrow F _{net}} = {\overrightarrow F _{ex + }} + \overrightarrow F g + \overrightarrow f + \overrightarrow N $
Recently Updated Pages
Why are manures considered better than fertilizers class 11 biology CBSE

Find the coordinates of the midpoint of the line segment class 11 maths CBSE

Distinguish between static friction limiting friction class 11 physics CBSE

The Chairman of the constituent Assembly was A Jawaharlal class 11 social science CBSE

The first National Commission on Labour NCL submitted class 11 social science CBSE

Number of all subshell of n + l 7 is A 4 B 5 C 6 D class 11 chemistry CBSE

Trending doubts
What is meant by exothermic and endothermic reactions class 11 chemistry CBSE

10 examples of friction in our daily life

One Metric ton is equal to kg A 10000 B 1000 C 100 class 11 physics CBSE

1 Quintal is equal to a 110 kg b 10 kg c 100kg d 1000 class 11 physics CBSE

Difference Between Prokaryotic Cells and Eukaryotic Cells

What are Quantum numbers Explain the quantum number class 11 chemistry CBSE

