
(a) What is meant by "electric power”? Write the formula for electric power in terms of potential difference and current.
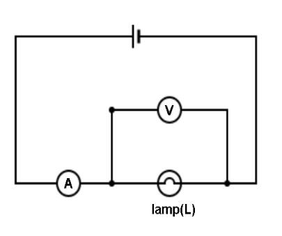
(b) The diagram below shows a circuit containing a lamp L, a voltmeter and an ammeter. The voltmeter reading is 3V and the ammeter reading is 0.5A.
(i) what is the resistance of the lamp?
(ii) What is the power of the lamp?
(c) Define kilowatt - hour. How many joules are there in one kilowatt-hour?
(d) Calculate the cost of operating a heater of 500W for 20 hours at the rate of Rs.3.90 per unit.
Answer
480.3k+ views
Hint:for part ‘a’ of the question we will state the definition and also state the formula there. Later in part ‘b’ TO find power in the first question we will first find the resistance and then power. For part c we will again state the definition. And for part ‘d’ energy has to be found. After finding energy we will multiply it with the cost to finish the answers.
Formula used:
\[P = V \times I\]or \[P = {I^2}R\]
\[\Rightarrow E = P \times t\]
\[\Rightarrow V = I \times R\]
where $P$=power, $V$= potential ,$t$= time , $R$= resistance and $E$=energy.
Complete step by step answer:
(a) Electric power is the rate at which electrical energy is transferred by an electric circuit per unit of time. The watt, or one joule per second, is the SI unit of power. Electric generators are the most common source of electricity, but other sources such as electric batteries can also be used. The formula for power can be given as:
\[P = V \times Iwatt\]
(b) Given: \[V = 3V\] and \[I = 0.5amp\]
(1) R=?
We know that \[V = I \times R\]
Let us substitute the values now, hence we get:
\[3 = 0.5 \times R\]
\[\Rightarrow \dfrac{3}{{0.5}} = R\]
\[\therefore R = 6\Omega \].
Now part 2 of the question:
(2) We know that \[P = V \times I\,watt\]
\[\Rightarrow P = 3 \times 0.5\,watt\]
\[\therefore P = 1.5\,watt\]
(c) A kilowatt hour is the amount of electrical energy used for one hour by electrical equipment with a 1 kilowatt power rating.
\[1\,kWh = 3.6 \times {10^6}\,J\]
(d) Given: \[P = 500\,W = 0.5\,kW\] and $t=20\,h$. We know that the quantity of energy moved or converted per unit time is referred to as power in physics.
Hence, Energy consumed = \[P \times t\]
\[E = P \times t\]
\[\Rightarrow E = 0.5 \times 20\]
\[\therefore E = 10kWh\]
Total cost =10 $\times$ cost per unit
Therefore, total cost =10 $\times$ 3.9=Rs.39.
Note:While finding power in (2) you can also apply other formulas of power which relate power, resistance and current as both potential and current have been mentioned in the question. No need to worry as it will give you the same answer.
Formula used:
\[P = V \times I\]or \[P = {I^2}R\]
\[\Rightarrow E = P \times t\]
\[\Rightarrow V = I \times R\]
where $P$=power, $V$= potential ,$t$= time , $R$= resistance and $E$=energy.
Complete step by step answer:
(a) Electric power is the rate at which electrical energy is transferred by an electric circuit per unit of time. The watt, or one joule per second, is the SI unit of power. Electric generators are the most common source of electricity, but other sources such as electric batteries can also be used. The formula for power can be given as:
\[P = V \times Iwatt\]
(b) Given: \[V = 3V\] and \[I = 0.5amp\]
(1) R=?
We know that \[V = I \times R\]
Let us substitute the values now, hence we get:
\[3 = 0.5 \times R\]
\[\Rightarrow \dfrac{3}{{0.5}} = R\]
\[\therefore R = 6\Omega \].
Now part 2 of the question:
(2) We know that \[P = V \times I\,watt\]
\[\Rightarrow P = 3 \times 0.5\,watt\]
\[\therefore P = 1.5\,watt\]
(c) A kilowatt hour is the amount of electrical energy used for one hour by electrical equipment with a 1 kilowatt power rating.
\[1\,kWh = 3.6 \times {10^6}\,J\]
(d) Given: \[P = 500\,W = 0.5\,kW\] and $t=20\,h$. We know that the quantity of energy moved or converted per unit time is referred to as power in physics.
Hence, Energy consumed = \[P \times t\]
\[E = P \times t\]
\[\Rightarrow E = 0.5 \times 20\]
\[\therefore E = 10kWh\]
Total cost =10 $\times$ cost per unit
Therefore, total cost =10 $\times$ 3.9=Rs.39.
Note:While finding power in (2) you can also apply other formulas of power which relate power, resistance and current as both potential and current have been mentioned in the question. No need to worry as it will give you the same answer.
Recently Updated Pages
Master Class 10 Computer Science: Engaging Questions & Answers for Success

Master Class 10 General Knowledge: Engaging Questions & Answers for Success

Master Class 10 English: Engaging Questions & Answers for Success

Master Class 10 Social Science: Engaging Questions & Answers for Success

Master Class 10 Maths: Engaging Questions & Answers for Success

Master Class 10 Science: Engaging Questions & Answers for Success

Trending doubts
Why is there a time difference of about 5 hours between class 10 social science CBSE

Write a letter to the principal requesting him to grant class 10 english CBSE

What is the median of the first 10 natural numbers class 10 maths CBSE

The Equation xxx + 2 is Satisfied when x is Equal to Class 10 Maths

Which of the following does not have a fundamental class 10 physics CBSE

State and prove converse of BPT Basic Proportionality class 10 maths CBSE

