
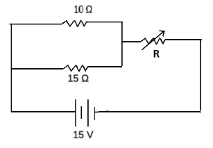
A variable resistor \[R\] is wired into a circuit shown below. To what value should this variable resistor be set to generate \[0.9\,\,{\text{A}}\] of current passing through the \[10\,\,\Omega \] resistor?
Answer
572.1k+ views
Hint: Calculate voltage across the \[10\,\,\Omega \] resistor as the current is given. This voltage is equal to that, passing through the resistor \[15\,\,\Omega \] as both the resistors are parallel in connection. From there obtain the current. Calculate the total current. Now apply Kirchhoff's law to calculate the variable resistor.
Complete answer:
Given,
\[V = 15\,\,{\text{Volt}}\]
A current of \[0.9\,\,{\text{A}}\] passes through the \[10\,\,\Omega \] resistor.
Let,
\[{I_1} = 0.9\,\,{\text{A}}\]
\[{R_1} = 10\,\,\Omega \]
Voltage \[\left( {{V_1}} \right)\] across this resistor can be obtained by using Ohm’s law.
Therefore, \[{V_1} = {I_1}{R_1}\] …… (1)
Substitute \[{I_1} = 0.9\,\,{\text{A}}\] and \[{R_1} = 10\,\,\Omega \] in equation (1).
$\Rightarrow {V_1} = 0.9 \times 10 \\
\Rightarrow {V_1} = 9\,\,{\text{Volt}} \\$
Since, \[15\,\,\Omega \] resistor is parallel to \[10\,\,\Omega \] resistor. Therefore, voltage across the \[15\,\,\Omega \] resistor will be also \[9\,\,{\text{Volt}}\] .
Let, the current across this resistor is \[{I_2}\]
\[{R_2} = 15\,\,\Omega \]
Now, current \[{I_2}\] is obtained by using Ohm’s law.
i.e. \[{I_2} = \dfrac{{{V_1}}}{{{R_2}}}\] …… (2)
Substitute \[{V_1} = 9\,\,{\text{Volt}}\] and \[{R_2} = 15\,\,\Omega \] in equation (2).
$\Rightarrow {I_2} = \dfrac{9}{{15}} \\
\Rightarrow {I_2} = 0.6\,\,{\text{A}} \\$
Now total current in the circuit is calculated by,
$I = {I_1} + {I_2} \\
\Rightarrow I = 0.9 + 0.6 \\
\Rightarrow I = 1.5\,\,{\text{A}} \\$
Now this total current \[I = 1.5\,\,{\text{A}}\] flows across the variable resistor \[R\].
Now we apply Kirchhoff’s law for the closed mesh,
\[V = 10{I_1} + IR\] ….. (3)
Substitute \[V = 15\,\,{\text{Volt}}\], \[{I_1} = 0.9\,\,{\text{A}}\] and \[I = 1.5\,\,{\text{A}}\] in equation (3).
Therefore,
$\Rightarrow 15 = \left( {10 \times 0.9} \right) + 1.5R \\
\Rightarrow 15 = 9 + 1.5R \\
\Rightarrow 1.5R = 15 - 9 \\
\Rightarrow R = \dfrac{6}{{1.5}} \\$
\[ \therefore R = 4\,\,\Omega \]
Hence, the value of the variable resistor is \[4\,\,{\text{ohms}}\].
Note:From the diagram we can see that the resistors \[10\,\,\Omega \] and \[15\,\,\Omega \] are parallel in connection. Therefore, the voltage drops across it will be equal. It is where most of the students seem to be confused about the connections of the resistors. In series connection, the same amount of current flows through all the elements.
According to ohm’s law, the current between the two points through a conductor is directly proportional to the voltage between the two points. The formula is given by, \[V = IR\]. Using this equation, we calculate the respective voltages and the currents. In every closed loop network, the overall voltage across the loop is equivalent to the total of all of the voltage drops inside the same loop, and is also equal to zero. This law is known as Kirchhoff’s Voltage Law or KVL.
Complete answer:
Given,
\[V = 15\,\,{\text{Volt}}\]
A current of \[0.9\,\,{\text{A}}\] passes through the \[10\,\,\Omega \] resistor.
Let,
\[{I_1} = 0.9\,\,{\text{A}}\]
\[{R_1} = 10\,\,\Omega \]
Voltage \[\left( {{V_1}} \right)\] across this resistor can be obtained by using Ohm’s law.
Therefore, \[{V_1} = {I_1}{R_1}\] …… (1)
Substitute \[{I_1} = 0.9\,\,{\text{A}}\] and \[{R_1} = 10\,\,\Omega \] in equation (1).
$\Rightarrow {V_1} = 0.9 \times 10 \\
\Rightarrow {V_1} = 9\,\,{\text{Volt}} \\$
Since, \[15\,\,\Omega \] resistor is parallel to \[10\,\,\Omega \] resistor. Therefore, voltage across the \[15\,\,\Omega \] resistor will be also \[9\,\,{\text{Volt}}\] .
Let, the current across this resistor is \[{I_2}\]
\[{R_2} = 15\,\,\Omega \]
Now, current \[{I_2}\] is obtained by using Ohm’s law.
i.e. \[{I_2} = \dfrac{{{V_1}}}{{{R_2}}}\] …… (2)
Substitute \[{V_1} = 9\,\,{\text{Volt}}\] and \[{R_2} = 15\,\,\Omega \] in equation (2).
$\Rightarrow {I_2} = \dfrac{9}{{15}} \\
\Rightarrow {I_2} = 0.6\,\,{\text{A}} \\$
Now total current in the circuit is calculated by,
$I = {I_1} + {I_2} \\
\Rightarrow I = 0.9 + 0.6 \\
\Rightarrow I = 1.5\,\,{\text{A}} \\$
Now this total current \[I = 1.5\,\,{\text{A}}\] flows across the variable resistor \[R\].
Now we apply Kirchhoff’s law for the closed mesh,
\[V = 10{I_1} + IR\] ….. (3)
Substitute \[V = 15\,\,{\text{Volt}}\], \[{I_1} = 0.9\,\,{\text{A}}\] and \[I = 1.5\,\,{\text{A}}\] in equation (3).
Therefore,
$\Rightarrow 15 = \left( {10 \times 0.9} \right) + 1.5R \\
\Rightarrow 15 = 9 + 1.5R \\
\Rightarrow 1.5R = 15 - 9 \\
\Rightarrow R = \dfrac{6}{{1.5}} \\$
\[ \therefore R = 4\,\,\Omega \]
Hence, the value of the variable resistor is \[4\,\,{\text{ohms}}\].
Note:From the diagram we can see that the resistors \[10\,\,\Omega \] and \[15\,\,\Omega \] are parallel in connection. Therefore, the voltage drops across it will be equal. It is where most of the students seem to be confused about the connections of the resistors. In series connection, the same amount of current flows through all the elements.
According to ohm’s law, the current between the two points through a conductor is directly proportional to the voltage between the two points. The formula is given by, \[V = IR\]. Using this equation, we calculate the respective voltages and the currents. In every closed loop network, the overall voltage across the loop is equivalent to the total of all of the voltage drops inside the same loop, and is also equal to zero. This law is known as Kirchhoff’s Voltage Law or KVL.
Recently Updated Pages
Master Class 12 Economics: Engaging Questions & Answers for Success

Master Class 12 Physics: Engaging Questions & Answers for Success

Master Class 12 English: Engaging Questions & Answers for Success

Master Class 12 Social Science: Engaging Questions & Answers for Success

Master Class 12 Maths: Engaging Questions & Answers for Success

Master Class 12 Business Studies: Engaging Questions & Answers for Success

Trending doubts
Why cannot DNA pass through cell membranes class 12 biology CBSE

Draw a neat and well labeled diagram of TS of ovary class 12 biology CBSE

In a human foetus the limbs and digits develop after class 12 biology CBSE

AABbCc genotype forms how many types of gametes a 4 class 12 biology CBSE

Differentiate between homogeneous and heterogeneous class 12 chemistry CBSE

The correct structure of ethylenediaminetetraacetic class 12 chemistry CBSE

