
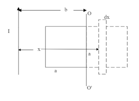
A square wire frame of side $ a $ is placed $ b $ away from a long straight conductor carrying current $ I $ . The frame has resistance $ R $ and self-inductance $ L $ . The frame is rotated by $ 180^\circ $ about $ OO' $ as shown in figure. Find the electric charge flown through the frame.
(A) $ \dfrac{{2{\mu _0}i{a^2}}}{{2\pi Rb}} $
(B) $ \dfrac{{{\mu _0}i}}{{2\pi R}}{\log _e}\dfrac{{b + a}}{{b - a}} $
(C) $ \dfrac{{{\mu _0}ia}}{{2\pi R}}{\log _e}\dfrac{{b + a}}{{b - a}} $
(D) None of these
Answer
547.2k+ views
Hint: We know that the faraday's law stated that a changing magnetic field produces an electric field. So charges that are free to move will cause an EMF and a current. Thus the magnetic statement of Faraday’s Law is that EMF induced in a loop is proportional to rate of change in flux.
$ E = iR = \dfrac{{\Delta \phi }}{{\Delta t}} $
We also know that the current in a conductor is nothing but, charge flowing in it per unit time $ i = \dfrac{q}{t} $
We also know that, $ \phi = \int {B.dA} $ .
Formulas used: We will be using the formula $ E = iR = \dfrac{{\Delta \phi }}{{\Delta t}} $ where $ E $ is the EMF induced by current $ i $ , flowing through a conductor with resistance $ R $ and $ \Delta \phi $ is the change in flux of the body, while $ \Delta t $ is the change in time intervals. We will also be using, $ \phi = \int {B.dA} $ where $ B $ is the magnetic field intensity produced due to the flux and $ dA $ is the change in area.
Complete Step by Step Solution
We know that by faraday’s Laws of electromagnetism, $ E = iR = \dfrac{{\Delta \phi }}{{\Delta t}} $ we also know that $ q = it $ , Thus the charge induced on a body can be given by, $ \dfrac{{{Q_{ind}}}}{{\Delta t}}R = \dfrac{{\Delta \phi }}{{\Delta t}} $ .
$ \Rightarrow {Q_{ind}} = \dfrac{{\Delta \phi }}{R} $ .
Consider a small strip of width $ dx $ at the distance of $ x $ from the current carrying wire.So let us find the change in flux by finding the final flux and initial flux.
$ d\phi = B.dA $
Integrating the expression to find the initial and final fluxes of the thin strip
$ \int {d\phi } = \int {B.dA} $
We know that $ \int {d\phi } = \phi $ and $ B = \dfrac{{{\mu _0}I}}{{2\pi x}} $ . Also the are of the strip will be $ A = a \times dx $ .
Substituting the values be get,
$ \phi = \int {\dfrac{{{\mu _0}I}}{{2\pi x}} \times adx} $
The limits can be specified to be, $ \left( {b - a} \right) $ to $ b $ .
$ \phi = \dfrac{{{\mu _0}Ia}}{{2\pi }}\int_{b - a}^b {\dfrac{{dx}}{x}} = \dfrac{{{\mu _0}Ia}}{{2\pi }}\left[ {{{\log }_e}b - {{\log }_e}(b - a)} \right] $
$ \Rightarrow \phi = \dfrac{{{\mu _0}Ia}}{{2\pi }}{\log _e}\left( {\dfrac{b}{{b - a}}} \right) $
Now, consider the final position to find flux for,
Finding flux using integration,
$ \phi = \int {\dfrac{{{\mu _0}I}}{{2\pi x}} \times adx} $
but the limits will be $ b $ to $ b + a $ .
$ \phi = \dfrac{{{\mu _0}Ia}}{{2\pi }}\int_b^{b + a} {\dfrac{{dx}}{x}} = \dfrac{{{\mu _0}Ia}}{{2\pi }}\left[ {{{\log }_e}(b + a) - {{\log }_e}(b)} \right] $
$ \Rightarrow \phi = \dfrac{{{\mu _0}Ia}}{{2\pi }}{\log _e}\left( {\dfrac{{b + a}}{b}} \right) $
Now we have both the initial and final flux let us find the differences between them, $ \Delta \phi = {\phi _f} - ( - {\phi _i}) = \dfrac{{{\mu _0}Ia}}{{2\pi }}{\log _e}\left( {\dfrac{{b + a}}{b}} \right) - \dfrac{{{\mu _0}Ia}}{{2\pi }}{\log _e}\left( {\dfrac{b}{{b - a}}} \right) $
Since $ \phi = B.dA\cos \theta $ and here $ \theta = 180^\circ $
$ \Delta \phi = \dfrac{{{\mu _0}Ia}}{{2\pi }}{\log _e}\left[ {\left( {\dfrac{{b + a}}{b}} \right) \times \left( {\dfrac{b}{{b - a}}} \right)} \right] $
$ \Rightarrow \Delta \phi = \dfrac{{{\mu _0}Ia}}{{2\pi }}{\log _e}\left( {\dfrac{{b + a}}{{b - a}}} \right) $
Since we know that $ {Q_{ind}} = \dfrac{{\Delta \phi }}{R} $ ,
$ Q = \dfrac{{{\mu _0}Ia}}{{2\pi R}}{\log _e}\left( {\dfrac{{b + a}}{{b - a}}} \right) $
Hence the correct answer is option C.
Note
The problem can also be solved without breaking the limits and taking , solving for, $ \phi = \dfrac{{{\mu _0}Ia}}{{2\pi }}\int_{b - a}^{b + a} {\dfrac{{dx}}{x}} = \dfrac{{{\mu _0}Ia}}{{2\pi }}\left[ {{{\log }_e}(b + a) - {{\log }_e}(b - a)} \right] $
$ \Rightarrow \phi = \dfrac{{{\mu _0}Ia}}{{2\pi }}\left[ {{{\log }_e}(b + a) - {{\log }_e}(b - a)} \right] = \dfrac{{{\mu _0}Ia}}{{2\pi }}{\log _e}\left( {\dfrac{{b + a}}{{b - a}}} \right) $
Thus $ {Q_{ind}} $ will be, $ Q = \dfrac{{{\mu _0}Ia}}{{2\pi R}}{\log _e}\left[ {\dfrac{{b + a}}{{b - a}}} \right] $ .
$ E = iR = \dfrac{{\Delta \phi }}{{\Delta t}} $
We also know that the current in a conductor is nothing but, charge flowing in it per unit time $ i = \dfrac{q}{t} $
We also know that, $ \phi = \int {B.dA} $ .
Formulas used: We will be using the formula $ E = iR = \dfrac{{\Delta \phi }}{{\Delta t}} $ where $ E $ is the EMF induced by current $ i $ , flowing through a conductor with resistance $ R $ and $ \Delta \phi $ is the change in flux of the body, while $ \Delta t $ is the change in time intervals. We will also be using, $ \phi = \int {B.dA} $ where $ B $ is the magnetic field intensity produced due to the flux and $ dA $ is the change in area.
Complete Step by Step Solution
We know that by faraday’s Laws of electromagnetism, $ E = iR = \dfrac{{\Delta \phi }}{{\Delta t}} $ we also know that $ q = it $ , Thus the charge induced on a body can be given by, $ \dfrac{{{Q_{ind}}}}{{\Delta t}}R = \dfrac{{\Delta \phi }}{{\Delta t}} $ .
$ \Rightarrow {Q_{ind}} = \dfrac{{\Delta \phi }}{R} $ .
Consider a small strip of width $ dx $ at the distance of $ x $ from the current carrying wire.So let us find the change in flux by finding the final flux and initial flux.
$ d\phi = B.dA $
Integrating the expression to find the initial and final fluxes of the thin strip
$ \int {d\phi } = \int {B.dA} $
We know that $ \int {d\phi } = \phi $ and $ B = \dfrac{{{\mu _0}I}}{{2\pi x}} $ . Also the are of the strip will be $ A = a \times dx $ .
Substituting the values be get,
$ \phi = \int {\dfrac{{{\mu _0}I}}{{2\pi x}} \times adx} $
The limits can be specified to be, $ \left( {b - a} \right) $ to $ b $ .
$ \phi = \dfrac{{{\mu _0}Ia}}{{2\pi }}\int_{b - a}^b {\dfrac{{dx}}{x}} = \dfrac{{{\mu _0}Ia}}{{2\pi }}\left[ {{{\log }_e}b - {{\log }_e}(b - a)} \right] $
$ \Rightarrow \phi = \dfrac{{{\mu _0}Ia}}{{2\pi }}{\log _e}\left( {\dfrac{b}{{b - a}}} \right) $
Now, consider the final position to find flux for,
Finding flux using integration,
$ \phi = \int {\dfrac{{{\mu _0}I}}{{2\pi x}} \times adx} $
but the limits will be $ b $ to $ b + a $ .
$ \phi = \dfrac{{{\mu _0}Ia}}{{2\pi }}\int_b^{b + a} {\dfrac{{dx}}{x}} = \dfrac{{{\mu _0}Ia}}{{2\pi }}\left[ {{{\log }_e}(b + a) - {{\log }_e}(b)} \right] $
$ \Rightarrow \phi = \dfrac{{{\mu _0}Ia}}{{2\pi }}{\log _e}\left( {\dfrac{{b + a}}{b}} \right) $
Now we have both the initial and final flux let us find the differences between them, $ \Delta \phi = {\phi _f} - ( - {\phi _i}) = \dfrac{{{\mu _0}Ia}}{{2\pi }}{\log _e}\left( {\dfrac{{b + a}}{b}} \right) - \dfrac{{{\mu _0}Ia}}{{2\pi }}{\log _e}\left( {\dfrac{b}{{b - a}}} \right) $
Since $ \phi = B.dA\cos \theta $ and here $ \theta = 180^\circ $
$ \Delta \phi = \dfrac{{{\mu _0}Ia}}{{2\pi }}{\log _e}\left[ {\left( {\dfrac{{b + a}}{b}} \right) \times \left( {\dfrac{b}{{b - a}}} \right)} \right] $
$ \Rightarrow \Delta \phi = \dfrac{{{\mu _0}Ia}}{{2\pi }}{\log _e}\left( {\dfrac{{b + a}}{{b - a}}} \right) $
Since we know that $ {Q_{ind}} = \dfrac{{\Delta \phi }}{R} $ ,
$ Q = \dfrac{{{\mu _0}Ia}}{{2\pi R}}{\log _e}\left( {\dfrac{{b + a}}{{b - a}}} \right) $
Hence the correct answer is option C.
Note
The problem can also be solved without breaking the limits and taking , solving for, $ \phi = \dfrac{{{\mu _0}Ia}}{{2\pi }}\int_{b - a}^{b + a} {\dfrac{{dx}}{x}} = \dfrac{{{\mu _0}Ia}}{{2\pi }}\left[ {{{\log }_e}(b + a) - {{\log }_e}(b - a)} \right] $
$ \Rightarrow \phi = \dfrac{{{\mu _0}Ia}}{{2\pi }}\left[ {{{\log }_e}(b + a) - {{\log }_e}(b - a)} \right] = \dfrac{{{\mu _0}Ia}}{{2\pi }}{\log _e}\left( {\dfrac{{b + a}}{{b - a}}} \right) $
Thus $ {Q_{ind}} $ will be, $ Q = \dfrac{{{\mu _0}Ia}}{{2\pi R}}{\log _e}\left[ {\dfrac{{b + a}}{{b - a}}} \right] $ .
Recently Updated Pages
A man running at a speed 5 ms is viewed in the side class 12 physics CBSE

The number of solutions in x in 02pi for which sqrt class 12 maths CBSE

State and explain Hardy Weinbergs Principle class 12 biology CBSE

Write any two methods of preparation of phenol Give class 12 chemistry CBSE

Which of the following statements is wrong a Amnion class 12 biology CBSE

Differentiate between action potential and resting class 12 biology CBSE

Trending doubts
What are the major means of transport Explain each class 12 social science CBSE

Which are the Top 10 Largest Countries of the World?

Draw a labelled sketch of the human eye class 12 physics CBSE

Explain sex determination in humans with line diag class 12 biology CBSE

Explain sex determination in humans with the help of class 12 biology CBSE

Differentiate between homogeneous and heterogeneous class 12 chemistry CBSE

